LEMON Manuals: Even more car manuals for everyone: 1960-2025
Home >> Lexus >> 2009 >> IS F >> Repair and Diagnosis >> Electrical >> Body Electrical >> OEM System Circuits >> Engine Control, Electronically Controlled Transmission and A/T Indicator >> Notes
April 5, 2026: LEMON Manuals is launched! Read the announcement.

Engine Control, Electronically Controlled Transmission and A/T Indicator: Notes

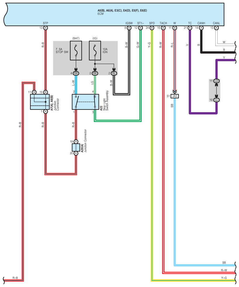
Fig 1: Engine Control, Electronically Controlled Transmission And A/T Indicator - Circuit Diagram (1 Of 30)
G07617518Courtesy of © TOYOTA, LICENSE AGREEMENT TMS1002
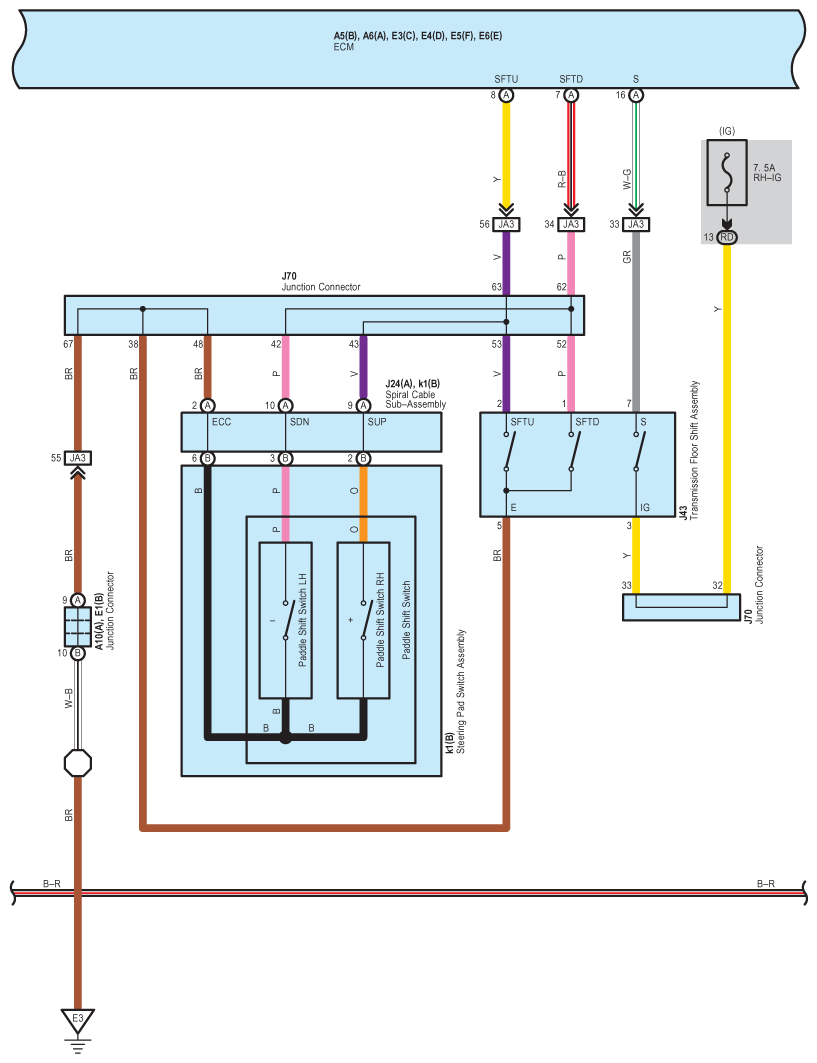
Fig 2: Engine Control, Electronically Controlled Transmission And A/T Indicator - Circuit Diagram (2 Of 30)
G07617519Courtesy of © TOYOTA, LICENSE AGREEMENT TMS1002
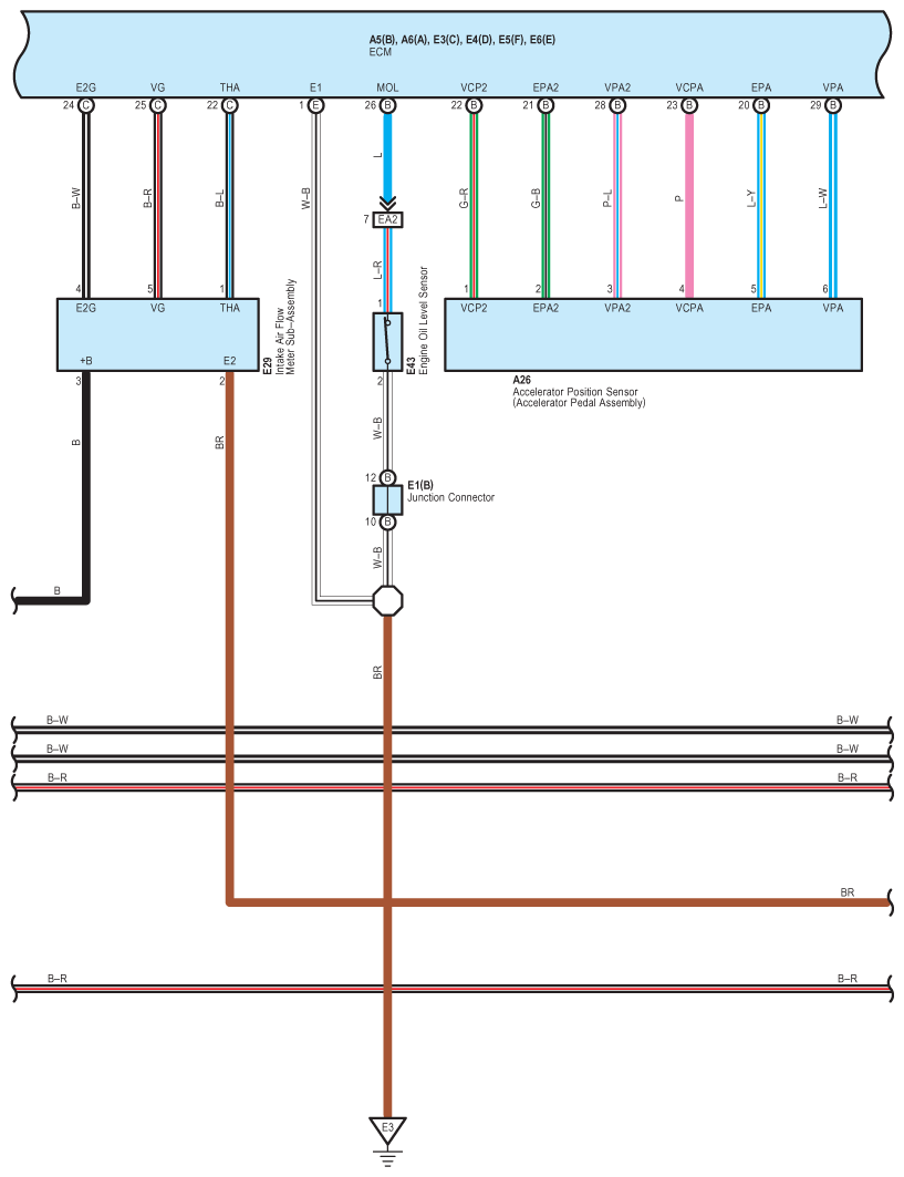
Fig 3: Engine Control, Electronically Controlled Transmission And A/T Indicator - Circuit Diagram (3 Of 30)
G07617520Courtesy of © TOYOTA, LICENSE AGREEMENT TMS1002
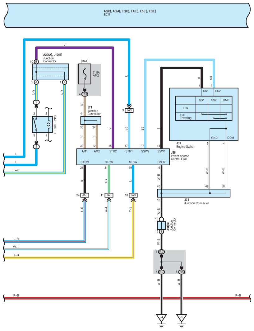
Fig 4: Engine Control, Electronically Controlled Transmission And A/T Indicator - Circuit Diagram (4 Of 30)
G07617521Courtesy of © TOYOTA, LICENSE AGREEMENT TMS1002
Fig 5: Engine Control, Electronically Controlled Transmission And A/T Indicator - Circuit Diagram (5 Of 30)
G07617522Courtesy of © TOYOTA, LICENSE AGREEMENT TMS1002
Fig 6: Engine Control, Electronically Controlled Transmission And A/T Indicator - Circuit Diagram (6 Of 30)
G07617523Courtesy of © TOYOTA, LICENSE AGREEMENT TMS1002
Fig 7: Engine Control, Electronically Controlled Transmission And A/T Indicator - Circuit Diagram (7 Of 30)
G07617524Courtesy of © TOYOTA, LICENSE AGREEMENT TMS1002
Fig 8: Engine Control, Electronically Controlled Transmission And A/T Indicator - Circuit Diagram (8 Of 30)
G07617525Courtesy of © TOYOTA, LICENSE AGREEMENT TMS1002
Fig 9: Engine Control, Electronically Controlled Transmission And A/T Indicator - Circuit Diagram (9 Of 30)
G07617526Courtesy of © TOYOTA, LICENSE AGREEMENT TMS1002
Fig 10: Engine Control, Electronically Controlled Transmission And A/T Indicator - Circuit Diagram (10 Of 30)
G07617527Courtesy of © TOYOTA, LICENSE AGREEMENT TMS1002
Fig 11: Engine Control, Electronically Controlled Transmission And A/T Indicator - Circuit Diagram (11 Of 30)
G07617528Courtesy of © TOYOTA, LICENSE AGREEMENT TMS1002
Fig 12: Engine Control, Electronically Controlled Transmission And A/T Indicator - Circuit Diagram (12 Of 30)
G07617529Courtesy of © TOYOTA, LICENSE AGREEMENT TMS1002
Fig 13: Engine Control, Electronically Controlled Transmission And A/T Indicator - Circuit Diagram (13 Of 30)
G07617530Courtesy of © TOYOTA, LICENSE AGREEMENT TMS1002
Fig 14: Engine Control, Electronically Controlled Transmission And A/T Indicator - Circuit Diagram (14 Of 30)
G07617531Courtesy of © TOYOTA, LICENSE AGREEMENT TMS1002
Fig 15: Engine Control, Electronically Controlled Transmission And A/T Indicator - Circuit Diagram (15 Of 30)
G07617532Courtesy of © TOYOTA, LICENSE AGREEMENT TMS1002
Fig 16: Engine Control, Electronically Controlled Transmission And A/T Indicator - Circuit Diagram (16 Of 30)
G07617533Courtesy of © TOYOTA, LICENSE AGREEMENT TMS1002
Fig 17: Engine Control, Electronically Controlled Transmission And A/T Indicator - Circuit Diagram (17 Of 30)
G07617534Courtesy of © TOYOTA, LICENSE AGREEMENT TMS1002
Fig 18: Engine Control, Electronically Controlled Transmission And A/T Indicator - Circuit Diagram (18 Of 30)
G07617535Courtesy of © TOYOTA, LICENSE AGREEMENT TMS1002
Fig 19: Engine Control, Electronically Controlled Transmission And A/T Indicator - Circuit Diagram (19 Of 30)
G07617536Courtesy of © TOYOTA, LICENSE AGREEMENT TMS1002
Fig 20: Engine Control, Electronically Controlled Transmission And A/T Indicator - Circuit Diagram (20 Of 30)
G07617537Courtesy of © TOYOTA, LICENSE AGREEMENT TMS1002
Fig 21: Engine Control, Electronically Controlled Transmission And A/T Indicator - Circuit Diagram (21 Of 30)
G07617538Courtesy of © TOYOTA, LICENSE AGREEMENT TMS1002
Fig 22: Engine Control, Electronically Controlled Transmission And A/T Indicator - Circuit Diagram (22 Of 30)
G07617539Courtesy of © TOYOTA, LICENSE AGREEMENT TMS1002
Fig 23: Engine Control, Electronically Controlled Transmission And A/T Indicator - Circuit Diagram (23 Of 30)
G07617540Courtesy of © TOYOTA, LICENSE AGREEMENT TMS1002
Fig 24: Engine Control, Electronically Controlled Transmission And A/T Indicator - Circuit Diagram (24 Of 30)
G07617541Courtesy of © TOYOTA, LICENSE AGREEMENT TMS1002
Fig 25: Engine Control, Electronically Controlled Transmission And A/T Indicator - Circuit Diagram (25 Of 30)
G07617542Courtesy of © TOYOTA, LICENSE AGREEMENT TMS1002
Fig 26: Engine Control, Electronically Controlled Transmission And A/T Indicator - Circuit Diagram (26 Of 30)
G07617543Courtesy of © TOYOTA, LICENSE AGREEMENT TMS1002
Fig 27: Engine Control, Electronically Controlled Transmission And A/T Indicator - Circuit Diagram (27 Of 30)
G07617544Courtesy of © TOYOTA, LICENSE AGREEMENT TMS1002
Fig 28: Engine Control, Electronically Controlled Transmission And A/T Indicator - Circuit Diagram (28 Of 30)
G07617545Courtesy of © TOYOTA, LICENSE AGREEMENT TMS1002
Fig 29: Engine Control, Electronically Controlled Transmission And A/T Indicator - Circuit Diagram (29 Of 30)
G07617546Courtesy of © TOYOTA, LICENSE AGREEMENT TMS1002
Fig 30: Engine Control, Electronically Controlled Transmission And A/T Indicator - Circuit Diagram (30 Of 30)
G07617547Courtesy of © TOYOTA, LICENSE AGREEMENT TMS1002