LEMON Manuals: Even more car manuals for everyone: 1960-2025
Home >> Lexus >> 2009 >> IS F >> Repair and Diagnosis >> Electrical >> Body Electrical >> OEM System Circuits >> Front Wiper and Washer >> Notes
April 5, 2026: LEMON Manuals is launched! Read the announcement.

Front Wiper and Washer: Notes

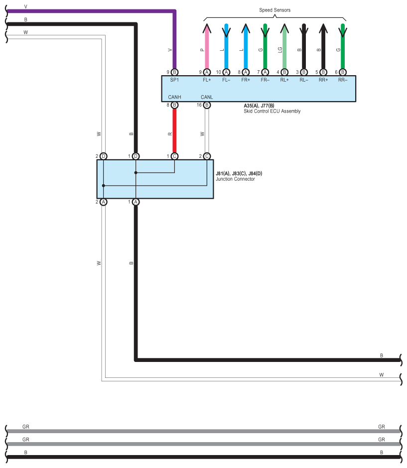
Fig 1: Front Wiper And Washer - Circuit Diagram (1 Of 9)
G07617622Courtesy of © TOYOTA, LICENSE AGREEMENT TMS1002
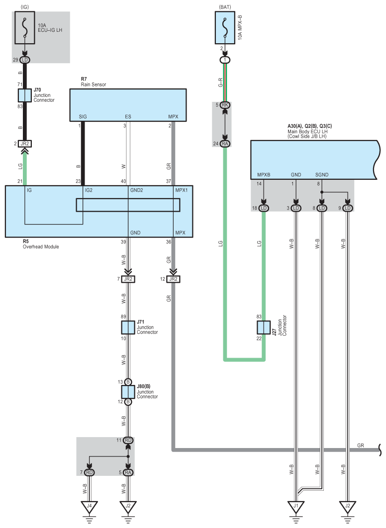
Fig 2: Front Wiper And Washer - Circuit Diagram (2 Of 9)
G07617623Courtesy of © TOYOTA, LICENSE AGREEMENT TMS1002
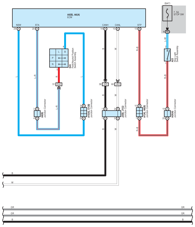
Fig 3: Front Wiper And Washer - Circuit Diagram (3 Of 9)
G07617624Courtesy of © TOYOTA, LICENSE AGREEMENT TMS1002
Fig 4: Front Wiper And Washer - Circuit Diagram (4 Of 9)
G07617625Courtesy of © TOYOTA, LICENSE AGREEMENT TMS1002
Fig 5: Front Wiper And Washer - Circuit Diagram (5 Of 9)
G07617626Courtesy of © TOYOTA, LICENSE AGREEMENT TMS1002
Fig 6: Front Wiper And Washer - Circuit Diagram (6 Of 9)
G07617627Courtesy of © TOYOTA, LICENSE AGREEMENT TMS1002
Fig 7: Front Wiper And Washer - Circuit Diagram (7 Of 9)
G07617628Courtesy of © TOYOTA, LICENSE AGREEMENT TMS1002
Fig 8: Front Wiper And Washer - Circuit Diagram (8 Of 9)
G07617629Courtesy of © TOYOTA, LICENSE AGREEMENT TMS1002
Fig 9: Front Wiper And Washer - Circuit Diagram (9 Of 9)
G07617630Courtesy of © TOYOTA, LICENSE AGREEMENT TMS1002