LEMON Manuals: Even more car manuals for everyone: 1960-2025
Home >> Lexus >> 2009 >> IS F >> Repair and Diagnosis >> Electrical >> Body Electrical >> OEM System Circuits >> Smart Access System with Push-Button Start and Theft Deterrent >> Notes
April 5, 2026: LEMON Manuals is launched! Read the announcement.

Smart Access System with Push-Button Start and Theft Deterrent: Notes

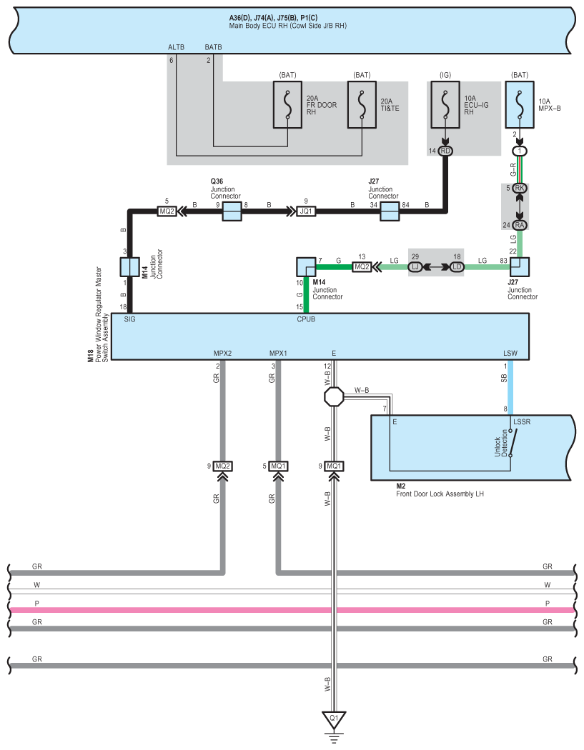
Fig 1: Smart Access System With Push-Button Start And Theft Deterrent - Circuit Diagram (1 Of 20)
G07617494Courtesy of © TOYOTA, LICENSE AGREEMENT TMS1002
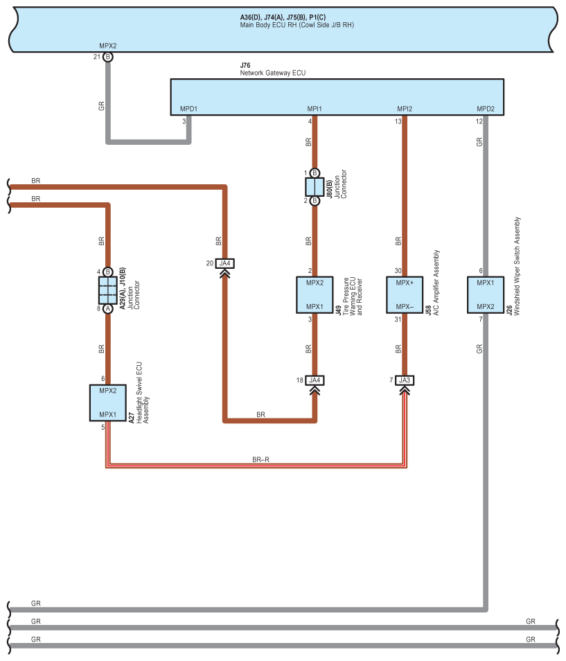
Fig 2: Smart Access System With Push-Button Start And Theft Deterrent - Circuit Diagram (2 Of 20)
G07617495Courtesy of © TOYOTA, LICENSE AGREEMENT TMS1002
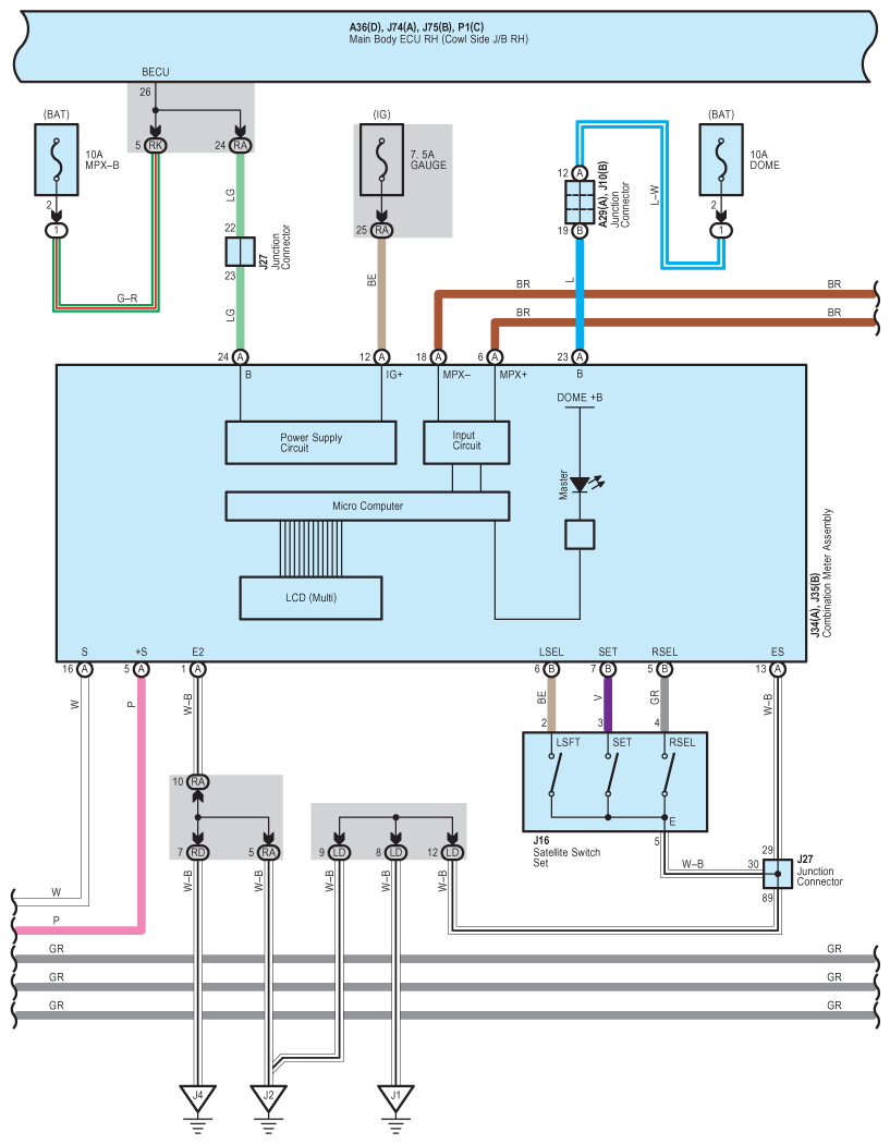
Fig 3: Smart Access System With Push-Button Start And Theft Deterrent - Circuit Diagram (3 Of 20)
G07617496Courtesy of © TOYOTA, LICENSE AGREEMENT TMS1002
Fig 4: Smart Access System With Push-Button Start And Theft Deterrent - Circuit Diagram (4 Of 20)
G07617497Courtesy of © TOYOTA, LICENSE AGREEMENT TMS1002
Fig 5: Smart Access System With Push-Button Start And Theft Deterrent - Circuit Diagram (5 Of 20)
G07617498Courtesy of © TOYOTA, LICENSE AGREEMENT TMS1002
Fig 6: Smart Access System With Push-Button Start And Theft Deterrent - Circuit Diagram (6 Of 20)
G07617499Courtesy of © TOYOTA, LICENSE AGREEMENT TMS1002
Fig 7: Smart Access System With Push-Button Start And Theft Deterrent - Circuit Diagram (7 Of 20)
G07617500Courtesy of © TOYOTA, LICENSE AGREEMENT TMS1002
Fig 8: Smart Access System With Push-Button Start And Theft Deterrent - Circuit Diagram (8 Of 20)
G07617501Courtesy of © TOYOTA, LICENSE AGREEMENT TMS1002
Fig 9: Smart Access System With Push-Button Start And Theft Deterrent - Circuit Diagram (9 Of 20)
G07617502Courtesy of © TOYOTA, LICENSE AGREEMENT TMS1002
Fig 10: Smart Access System With Push-Button Start And Theft Deterrent - Circuit Diagram (10 Of 20)
G07617503Courtesy of © TOYOTA, LICENSE AGREEMENT TMS1002
Fig 11: Smart Access System With Push-Button Start And Theft Deterrent - Circuit Diagram (11 Of 20)
G07617504Courtesy of © TOYOTA, LICENSE AGREEMENT TMS1002
Fig 12: Smart Access System With Push-Button Start And Theft Deterrent - Circuit Diagram (12 Of 20)
G07617505Courtesy of © TOYOTA, LICENSE AGREEMENT TMS1002
Fig 13: Smart Access System With Push-Button Start And Theft Deterrent - Circuit Diagram (13 Of 20)
G07617506Courtesy of © TOYOTA, LICENSE AGREEMENT TMS1002
Fig 14: Smart Access System With Push-Button Start And Theft Deterrent - Circuit Diagram (14 Of 20)
G07617507Courtesy of © TOYOTA, LICENSE AGREEMENT TMS1002
Fig 15: Smart Access System With Push-Button Start And Theft Deterrent - Circuit Diagram (15 Of 20)
G07617508Courtesy of © TOYOTA, LICENSE AGREEMENT TMS1002
Fig 16: Smart Access System With Push-Button Start And Theft Deterrent - Circuit Diagram (16 Of 20)
G07617509Courtesy of © TOYOTA, LICENSE AGREEMENT TMS1002
Fig 17: Smart Access System With Push-Button Start And Theft Deterrent - Circuit Diagram (17 Of 20)
G07617510Courtesy of © TOYOTA, LICENSE AGREEMENT TMS1002
Fig 18: Smart Access System With Push-Button Start And Theft Deterrent - Circuit Diagram (18 Of 20)
G07617511Courtesy of © TOYOTA, LICENSE AGREEMENT TMS1002
Fig 19: Smart Access System With Push-Button Start And Theft Deterrent - Circuit Diagram (19 Of 20)
G07617512Courtesy of © TOYOTA, LICENSE AGREEMENT TMS1002
Fig 20: Smart Access System With Push-Button Start And Theft Deterrent - Circuit Diagram (20 Of 20)
G07617513Courtesy of © TOYOTA, LICENSE AGREEMENT TMS1002