LEMON Manuals: Even more car manuals for everyone: 1960-2025
Home >> Lexus >> 2009 >> IS F >> Repair and Diagnosis >> Electrical >> Body Electrical >> OEM System Circuits >> Tire Pressure Warning System >> Notes
April 5, 2026: LEMON Manuals is launched! Read the announcement.

Tire Pressure Warning System: Notes

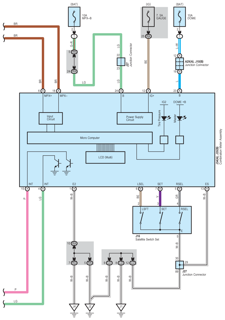
Fig 1: Tire Pressure Warning System - Circuit Diagram (1 Of 2)
G07617704Courtesy of © TOYOTA, LICENSE AGREEMENT TMS1002
Fig 2: Tire Pressure Warning System - Circuit Diagram (2 Of 2)
G07617705Courtesy of © TOYOTA, LICENSE AGREEMENT TMS1002