LEMON Manuals: Even more car manuals for everyone: 1960-2025
Home >> Lexus >> 2009 >> IS F >> Repair and Diagnosis >> Engine Performance >> System >> Engine Control (SFI) System (Diagnostic Codes & Circuit Tests) >> SFI System >> ECM Power Source Circuit >> Procedure
April 5, 2026: LEMON Manuals is launched! Read the announcement.

ECM Power Source Circuit: Procedure

  1. INSPECT ECM (+B, +B2 VOLTAGE) 
    1. Turn the engine switch on (IG).
      Fig 1: Identifying ECM Connector E6 And A6
      GTY142810Courtesy of © TOYOTA, LICENSE AGREEMENT TMS1002
    2. Measure the voltage according to the value(s) in the table below.

      Standard Voltage

      Tester Connection Switch Condition Specified Condition
      A6-2 (+B) - E6-1 (E1) Engine switch on (IG) 11 to 14 V
      A6-1 (+B2) - E6-1 (E1) Engine switch on (IG) 11 to 14 V

    NG → See step   2 

    OK → See step   14 

  2. CHECK HARNESS AND CONNECTOR (ECM - BODY GROUND) 
    1. Disconnect the ECM connector.
      Fig 2: Identifying ECM Connector E6
      GTY121784Courtesy of © TOYOTA, LICENSE AGREEMENT TMS1002
    2. Measure the resistance according to the value(s) in the table below.

      Standard Resistance (Check for Open)

      Tester Connection Condition Specified Condition
      E6-1 (E1) - Body ground Always Below 1 Ω
    3. Reconnect the ECM connector.

    NG → REPAIR OR REPLACE HARNESS OR CONNECTOR 

    OK: Go to next step 

  3. INSPECT ECM (IGSW VOLTAGE) 
    1. Turn the engine switch on (IG).
      Fig 3: Identifying ECM Connector E6 And A5
      GTY146230Courtesy of © TOYOTA, LICENSE AGREEMENT TMS1002
    2. Measure the voltage according to the value(s) in the table below.

      Standard Voltage

      Tester Connection Switch Condition Specified Condition
      A5-8 (IGSW) - E6-1 (E1) Engine switch on (IG) 11 to 14 V

    NG → See step   9 

    OK: Go to next step 

  4. INSPECT ECM (MREL VOLTAGE) 
    1. Turn the engine switch on (IG).
      Fig 4: Identifying ECM Connector E6 And A5
      GTY131179Courtesy of © TOYOTA, LICENSE AGREEMENT TMS1002
    2. Measure the voltage according to the value(s) in the table below.

      Standard Voltage

      Tester Connection Switch Condition Specified Condition
      A5-3 (MREL) - E6-1 (E1) Engine switch on (IG) 11 to 14 V

    NG → See step   15 

    OK: Go to next step 

  5. CHECK FUSE (EFI FUSE) 
    1. Remove the EFI fuse from the engine room No. 2 relay block.
      Fig 5: Identifying EFI Fuse
      GTY148529Courtesy of © TOYOTA, LICENSE AGREEMENT TMS1002
    2. Measure the resistance according to the value(s) in the table below.

      Standard Resistance

      Tester Connection Condition Specified Condition
      EFI fuse Always Below 1 Ω
    3. Reinstall the EFI fuse.

    NG → CHECK FOR SHORT IN ALL HARNESSES AND CONNECTORS CONNECTED TO FUSE AND REPLACE FUSE (EFI FUSE) 

    OK: Go to next step 

  6. INSPECT INTEGRATION NO. 1 RELAY (EFI MAIN RELAY) 
    1. Remove the integration relay from the engine room No. 2 relay block.
      Fig 6: Identifying Integration Relay
      GTY149007Courtesy of © TOYOTA, LICENSE AGREEMENT TMS1002
    2. Measure the resistance according to the value(s) in the table below.

      Standard Resistance

      Tester Connection Condition Specified Condition
      2C-1 - 2A-8 When no battery voltage applied terminals 2A-6 and 2A-7 10 kΩ or higher
      When battery voltage applied to terminals 2A-6 and 2A-7 Below 1 Ω
    3. Reinstall the integration relay.

    NG → See step   16 

    OK: Go to next step 

  7. CHECK HARNESS AND CONNECTOR (EFI RELAY - ECM AND BODY GROUND) 
    1. Check the harness and the connectors between the integration relay and the ECM.
      Fig 7: Identifying Integration Relay & ECM Connector A5
      GTY148729Courtesy of © TOYOTA, LICENSE AGREEMENT TMS1002
      1. Remove the integration relay from the engine room No. 2 relay block.
      2. Disconnect the ECM connector.
      3. Measure the resistance according to the value(s) in the table below.

        Standard Resistance (Check for Open)

        Tester Connection Condition Specified Condition
        2A-6 - A5-3 (MREL) Always Below 1 Ω

        Standard Resistance (Check for Short)

        Tester Connection Condition Specified Condition
        2A-6 or A5-3 (MREL) - Body ground Always 10 kΩ or higher
      4. Reconnect the ECM connector.
    2. Check the harness and the connectors between the integration relay and body ground.
      1. Measure the resistance according to the value(s) in the table below.

        Standard Resistance (Check for Open)

        Tester Connection Condition Specified condition
        2A-7 - Body ground Always Below 1 Ω
      2. Reinstall the integration relay.

    NG → REPAIR OR REPLACE HARNESS OR CONNECTOR 

    OK: Go to next step 

  8. CHECK HARNESS AND CONNECTOR (EFI RELAY - ECM) 
    1. Remove the integration relay from the engine room No. 2 relay block.
      Fig 8: Identifying Integration Relay & ECM Connector A6
      GTY148730Courtesy of © TOYOTA, LICENSE AGREEMENT TMS1002
    2. Disconnect the ECM connector.
    3. Measure the resistance according to the value(s) in the table below.

      Standard Resistance

      Tester Connection Condition Specified Condition
      2A-8 - A6-2 (+B) Always Below 1 Ω
      2A-8 - A6-1 (+B2) Always Below 1 Ω
    4. Reinstall the integration relay.
    5. Reconnect the ECM connector.

    NG → REPAIR OR REPLACE HARNESS OR CONNECTOR (EFI RELAY - ECM) 

    OK → REPAIR OR REPLACE HARNESS OR CONNECTOR (BATTERY - INTEGRATION RELAY) 

  9. CHECK FUSE (IGN FUSE) 
    1. Remove the IGN fuse from the cowl side junction block RH.
      Fig 9: Identifying IGN Fuse
      GTY145452Courtesy of © TOYOTA, LICENSE AGREEMENT TMS1002
    2. Measure the resistance according to the value(s) in the table below.

      Standard Resistance

      Tester Connection Condition Specified Condition
      IGN fuse Always Below 1 Ω
    3. Reinstall the fuse.

    NG → CHECK FOR SHORT IN ALL HARNESSES AND CONNECTORS CONNECTED TO FUSE AND REPLACE FUSE 

    OK: Go to next step 

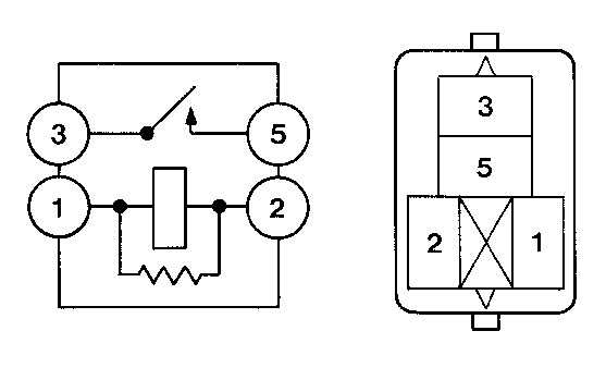
  10. INSPECT IG2 RELAY 
    1. Remove the IG2 relay from the engine room No. 2 relay block.
      Fig 10: Inspecting IG2 Relay
      GTY100984Courtesy of © TOYOTA, LICENSE AGREEMENT TMS1002
    2. Measure the resistance according to the value(s) in the table below.

      Standard Resistance

      Tester Connection Condition Specified Condition
      3 - 5 When no battery voltage applied to terminals 1 and 2 10 kΩ or higher
      3 - 5 When battery voltage applied to terminals 1 and 2 Below 1 Ω
    3. Reinstall the relay.

    NG → REPLACE IGNITION RELAY NO. 2 (IG2) 

    OK: Go to next step 

  11. CHECK HARNESS AND CONNECTOR (ECM - IG2 RELAY) 
    1. Remove the IG2 relay from the engine room No. 2 relay block.
      Fig 11: Identifying IG2 Relay & ECM Connector A5
      GTY120980Courtesy of © TOYOTA, LICENSE AGREEMENT TMS1002
    2. Disconnect the ECM connector.
    3. Measure the resistance according to the value(s) in the table below.

      Standard Resistance (Check for Open)

      Tester Connection Condition Specified Condition
      IG2 relay (3) - A5-8 (IGSW) Always Below 1 Ω

      Standard Resistance (Check for Short)

      Tester Connection Condition Specified Condition
      IG2 relay (3) or A5-8 (IGSW) Body ground Always 10 kΩ or higher
    4. Reinstall the IG2 relay.
    5. Reconnect the ECM connector.

    NG → REPAIR OR REPLACE HARNESS OR CONNECTOR 

    OK: Go to next step 

  12. CHECK FUSE (IG2 MAIN FUSE) 
    1. Remove the IG2 MAIN fuse the engine room No. 1 relay block.
      Fig 12: Identifying IG2 Main Fuse
      GTY148734Courtesy of © TOYOTA, LICENSE AGREEMENT TMS1002
    2. Measure the resistance according to the value(s) in the table below.

      Standard Resistance

      Tester Connection Condition Specified Condition
      IG2 MAIN fuse Always Below 1 Ω
    3. Reinstall the IG2 MAIN fuse.

    NG → CHECK FOR SHORT IN ALL HARNESSES AND CONNECTORS CONNECTED TO FUSE AND REPLACE FUSE (IG2 MAIN FUSE) 

    OK: Go to next step 

  13. CHECK HARNESS AND CONNECTOR (IG2 RELAY POWER SOURCE CIRCUIT) 
    1. Remove the IG2 relay from the engine room No. 2 relay block.
      Fig 13: Identifying IG2 Relay
      GTY142749Courtesy of © TOYOTA, LICENSE AGREEMENT TMS1002
    2. Measure the voltage according to the value(s) in the table below.

      Standard Voltage

      Tester Connection Switch Condition Specified Condition
      IG2 relay (5) - Body ground Always 11 to 14 V
    3. Reinstall the IG2 relay.

    NG → REPAIR OR REPLACE HARNESS OR CONNECTOR (IG2 RELAY - BATTERY) 

    OK → See step   17 

  14. PROCEED TO NEXT CIRCUIT INSPECTION SHOWN IN PROBLEM SYMPTOMS TABLE. Refer to  PROBLEM SYMPTOMS TABLE 
  15. REPLACE ECM. Refer to  REMOVAL 
  16. REPLACE INTEGRATION NO. 1 RELAY. Refer to  REMOVAL 
  17. GO TO SMART ACCESS SYSTEM WITH PUSH-BUTTON START. Refer to  HOW TO PROCEED WITH TROUBLESHOOTING