LEMON Manuals: Even more car manuals for everyone: 1960-2025
Home >> Lexus >> 2009 >> IS F >> Repair and Diagnosis >> Engine Performance >> System >> Engine Control (SFI) System (Diagnostic Codes & Circuit Tests) >> SFI System >> Fuel Pump Control Circuit >> Procedure
April 5, 2026: LEMON Manuals is launched! Read the announcement.

Fuel Pump Control Circuit: Procedure

  1. CHECK FUEL PUMP OPERATION 
    1. Check the fuel pump operation. Refer to ON-VEHICLE INSPECTION .

    NG → See step   5 

    OK: Go to next step 

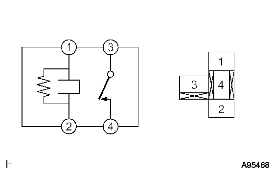
  2. INSPECT F/PMP RELAY 
    1. Remove the F/PMP relay from the engine room No. 2 relay block.
      Fig 1: Inspecting F/Pump Relay
      GTY136599Courtesy of © TOYOTA, LICENSE AGREEMENT TMS1002
    2. Measure the resistance according to the value(s) in the table below.

      Standard Resistance

      Tester Connection Condition Specified Condition
      3 - 4 When no battery voltage applied to terminals 1 and 2 Below 1 Ω
      3 - 4 When battery voltage applied to terminals 1 and 2 10 kΩ or higher
    3. Reinstall the F/PMP relay.

    NG → REPLACE F/PMP RELAY 

    OK: Go to next step 

  3. INSPECT FUEL PUMP RESISTOR 
    1. Disconnect the fuel pump resister connector.
      Fig 2: Inspecting Fuel Pump Resistor
      GTY143418Courtesy of © TOYOTA, LICENSE AGREEMENT TMS1002
    2. Measure the resistance according to the value(s) in the table below.

      Standard Resistance

      Tester Connection Condition Specified Condition
      1 - 2 20°C (68°F) 0.30 to 0.34 Ω
    3. Reconnect the fuel pump resister connector.

    NG → See step   15 

    OK: Go to next step 

  4. CHECK HARNESS AND CONNECTOR (F/PMP RELAY - FUEL PUMP RESISTOR) 
    1. Remove the F/PMP relay from the engine room No. 2 relay block.
      Fig 3: Identifying Fuel Pump Relay & Fuel Pump Resistor Connector A40
      GTY127456Courtesy of © TOYOTA, LICENSE AGREEMENT TMS1002
    2. Disconnect the fuel pump resistor connector.
    3. Measure the resistance according to the value(s) in the table below.

      Standard Resistance (Check for Open)

      Tester Connection Condition Specified Condition
      F/PMP relay (4) - Fuel pump resistor (A40-2) Always Below 1 Ω
      F/PMP relay (3) - Fuel pump resistor (A40-1) Always Below 1 Ω

      Standard Resistance (Check for Short)

      Tester Connection Condition Specified Condition
      Fuel pump relay (4) or Fuel pump resistor (A40-2) - Body ground Always 10 kΩ or higher
      Fuel pump relay (3) or Fuel pump resistor (A40-1) - Body ground Always 10 kΩ or higher
    4. Reinstall the F/PMP relay.
    5. Reconnect the fuel pump resister connector.

    NG → REPAIR OR REPLACE HARNESS OR CONNECTOR 

    OK → See step   16 

  5. PERFORM ACTIVE TEST USING TECHSTREAM (OPERATE CIRCUIT OPENING RELAY) 
    1. Connect the Techstream to the DLC3.
    2. Turn the engine switch on (IG) and turn the Techstream ON.
    3. Enter the following menus: Powertrain / Engine / Active Test /Activate the Fuel Pump Speed Control.
    4. Check the operation of the relay while operating it using the Techstream.

      OK

      Operating noise can be heard from the relay.

    NG → See step   11 

    OK: Go to next step 

  6. INSPECT FUEL PUMP 
    1. Inspect fuel pump resistance.
      Fig 4: Identifying Fuel Pump Connector
      GTY123099Courtesy of © TOYOTA, LICENSE AGREEMENT TMS1002
      1. Remove the fuel pump.
      2. Measure the resistance according to the value(s) in the table below.

        Standard Resistance

        Tester Connection Condition Specified Condition
        4 - 5 20°C (68°F) 0.2 to 3.0 Ω
    2. Inspect fuel pump operation.
      1. Apply battery voltage to both terminals. Check that the pump operates.
        NOTE:
        • These tests must be done quickly (within 10 seconds) to prevent the coil from burning out.
        • Keep the fuel pump as far away from the battery as possible.
        • Always turn the voltage on and off on the battery side, not the fuel pump side.
      2. Reinstall the fuel pump.

    NG → See step   17 

    OK: Go to next step 

  7. CHECK HARNESS AND CONNECTOR (FUEL PUMP - F/PMP RELAY AND BODY GROUND) 
    1. Check the harness and the connectors between the fuel pump and the F/PMP relay.
      Fig 5: Identifying Fuel Pump Connector Q14 And F/Pmp Relay
      GTY148728Courtesy of © TOYOTA, LICENSE AGREEMENT TMS1002
      1. Disconnect the fuel pump connector.
      2. Remove the F/PMP relay from the engine room No. 2 relay block.
      3. Measure the resistance according to the value(s) in the table below.

        Standard Resistance (Check for Open)

        Tester Connection Condition Specified Condition
        Fuel pump (Q14-4) - F/PMP relay (4) Always Below 1 Ω

        Standard Resistance (Check for Short)

        Tester Connection Condition Specified Condition
        Fuel pump (Q14-4) or F/PMP (4) - Body ground Always 10 kΩ or higher
      4. Reinstall the F/PMP relay.
    2. Check the harness and the connectors between the fuel pump and body ground.
      1. Measure the resistance according to the value(s) in the table below.

        Standard Resistance (Check for Open)

        Tester Connection Condition Specified Condition
        Fuel pump (Q14-5) - Body ground Always 10 kΩ or higher
      2. Reconnect the fuel pump connector.

    NG → REPAIR OR REPLACE HARNESS OR CONNECTOR 

    OK: Go to next step 

  8. CHECK HARNESS AND CONNECTOR (INTEGRATION RELAY - F/PMP RELAY) 
    1. Remove the integration relay from the engine room No. 2 relay block.
      Fig 6: Checking Harness And Connector (Integration Relay - F/PMP Relay)
      GTY105483Courtesy of © TOYOTA, LICENSE AGREEMENT TMS1002
    2. Remove the F/PMP relay from the engine room No. 2 relay block.
    3. Measure the resistance according to the value(s) in the table below.

      Standard Resistance (Check for Open)

      Tester Connection Condition Specified Condition
      Integration relay (2B-8) - F/PMP relay (1) Always Below 1 Ω
      Integration relay (2B-8) - F/PMP relay (3) Always Below 1 Ω

      Standard Resistance (Check for Short)

      Tester Connection Condition Specified Condition
      Circuit opening relay (2B-8) or F/PMP relay (1) - Body ground Always 10 kΩ or higher
      Circuit opening relay (2B-8) or F/PMP relay (3) - Body ground Always 10 kΩ or higher
    4. Reinstall the relays.

    NG → REPAIR OR REPLACE HARNESS OR CONNECTOR 

    OK: Go to next step 

  9. CHECK HARNESS AND CONNECTOR (FUEL PUMP - BODY GROUND) 
    1. Disconnect the fuel pump connector.
      Fig 7: Identifying Fuel Pump Connector Q14
      GTY122660Courtesy of © TOYOTA, LICENSE AGREEMENT TMS1002
    2. Measure the resistance according to the value(s) in the table below.

      Standard Resistance (Check for Open)

      Tester Connection Condition Specified Condition
      Fuel pump (Q14-5) - Body ground Always Below 1 Ω
    3. Reconnect the fuel pump connector.

    NG → REPAIR OR REPLACE HARNESS OR CONNECTOR 

    OK: Go to next step 

  10. CHECK FUEL LINE 
    1. Check the fuel lines for leaks or blockage.

      OK

      No leaks or blockage

    NG → REPAIR OR REPLACE FUEL LINE 

    OK → REPAIR OR REPLACE FUEL SYSTEM (PRESSURE REGULATOR AND FUEL FILTER) 

  11. INSPECT FUSE (F/PMP FUSE) 
    1. Remove the F/PMP fuse from the engine room No. 2 relay block.
      Fig 8: Identifying F/PMP Fuse
      GTY105480Courtesy of © TOYOTA, LICENSE AGREEMENT TMS1002
    2. Measure the resistance according to the value(s) in the table below.

      Standard Resistance

      Tester Connection Condition Specified Condition
      F/PMP fuse Always Below 1 Ω
    3. Reinstall the F/PMP fuse.

    NG → CHECK FOR SHORT IN ALL HARNESSES AND CONNECTORS CONNECTED TO FUSE AND REPLACE FUSE (F/PMP FUSE) 

    OK: Go to next step 

  12. INSPECT INTEGRATION NO. 1 RELAY (EFI NO. 2 RELAY) 
    1. Remove the integration relay from the engine room No. 2 relay block.
      Fig 9: Identifying Integration Relay
      GTY136624Courtesy of © TOYOTA, LICENSE AGREEMENT TMS1002
    2. Measure the resistance according to the value(s) in the table below.

      Standard Resistance

      Tester Connection Condition Specified Condition
      2B-4 - 2C-1 When no battery voltage applied to terminals 2B-3 and 2B-2 10 kΩ or higher
      2B-4 - 2C-1 When battery voltage applied to terminals 2B-3 and 2B-2 Below 1 Ω
    3. Reinstall the integration relay.

    NG → See step   18 

    OK: Go to next step 

  13. INSPECT INTEGRATION NO. 1 RELAY (C/OPN RELAY) 
    1. Remove the integration relay from the engine room No. 2 relay block.
      Fig 10: Identifying Integration Relay
      GTY136624Courtesy of © TOYOTA, LICENSE AGREEMENT TMS1002
    2. Measure the resistance according to the value(s) in the table below.

      Standard Resistance

      Tester Connection Condition Specified Condition
      2B-6 - 2B-8 When no battery voltage applied to terminals 2B-6 and 2B-7 10 kΩ or higher
      2B-6 - 2B-8 When battery voltage applied to terminals 2B-6 and 2B-7 Below 1 Ω
    3. Reinstall the integration relay.

    NG → See step   18 

    OK: Go to next step 

  14. INSPECT ECM (FC VOLTAGE) 
    1. Turn the engine switch on (IG).
      Fig 11: Identifying ECM Connector E6 And A5
      GTY142809Courtesy of © TOYOTA, LICENSE AGREEMENT TMS1002
    2. Measure the voltage according to the value(s) in the table below.

      Standard Voltage

      Tester Connection Switch Condition Specified Condition
      A5-5 (FC) - E6-1 (E1) Engine Switch on (IG) 11 to 14 V

    NG → CHECK AND REPAIR HARNESS AND CONNECTOR (ECM - C/OPN RELAY) 

    OK → See step   19 

  15. REPLACE FUEL PUMP RESISTOR. Refer to  REMOVAL 
  16. PROCEED TO NEXT CIRCUIT INSPECTION SHOWN IN PROBLEM SYMPTOMS TABLE. Refer to  PROBLEM SYMPTOMS TABLE 
  17. REPLACE FUEL PUMP. Refer to  REMOVAL 
  18. REPLACE INTEGRATION NO. 1 RELAY. Refer to  REMOVAL 
  19. REPLACE ECM. Refer to  REMOVAL