LEMON Manuals: Even more car manuals for everyone: 1960-2025
Home >> Lexus >> 2009 >> IS F >> Repair and Diagnosis >> Engine Performance >> System >> Engine Control (SFI) System (Diagnostic Codes (P0230-P1276)) >> SFI System >> DTC P0705: Transmission Range Sensor Circuit Malfunction (PRNDL Input) >> Wiring Diagram
April 5, 2026: LEMON Manuals is launched! Read the announcement.

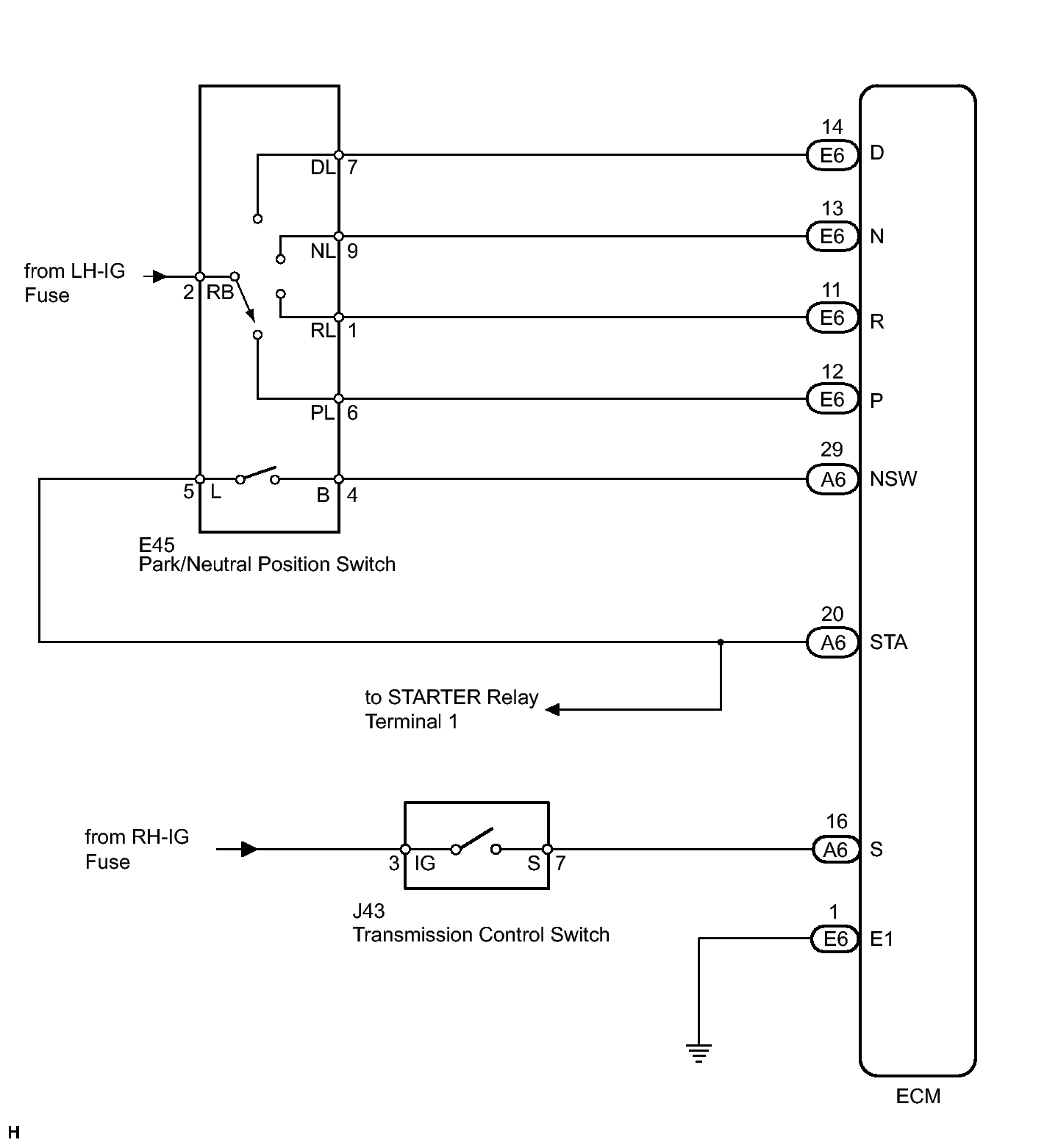
DTC P0705: Transmission Range Sensor Circuit Malfunction (PRNDL Input): Wiring Diagram

Fig 1: Transmission Control Switch & Park/Neutral Position Switch - Wiring Diagram
GTY147586Courtesy of © TOYOTA, LICENSE AGREEMENT TMS1002