LEMON Manuals: Even more car manuals for everyone: 1960-2025
Home >> Lexus >> 2009 >> LS 460 AWD V8-4.6L (1UR-FSE) >> Repair and Diagnosis >> Powertrain Management >> Computers and Control Systems >> Information Bus >> Testing and Inspection >> Component Tests and General Diagnostics >> Electric Power Control ECU Communication Stop Mode
April 5, 2026: LEMON Manuals is launched! Read the announcement.

Electric Power Control ECU Communication Stop Mode








CAN COMMUNICATION: CAN COMMUNICATION SYSTEM: Electric Power Control ECU Communication Stop Mode

Electric Power Control ECU Communication Stop Mode

DESCRIPTION





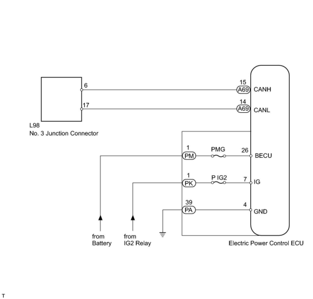
WIRING DIAGRAM





INSPECTION PROCEDURE
HINT: Operating the engine switch, any switches or any doors triggers related ECU and sensor communication with the CAN, which causes resistance variation.

PROCEDURE

1. DISCONNECT CABLE FROM NEGATIVE BATTERY TERMINAL
(a) Disconnect the cable from the negative (-) battery terminal before measuring the resistances of the main wire and the branch wire.
CAUTION:
Wait at least 90 seconds after disconnecting the cable from the negative (-) battery terminal to prevent airbag and seat belt pretensioner activation.
NOTICE:
- After the engine switch is turned off, the HDD navigation system requires approximately 6 minutes to record various types of memory and settings. As a result, after turning the engine switch off, wait 6 minutes or more before disconnecting the cable from the negative (-) battery terminal.
- When disconnecting the cable, some systems need to be initialized after the cable is reconnected Repair Instruction - Initialization.

NEXT -- Continue to next step.

2. CHECK FOR OPEN IN CAN BUS WIRE (ELECTRIC POWER CONTROL ECU BRANCH WIRE)




(a) Disconnect the A69 electric power control ECU connector.
(b) Measure the resistance according to the value(s) in the table below.
Standard resistance:





NG -- REPAIR OR REPLACE ELECTRIC POWER CONTROL ECU BRANCH WIRE OR CONNECTOR (CANH, CANL)
OK -- Continue to next step.

3. CHECK HARNESS AND CONNECTOR (ELECTRIC POWER CONTROL ECU - BATTERY AND BODY GROUND)




(a) Connect the cable to the negative (-) battery terminal.
NOTE:
When disconnecting the cable, some systems need to be initialized after the cable is reconnected Repair Instruction - Initialization.
(b) Disconnect the PA, PK and PM electric power control ECU connectors.
(c) Measure the resistance according to the value(s) in the table below.
Standard resistance:





(d) Measure the voltage according to the value(s) in the table below.
Standard voltage:






NG -- REPAIR OR REPLACE HARNESS OR CONNECTOR
OK -- REPLACE ELECTRIC POWER CONTROL ECU