LEMON Manuals
: Even more car manuals for everyone: 1960-2025
Home
>>
Lexus
>>
2009
>>
LS 460 AWD
>>
Repair and Diagnosis
>>
Electrical
>>
Body Electrical
>>
OEM System Circuits
>>
Back-Up Light
>>
Notes
April 5, 2026:
LEMON Manuals is launched!
Read the announcement.
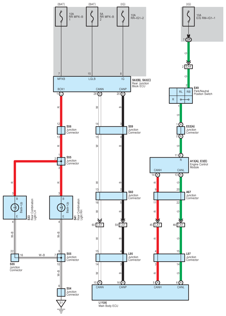
Back-Up Light: Notes
Fig 1: Back-Up Light - Circuit Diagram
Courtesy of © TOYOTA, LICENSE AGREEMENT TMS1002