LEMON Manuals: Even more car manuals for everyone: 1960-2025
Home >> Lexus >> 2009 >> LS 460 AWD >> Repair and Diagnosis >> Electrical >> Body Electrical >> OEM System Circuits >> Electronically Controlled Transmission and A/T Indicator >> Notes
April 5, 2026: LEMON Manuals is launched! Read the announcement.

Electronically Controlled Transmission and A/T Indicator: Notes

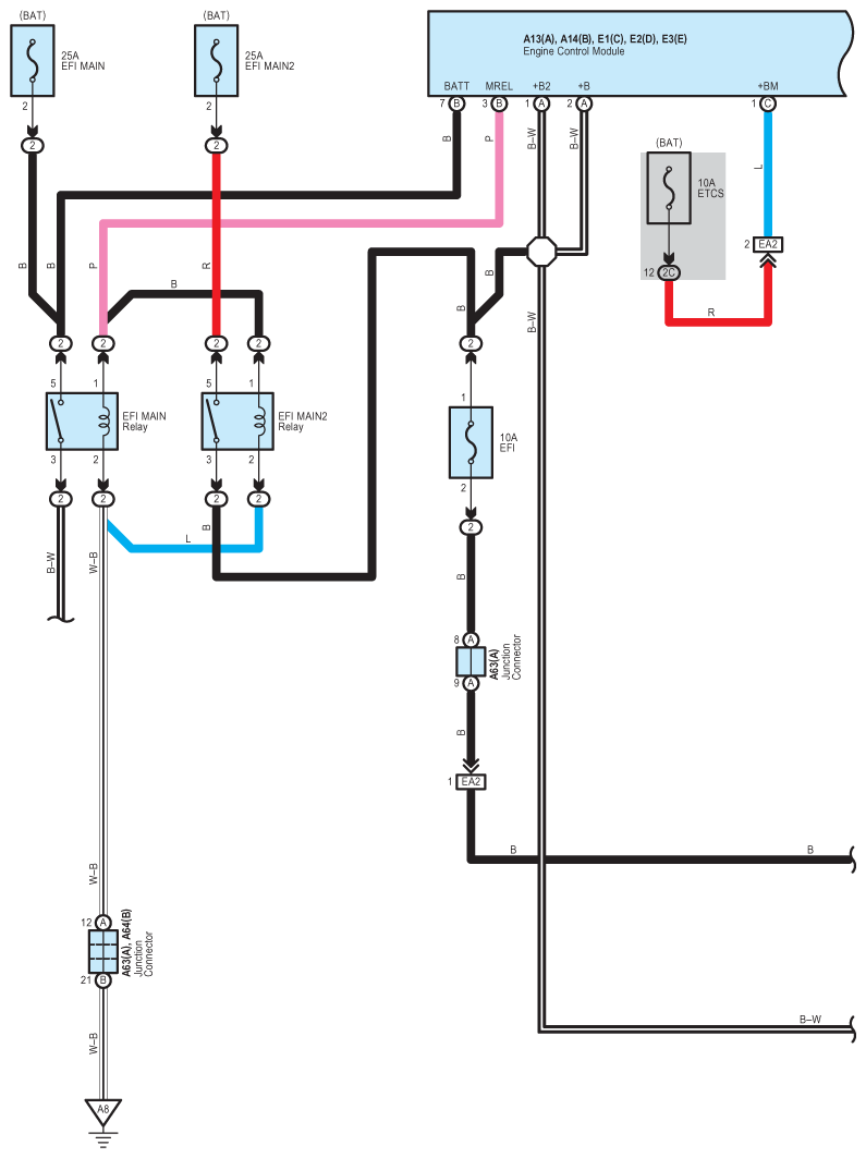
Fig 1: Electronically Controlled Transmission And A/T Indicator - Circuit Diagram (1 Of 12)
G07589504Courtesy of © TOYOTA, LICENSE AGREEMENT TMS1002
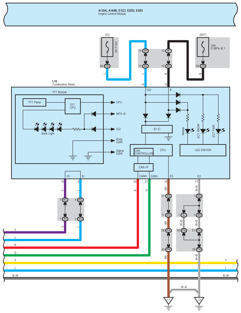
Fig 2: Electronically Controlled Transmission And A/T Indicator - Circuit Diagram (2 Of 12)
G07589505Courtesy of © TOYOTA, LICENSE AGREEMENT TMS1002
Fig 3: Electronically Controlled Transmission And A/T Indicator - Circuit Diagram (3 Of 12)
G07589506Courtesy of © TOYOTA, LICENSE AGREEMENT TMS1002
Fig 4: Electronically Controlled Transmission And A/T Indicator - Circuit Diagram (4 Of 12)
G07589507Courtesy of © TOYOTA, LICENSE AGREEMENT TMS1002
Fig 5: Electronically Controlled Transmission And A/T Indicator - Circuit Diagram (5 Of 12)
G07589508Courtesy of © TOYOTA, LICENSE AGREEMENT TMS1002
Fig 6: Electronically Controlled Transmission And A/T Indicator - Circuit Diagram (6 Of 12)
G07589509Courtesy of © TOYOTA, LICENSE AGREEMENT TMS1002
Fig 7: Electronically Controlled Transmission And A/T Indicator - Circuit Diagram (7 Of 12)
G07589510Courtesy of © TOYOTA, LICENSE AGREEMENT TMS1002
Fig 8: Electronically Controlled Transmission And A/T Indicator - Circuit Diagram (8 Of 12)
G07589511Courtesy of © TOYOTA, LICENSE AGREEMENT TMS1002
Fig 9: Electronically Controlled Transmission And A/T Indicator - Circuit Diagram (9 Of 12)
G07589512Courtesy of © TOYOTA, LICENSE AGREEMENT TMS1002
Fig 10: Electronically Controlled Transmission And A/T Indicator - Circuit Diagram (10 Of 12)
G07589513Courtesy of © TOYOTA, LICENSE AGREEMENT TMS1002
Fig 11: Electronically Controlled Transmission And A/T Indicator - Circuit Diagram (11 Of 12)
G07589514Courtesy of © TOYOTA, LICENSE AGREEMENT TMS1002
Fig 12: Electronically Controlled Transmission And A/T Indicator - Circuit Diagram (12 Of 12)
G07589515Courtesy of © TOYOTA, LICENSE AGREEMENT TMS1002