LEMON Manuals: Even more car manuals for everyone: 1960-2025
Home >> Lexus >> 2009 >> LS 460 AWD >> Repair and Diagnosis >> Electrical >> Body Electrical >> OEM System Circuits >> LEXUS Link System (Mayday System) >> Notes
April 5, 2026: LEMON Manuals is launched! Read the announcement.

LEXUS Link System (Mayday System): Notes

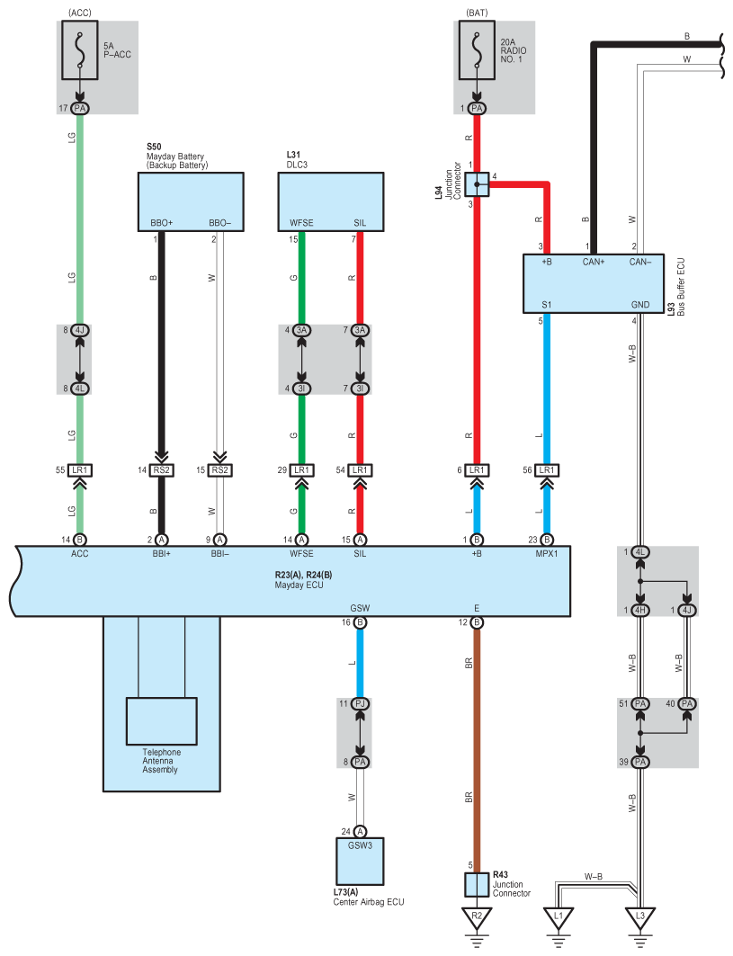
Fig 1: Lexus Link System (Mayday System) - Circuit Diagram (1 Of 8)
G07589724Courtesy of © TOYOTA, LICENSE AGREEMENT TMS1002
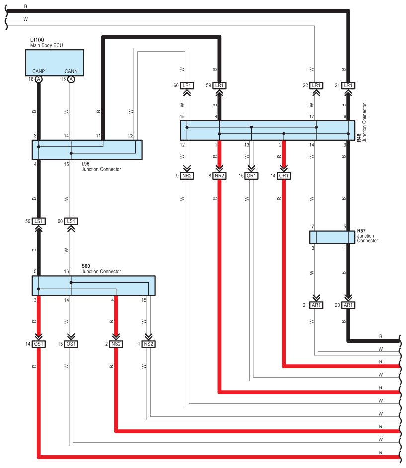
Fig 2: Lexus Link System (Mayday System) - Circuit Diagram (2 Of 8)
G07589725Courtesy of © TOYOTA, LICENSE AGREEMENT TMS1002
Fig 3: Lexus Link System (Mayday System) - Circuit Diagram (3 Of 8)
G07589726Courtesy of © TOYOTA, LICENSE AGREEMENT TMS1002
Fig 4: Lexus Link System (Mayday System) - Circuit Diagram (4 Of 8)
G07589727Courtesy of © TOYOTA, LICENSE AGREEMENT TMS1002
Fig 5: Lexus Link System (Mayday System) - Circuit Diagram (5 Of 8)
G07589728Courtesy of © TOYOTA, LICENSE AGREEMENT TMS1002
Fig 6: Lexus Link System (Mayday System) - Circuit Diagram (6 Of 8)
G07589729Courtesy of © TOYOTA, LICENSE AGREEMENT TMS1002
Fig 7: Lexus Link System (Mayday System) - Circuit Diagram (7 Of 8)
G07589730Courtesy of © TOYOTA, LICENSE AGREEMENT TMS1002
Fig 8: Lexus Link System (Mayday System) - Circuit Diagram (8 Of 8)
G07589731Courtesy of © TOYOTA, LICENSE AGREEMENT TMS1002