LEMON Manuals: Even more car manuals for everyone: 1960-2025
Home >> Lexus >> 2009 >> LS 460 AWD >> Repair and Diagnosis >> Electrical >> Body Electrical >> OEM System Circuits >> Power Outlet (115V) >> Notes
April 5, 2026: LEMON Manuals is launched! Read the announcement.

Power Outlet (115V): Notes

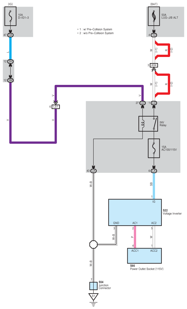
Fig 1: Power Outlet (115V) - Circuit Diagram
G07589678Courtesy of © TOYOTA, LICENSE AGREEMENT TMS1002