LEMON Manuals: Even more car manuals for everyone: 1960-2025
Home >> Lexus >> 2009 >> LS 460L AWD >> Repair and Diagnosis >> Electrical >> Body Electrical >> OEM System Circuits >> Illumination >> Notes
April 5, 2026: LEMON Manuals is launched! Read the announcement.

OEM System Circuits: Illumination: Notes

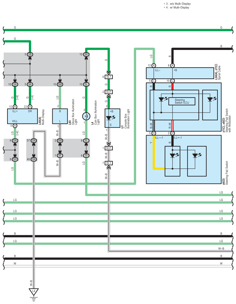
Fig 1: Illumination - Circuit Diagram (1 Of 14)
G07589430Courtesy of © TOYOTA, LICENSE AGREEMENT TMS1002
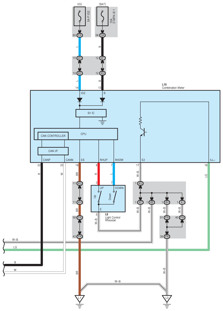
Fig 2: Illumination - Circuit Diagram (2 Of 14)
G07589431Courtesy of © TOYOTA, LICENSE AGREEMENT TMS1002
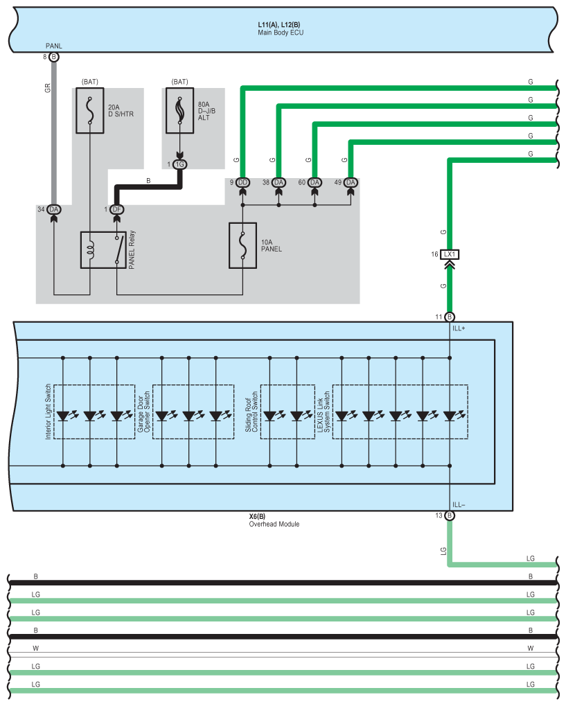
Fig 3: Illumination - Circuit Diagram (3 Of 14)
G07589432Courtesy of © TOYOTA, LICENSE AGREEMENT TMS1002
Fig 4: Illumination - Circuit Diagram (4 Of 14)
G07589433Courtesy of © TOYOTA, LICENSE AGREEMENT TMS1002
Fig 5: Illumination - Circuit Diagram (5 Of 14)
G07589434Courtesy of © TOYOTA, LICENSE AGREEMENT TMS1002
Fig 6: Illumination - Circuit Diagram (6 Of 14)
G07589435Courtesy of © TOYOTA, LICENSE AGREEMENT TMS1002
Fig 7: Illumination - Circuit Diagram (7 Of 14)
G07589436Courtesy of © TOYOTA, LICENSE AGREEMENT TMS1002
Fig 8: Illumination - Circuit Diagram (8 Of 14)
G07589437Courtesy of © TOYOTA, LICENSE AGREEMENT TMS1002
Fig 9: Illumination - Circuit Diagram (9 Of 14)
G07589438Courtesy of © TOYOTA, LICENSE AGREEMENT TMS1002
Fig 10: Illumination - Circuit Diagram (10 Of 14)
G07589439Courtesy of © TOYOTA, LICENSE AGREEMENT TMS1002
Fig 11: Illumination - Circuit Diagram (11 Of 14)
G07589440Courtesy of © TOYOTA, LICENSE AGREEMENT TMS1002
Fig 12: Illumination - Circuit Diagram (12 Of 14)
G07589441Courtesy of © TOYOTA, LICENSE AGREEMENT TMS1002
Fig 13: Illumination - Circuit Diagram (13 Of 14)
G07589442Courtesy of © TOYOTA, LICENSE AGREEMENT TMS1002
Fig 14: Illumination - Circuit Diagram (14 Of 14)
G07589443Courtesy of © TOYOTA, LICENSE AGREEMENT TMS1002