LEMON Manuals: Even more car manuals for everyone: 1960-2025
Home >> Lexus >> 2009 >> LS 460L AWD >> Repair and Diagnosis >> External Pages >> Different car >> Section 115 (Audio / Visual (Diagnostics - Introduction)) >> Audio And Visual System >> System Diagram >> System Diagram
April 5, 2026: LEMON Manuals is launched! Read the announcement.

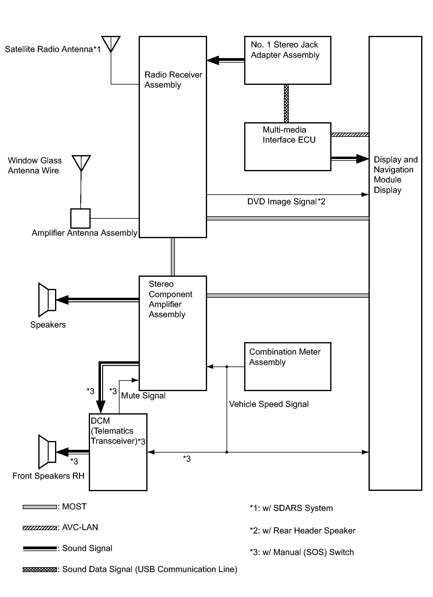
System Diagram

WARNING: This page is about a different car, the 2010 Lexus GS 450h. However, it is still accessible from the selected car via links, so may be relevant.
Fig 1: Identifying Audio And Visual System Diagram
GTY261612Courtesy of © TOYOTA, LICENSE AGREEMENT TMS1002