LEMON Manuals: Even more car manuals for everyone: 1960-2025
Home >> Lexus >> 2009 >> LS 460L RWD >> Repair and Diagnosis >> Electrical >> Body Electrical >> OEM System Circuits >> Headlight >> Notes
April 5, 2026: LEMON Manuals is launched! Read the announcement.

OEM System Circuits: Headlight: Notes

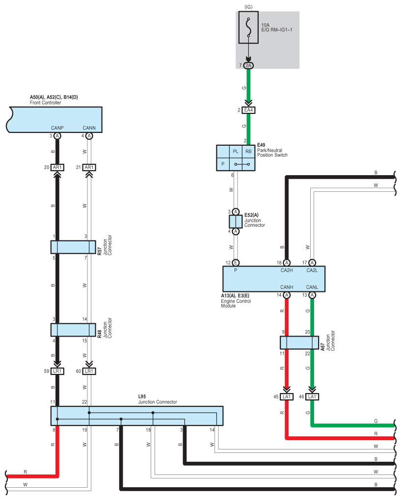
Fig 1: Headlight - Circuit Diagram (1 Of 6)
G07589411Courtesy of © TOYOTA, LICENSE AGREEMENT TMS1002
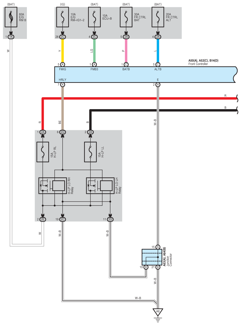
Fig 2: Headlight - Circuit Diagram (2 Of 6)
G07589412Courtesy of © TOYOTA, LICENSE AGREEMENT TMS1002
Fig 3: Headlight - Circuit Diagram (3 Of 6)
G07589413Courtesy of © TOYOTA, LICENSE AGREEMENT TMS1002
Fig 4: Headlight - Circuit Diagram (4 Of 6)
G07589414Courtesy of © TOYOTA, LICENSE AGREEMENT TMS1002
Fig 5: Headlight - Circuit Diagram (5 Of 6)
G07589415Courtesy of © TOYOTA, LICENSE AGREEMENT TMS1002
Fig 6: Headlight - Circuit Diagram (6 Of 6)
G07589416Courtesy of © TOYOTA, LICENSE AGREEMENT TMS1002