LEMON Manuals: Even more car manuals for everyone: 1960-2025
Home >> Lexus >> 2009 >> LS 460L RWD >> Repair and Diagnosis >> Electrical >> Body Electrical >> OEM System Circuits >> VGRS System >> Notes
April 5, 2026: LEMON Manuals is launched! Read the announcement.

VGRS System: Notes

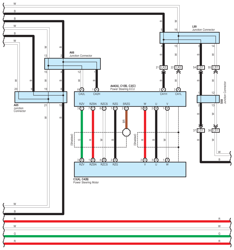
Fig 1: VGRS System - Circuit Diagram (1 Of 5)
G07589583Courtesy of © TOYOTA, LICENSE AGREEMENT TMS1002
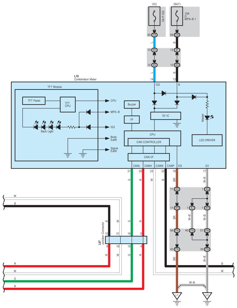
Fig 2: VGRS System - Circuit Diagram (2 Of 5)
G07589584Courtesy of © TOYOTA, LICENSE AGREEMENT TMS1002
Fig 3: VGRS System - Circuit Diagram (3 Of 5)
G07589585Courtesy of © TOYOTA, LICENSE AGREEMENT TMS1002
Fig 4: VGRS System - Circuit Diagram (4 Of 5)
G07589586Courtesy of © TOYOTA, LICENSE AGREEMENT TMS1002
Fig 5: VGRS System - Circuit Diagram (5 Of 5)
G07589587Courtesy of © TOYOTA, LICENSE AGREEMENT TMS1002