LEMON Manuals: Even more car manuals for everyone: 1960-2025
Home >> Lexus >> 2009 >> LS 600hL >> Repair and Diagnosis >> Electrical >> Body Electrical >> OEM System Circuits >> Illumination >> Notes
April 5, 2026: LEMON Manuals is launched! Read the announcement.

OEM System Circuits: Illumination: Notes

Fig 1: Illumination - Circuit Diagram (1 Of 14)
G07607001Courtesy of © TOYOTA, LICENSE AGREEMENT TMS1002
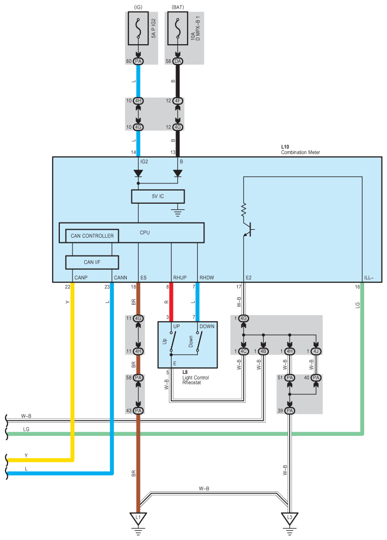
Fig 2: Illumination - Circuit Diagram (2 Of 14)
G07607002Courtesy of © TOYOTA, LICENSE AGREEMENT TMS1002
Fig 3: Illumination - Circuit Diagram (3 Of 14)
G07607003Courtesy of © TOYOTA, LICENSE AGREEMENT TMS1002
Fig 4: Illumination - Circuit Diagram (4 Of 14)
G07607004Courtesy of © TOYOTA, LICENSE AGREEMENT TMS1002
Fig 5: Illumination - Circuit Diagram (5 Of 14)
G07607005Courtesy of © TOYOTA, LICENSE AGREEMENT TMS1002
Fig 6: Illumination - Circuit Diagram (6 Of 14)
G07607006Courtesy of © TOYOTA, LICENSE AGREEMENT TMS1002
Fig 7: Illumination - Circuit Diagram (7 Of 14)
G07607007Courtesy of © TOYOTA, LICENSE AGREEMENT TMS1002
Fig 8: Illumination - Circuit Diagram (8 Of 14)
G07607008Courtesy of © TOYOTA, LICENSE AGREEMENT TMS1002
Fig 9: Illumination - Circuit Diagram (9 Of 14)
G07607009Courtesy of © TOYOTA, LICENSE AGREEMENT TMS1002
Fig 10: Illumination - Circuit Diagram (10 Of 14)
G07607010Courtesy of © TOYOTA, LICENSE AGREEMENT TMS1002
Fig 11: Illumination - Circuit Diagram (11 Of 14)
G07607011Courtesy of © TOYOTA, LICENSE AGREEMENT TMS1002
Fig 12: Illumination - Circuit Diagram (12 Of 14)
G07607012Courtesy of © TOYOTA, LICENSE AGREEMENT TMS1002
Fig 13: Illumination - Circuit Diagram (13 Of 14)
G07607013Courtesy of © TOYOTA, LICENSE AGREEMENT TMS1002
Fig 14: Illumination - Circuit Diagram (14 Of 14)
G07607014Courtesy of © TOYOTA, LICENSE AGREEMENT TMS1002