LEMON Manuals: Even more car manuals for everyone: 1960-2025
Home >> Lexus >> 2009 >> LS 600hL >> Repair and Diagnosis >> Electrical >> Body Electrical >> OEM System Circuits >> Power Outlet (115V) >> Notes
April 5, 2026: LEMON Manuals is launched! Read the announcement.

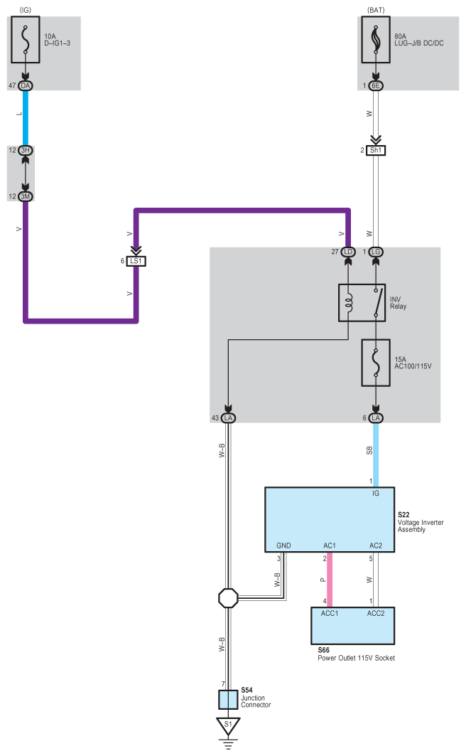
Power Outlet (115V): Notes

Fig 1: Power Outlet (115V) - Circuit Diagram
G07607250Courtesy of © TOYOTA, LICENSE AGREEMENT TMS1002