LEMON Manuals: Even more car manuals for everyone: 1960-2025
Home >> Lexus >> 2009 >> LX 570 >> Repair and Diagnosis >> Electrical >> Body Electrical >> OEM System Circuits >> Cool Box >> Notes
April 5, 2026: LEMON Manuals is launched! Read the announcement.

Cool Box: Notes

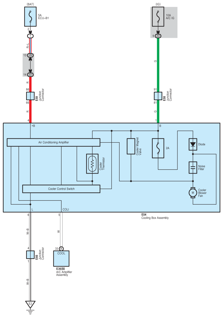
Fig 1: Cool Box - Circuit Diagram
G07600872Courtesy of © TOYOTA, LICENSE AGREEMENT TMS1002