LEMON Manuals: Even more car manuals for everyone: 1960-2025
Home >> Lexus >> 2009 >> LX 570 >> Repair and Diagnosis >> Electrical >> Body Electrical >> OEM System Circuits >> Front Wiper and Washer >> Notes
April 5, 2026: LEMON Manuals is launched! Read the announcement.

Front Wiper and Washer: Notes

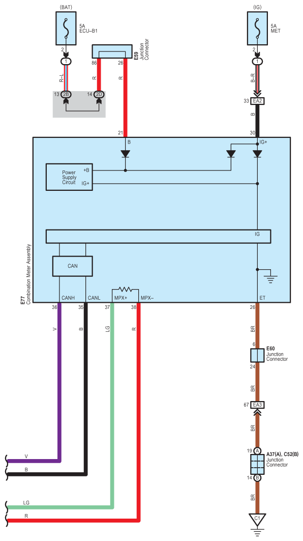
Fig 1: Front Wiper And Washer - Circuit Diagram (1 Of 5)
G07600761Courtesy of © TOYOTA, LICENSE AGREEMENT TMS1002
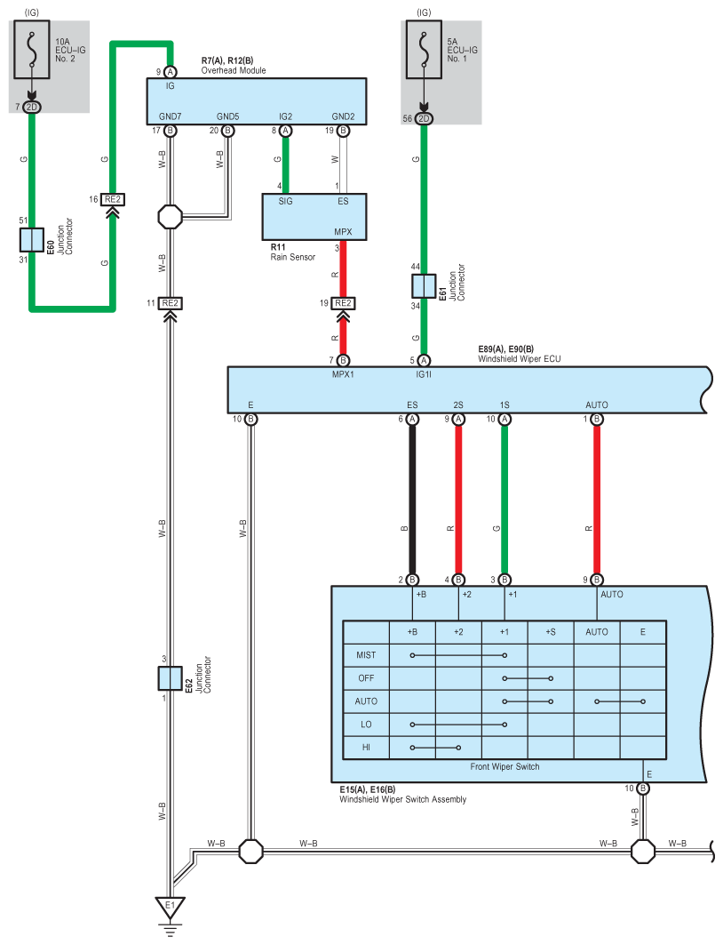
Fig 2: Front Wiper And Washer - Circuit Diagram (2 Of 5)
G07600762Courtesy of © TOYOTA, LICENSE AGREEMENT TMS1002
Fig 3: Front Wiper And Washer - Circuit Diagram (3 Of 5)
G07600763Courtesy of © TOYOTA, LICENSE AGREEMENT TMS1002
Fig 4: Front Wiper And Washer - Circuit Diagram (4 Of 5)
G07600764Courtesy of © TOYOTA, LICENSE AGREEMENT TMS1002
Fig 5: Front Wiper And Washer - Circuit Diagram (5 Of 5)
G07600765Courtesy of © TOYOTA, LICENSE AGREEMENT TMS1002