LEMON Manuals: Even more car manuals for everyone: 1960-2025
Home >> Lexus >> 2009 >> LX 570 >> Repair and Diagnosis >> Electrical >> Body Electrical >> OEM System Circuits >> Multi Mode 4WD >> Notes
April 5, 2026: LEMON Manuals is launched! Read the announcement.

Multi Mode 4WD: Notes

Fig 1: Multi Mode 4WD - Circuit Diagram (1 Of 7)
G07600714Courtesy of © TOYOTA, LICENSE AGREEMENT TMS1002
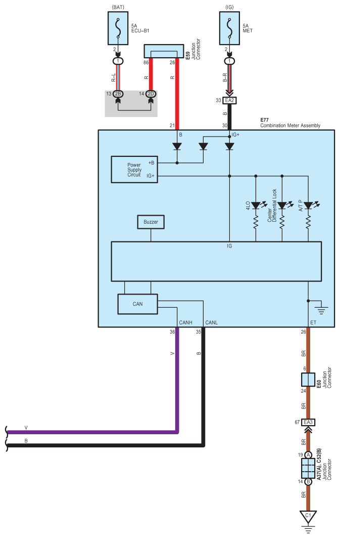
Fig 2: Multi Mode 4WD - Circuit Diagram (2 Of 7)
G07600715Courtesy of © TOYOTA, LICENSE AGREEMENT TMS1002
Fig 3: Multi Mode 4WD - Circuit Diagram (3 Of 7)
G07600716Courtesy of © TOYOTA, LICENSE AGREEMENT TMS1002
Fig 4: Multi Mode 4WD - Circuit Diagram (4 Of 7)
G07600717Courtesy of © TOYOTA, LICENSE AGREEMENT TMS1002
Fig 5: Multi Mode 4WD - Circuit Diagram (5 Of 7)
G07600718Courtesy of © TOYOTA, LICENSE AGREEMENT TMS1002
Fig 6: Multi Mode 4WD - Circuit Diagram (6 Of 7)
G07600719Courtesy of © TOYOTA, LICENSE AGREEMENT TMS1002
Fig 7: Multi Mode 4WD - Circuit Diagram (7 Of 7)
G07600720Courtesy of © TOYOTA, LICENSE AGREEMENT TMS1002