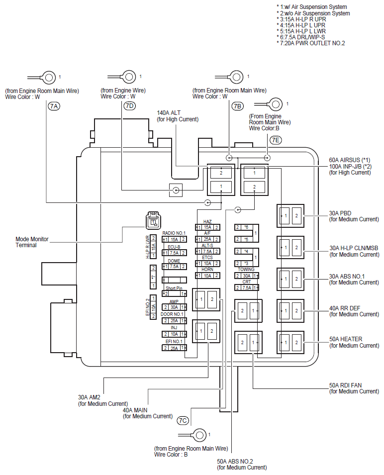
Fusible Link Block
WARNING: This page is about a different car, the 2008 Lexus RX 350. However, it is still accessible from the selected car via links, so may be relevant.
Engine Compartment Left (See Figure)
Fusible Link Block Fuse Identification Legend
| Fuse | System | |
|---|---|---|
| 7.5A | ALT-S | Charging |
| 7.5A | CRT | Audio System (Except MARK LEVINSON) |
| Audio System (MARK LEVINSON) | ||
| LEXUS Navigation System, Parking Assist (Rear View Monitor) | ||
| Seat Belt Warning | ||
| 7.5A | DOME | ABS, TRAC and VSC |
| Adaptive Front-Lighting System | ||
| Air Suspension System | ||
| Audio System (Except MARK LEVINSON) | ||
| Audio System (MARK LEVINSON) | ||
| Charging | ||
| Combination Meter | ||
| Cruise Control | ||
| Door Lock Control | ||
| Dynamic Laser Cruise Control | ||
| Electronically Controlled Transmission and A/T Indicator | ||
| Engine Control | ||
| Front Wiper and Washer (w/ Auto Wiper System) | ||
| Garage Door Opener | ||
| Headlight | ||
| Headlight Beam Level Control | ||
| Illumination | ||
| Interior Light | ||
| Key Reminder | ||
| LEXUS Navigation System, Parking Assist (Rear View Monitor) | ||
| Moon Roof | ||
| Multiplex Communication System (BEAN) | ||
| Seat Belt Warning | ||
| SRS | ||
| Taillight | ||
| Theft Deterrent | ||
| Tire Pressure Warning System | ||
| Wireless Door Lock Control | ||
| 7.5A | DRL/WIP-S | Headlight |
| Multiplex Communication System (BEAN) | ||
| 7.5A | ECU-B | ABS, TRAC and VSC |
| Adaptive Front-Lighting System | ||
| Air Suspension System | ||
| Audio System (Except MARK LEVINSON) | ||
| Audio System (MARK LEVINSON) | ||
| Automatic Air Conditioning | ||
| Automatic Light Control | ||
| Back Door Opener (w/o Power Back Door) | ||
| Charging | ||
| Combination Meter | ||
| Cruise Control | ||
| Door Lock Control | ||
| Dynamic Laser Cruise Control | ||
| Electronically Controlled Transmission and A/T Indicator | ||
| Engine Control | ||
| Front Fog Light | ||
| Front Wiper and Washer (w/ Auto Wiper System) | ||
| Headlight | ||
| Headlight Beam Level Control | ||
| Illumination | ||
| Interior Light | ||
| Key Reminder | ||
| LEXUS Navigation System, Parking Assist (Rear View Monitor) | ||
| Light Auto Turn Off System | ||
| Moon Roof | ||
| Multi Display (w/o LEXUS Navigation System) | ||
| Multiplex Communication System (BEAN) | ||
| Power Back Door | ||
| Power Seat (Driver's Seat w/ Driving Position Memory) | ||
| Power Tilt and Power Telescopic | ||
| Power Window | ||
| Remote Control Mirror and Mirror Heater (w/ Driving Position Memory) | ||
| Seat Belt Warning | ||
| SRS | ||
| Taillight | ||
| Theft Deterrent | ||
| Tire Pressure Warning System | ||
| Trailer Towing | ||
| Wireless Door Lock Control | ||
| 10A | EFI NO. 2 | Electronically Controlled Transmission and A/T Indicator |
| Engine Control | ||
| 10A | ETCS | Cruise Control |
| Dynamic Laser Cruise Control | ||
| Electronically Controlled Transmission and A/T Indicator | ||
| Engine Control | ||
| 10A | HORN | Horn |
| Multiplex Communication System (BEAN) | ||
| Theft Deterrent | ||
| Wireless Door Lock Control | ||
| 10A | INJ | Engine Control |
| Ignition | ||
| 15A | HAZ | Trailer Towing |
| Turn Signal and Hazard Warning Light | ||
| 15A | H-LP L LWR | Headlight |
| Multiplex Communication System (BEAN) | ||
| 15A | H-LP L UPR | Headlight |
| Multiplex Communication System (BEAN) | ||
| 15A | H-LP R LWR | Headlight |
| Multiplex Communication System (BEAN) | ||
| 15A | H-LP R UPR | Headlight |
| Multiplex Communication System (BEAN) | ||
| 15A | RADIO NO. 1 | Audio System (Except MARK LEVINSON) |
| Audio System (MARK LEVINSON) | ||
| LEXUS Navigation System, Parking Assist (Rear View Monitor) | ||
| 20A | PWR OUTLET NO. 2 | Power Outlet |
| 25A | A/F | Engine Control |
| 25A | DOOR NO. 1 | Automatic Light Control |
| Back Door Opener (w/o Power Back Door) | ||
| Door Lock Control | ||
| Front Fog Light | ||
| Front Wiper and Washer (w/ Auto Wiper System) | ||
| Headlight | ||
| Interior Light | ||
| Key Reminder | ||
| Light Auto Turn Off System | ||
| Moon Roof | ||
| Multi Display (w/o LEXUS Navigation System) | ||
| Multiplex Communication System (BEAN) | ||
| Power Back Door | ||
| Power Seat (Driver's Seat w/ Driving Position Memory) | ||
| Power Tilt and Power Telescopic | ||
| Power Window | ||
| Remote Control Mirror and Mirror Heater (w/ Driving Position Memory) | ||
| Theft Deterrent | ||
| Wireless Door Lock Control | ||
| 25A | EFI NO. 1 | Cruise Control |
| Dynamic Laser Cruise Control | ||
| Electronically Controlled Transmission and A/T Indicator | ||
| Engine Control | ||
| 30A | ABS NO. 1 | ABS, TRAC and VSC |
| Dynamic Laser Cruise Control | ||
| 30A | AMP | Audio System (Except MARK LEVINSON) |
| Audio System (MARK LEVINSON) | ||
| 30A | AM2 | Ignition |
| Starting | ||
| 30A | H-LP CLN/MSB | Headlight Cleaner |
| 30A | PBD | Power Back Door |
| 30A | TOWING | Trailer Towing |
| 40A | MAIN | Adaptive Front-Lighting System |
| Automatic Light Control | ||
| Headlight | ||
| Headlight Beam Level Control | ||
| Headlight Cleaner | ||
| Light Auto Turn Off System | ||
| Multiplex Communication System (BEAN) | ||
| Wireless Door Lock Control | ||
| 40A | RR DEF | Rear Window Defogger |
| 50A | ABS NO. 2 | ABS, TRAC and VSC |
| Dynamic Laser Cruise Control | ||
| 50A | HEATER | Automatic Air Conditioning |
| 50A | RDI FAN | Cooling Fan |
| 60A | AIRSUS | Air Suspension System |
| 100A | INP-J/B | Automatic Light Control |
| Front Fog Light | ||
| Illumination | ||
| Light Auto Turn Off System | ||
| Multiplex Communication System (BEAN) | ||
| Seat Heater | ||
| Starting | ||
| Taillight | ||
| Theft Deterrent | ||
| Trailer Towing | ||
| Wireless Door Lock Control | ||
| 140A | ALT | ABS, TRAC and VSC |
| Automatic Air Conditioning | ||
| Automatic Light Control | ||
| Charging | ||
| Cooling Fan | ||
| Dynamic Laser Cruise Control | ||
| Front Fog Light | ||
| Illumination | ||
| Light Auto Turn Off System | ||
| Multiplex Communication System (BEAN) | ||
| Seat Heater | ||
| Starting | ||
| Taillight | ||
| Theft Deterrent | ||
| Trailer Towing | ||
| Wireless Door Lock Control | ||