LEMON Manuals: Even more car manuals for everyone: 1960-2025
Home >> Lexus >> 2009 >> RX 350 FWD >> Repair and Diagnosis (Single Page) >> Engine Performance >> Engine Control Systems >> Engine Control System (Service Information) >> Air Fuel Ratio Sensor Relay >> Inspection >> Inspection
April 5, 2026: LEMON Manuals is launched! Read the announcement.

Air Fuel Ratio Sensor Relay: Inspection: Inspection

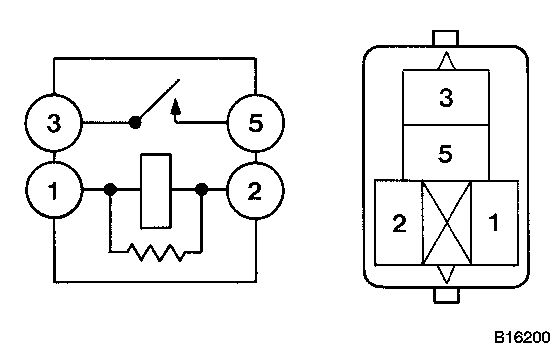
  1. INSPECT AIR FUEL RATIO SENSOR RELAY 
    1. Using an ohmmeter, measure the resistance according to the value(s) in the table below.
      Fig 1: Identifying Relay Diagram & Test Terminals
      GTY100961Courtesy of © TOYOTA, LICENSE AGREEMENT TMS1002

      Standard resistance

      Tester Connection Specified Condition
      3 - 5 10 kΩ or higher
      3 - 5 Below 1 Ω (Apply battery voltage between terminals 1 and 2)

      If the result is not as specified, replace the relay.