LEMON Manuals: Even more car manuals for everyone: 1960-2025
Home >> Lexus >> 2009 >> RX 350 FWD >> Repair and Diagnosis >> Electrical >> Body Electrical >> OEM System Circuits >> Dynamic Laser Cruise Control >> Notes
April 5, 2026: LEMON Manuals is launched! Read the announcement.

Dynamic Laser Cruise Control: Notes

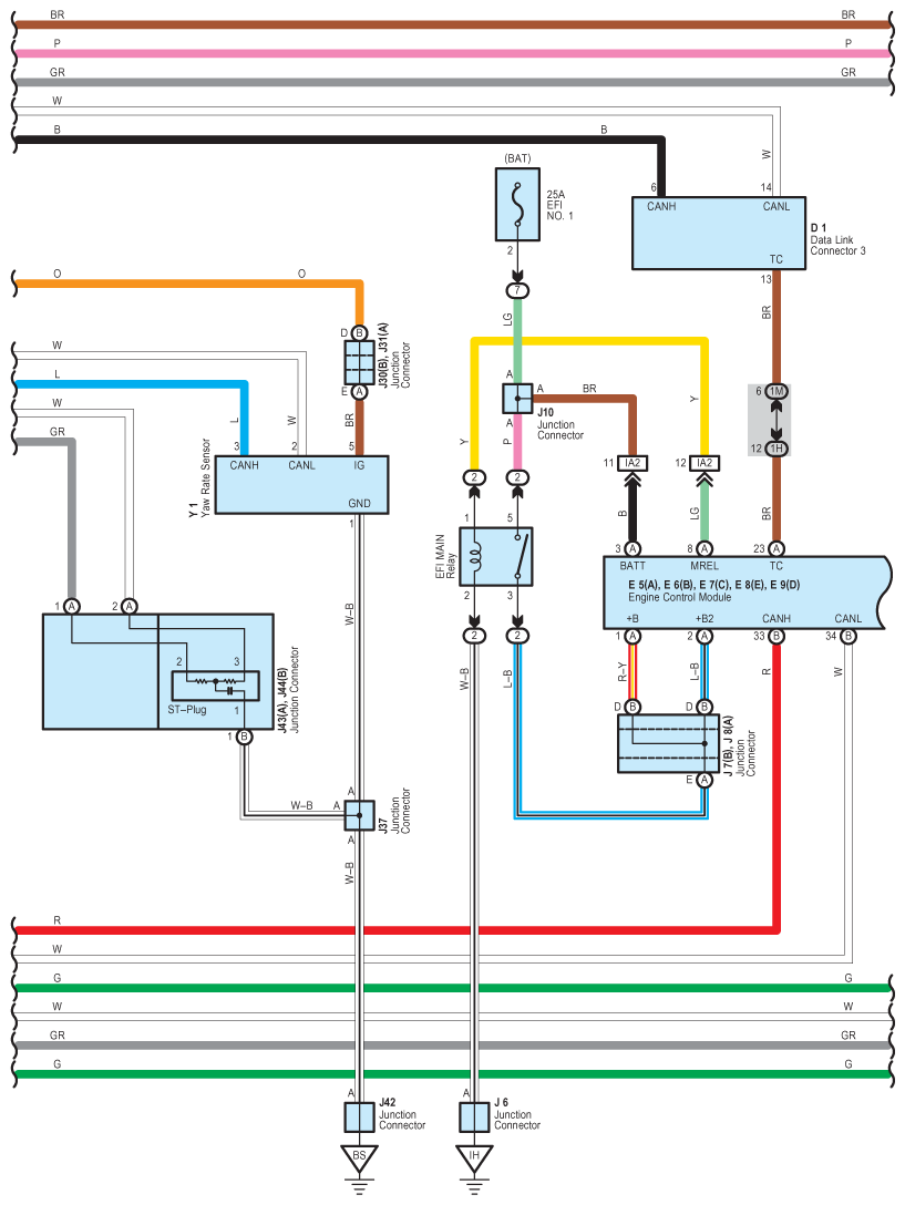
Fig 1: Dynamic Laser Cruise Control - Circuit Diagram (1 Of 10)
G07614447Courtesy of © TOYOTA, LICENSE AGREEMENT TMS1002
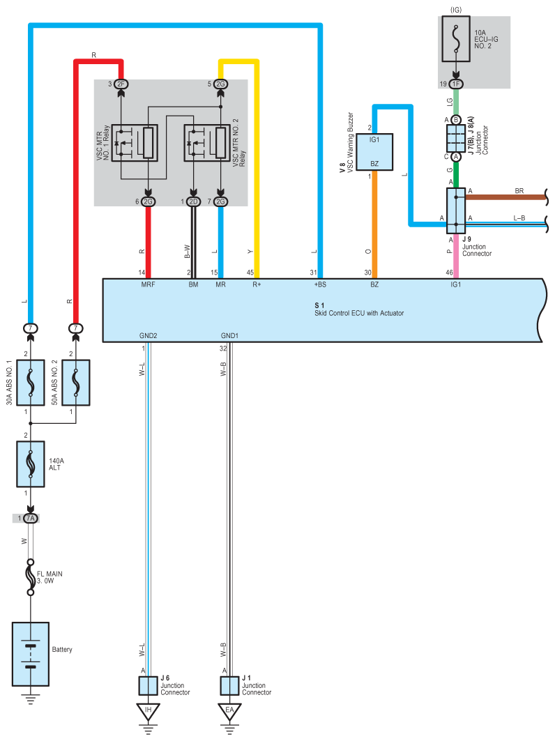
Fig 2: Dynamic Laser Cruise Control - Circuit Diagram (2 Of 10)
G07614448Courtesy of © TOYOTA, LICENSE AGREEMENT TMS1002
Fig 3: Dynamic Laser Cruise Control - Circuit Diagram (3 Of 10)
G07614449Courtesy of © TOYOTA, LICENSE AGREEMENT TMS1002
Fig 4: Dynamic Laser Cruise Control - Circuit Diagram (4 Of 10)
G07614450Courtesy of © TOYOTA, LICENSE AGREEMENT TMS1002
Fig 5: Dynamic Laser Cruise Control - Circuit Diagram (5 Of 10)
G07614451Courtesy of © TOYOTA, LICENSE AGREEMENT TMS1002
Fig 6: Dynamic Laser Cruise Control - Circuit Diagram (6 Of 10)
G07614452Courtesy of © TOYOTA, LICENSE AGREEMENT TMS1002
Fig 7: Dynamic Laser Cruise Control - Circuit Diagram (7 Of 10)
G07614453Courtesy of © TOYOTA, LICENSE AGREEMENT TMS1002
Fig 8: Dynamic Laser Cruise Control - Circuit Diagram (8 Of 10)
G07614454Courtesy of © TOYOTA, LICENSE AGREEMENT TMS1002
Fig 9: Dynamic Laser Cruise Control - Circuit Diagram (9 Of 10)
G07614455Courtesy of © TOYOTA, LICENSE AGREEMENT TMS1002
Fig 10: Dynamic Laser Cruise Control - Circuit Diagram (10 Of 10)
G07614456Courtesy of © TOYOTA, LICENSE AGREEMENT TMS1002