LEMON Manuals: Even more car manuals for everyone: 1960-2025
Home >> Lexus >> 2009 >> RX 350 FWD >> Repair and Diagnosis >> Electrical >> Body Electrical >> OEM System Circuits >> Multiplex Communication System - BEAN >> Notes
April 5, 2026: LEMON Manuals is launched! Read the announcement.

Multiplex Communication System - BEAN: Notes

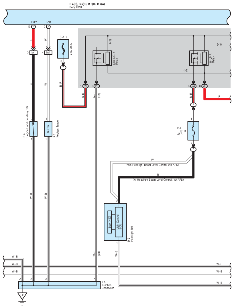
Fig 1: Multiplex Communication System (BEAN) - Circuit Diagram (1 Of 25)
G07614478Courtesy of © TOYOTA, LICENSE AGREEMENT TMS1002
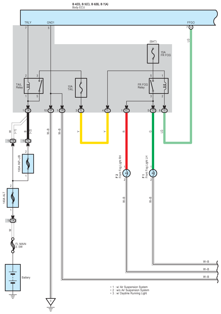
Fig 2: Multiplex Communication System (BEAN) - Circuit Diagram (2 Of 25)
G07614479Courtesy of © TOYOTA, LICENSE AGREEMENT TMS1002
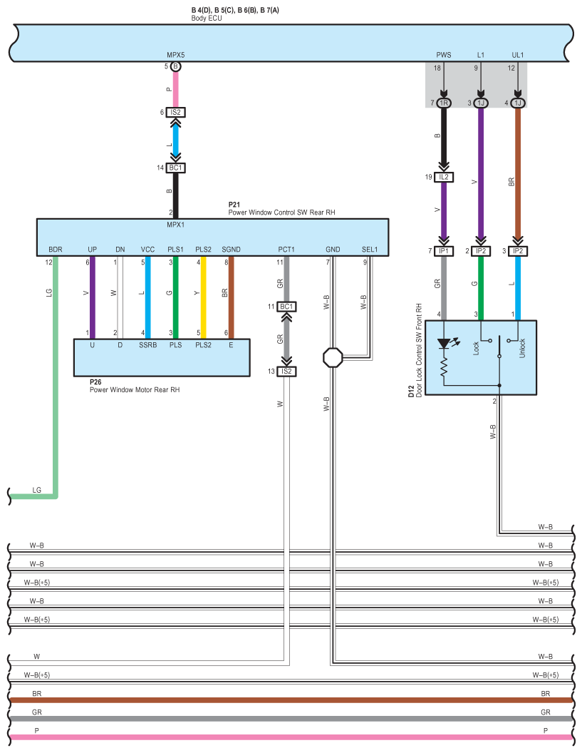
Fig 3: Multiplex Communication System (BEAN) - Circuit Diagram (3 Of 25)
G07614480Courtesy of © TOYOTA, LICENSE AGREEMENT TMS1002
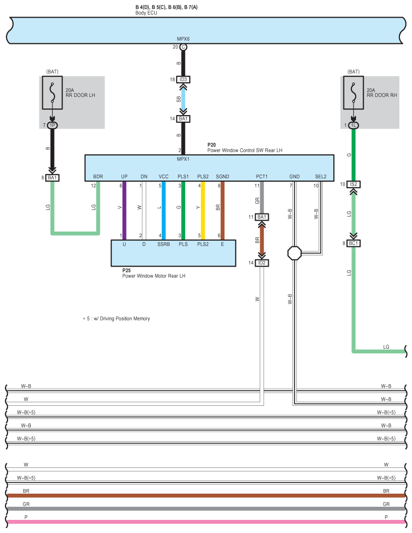
Fig 4: Multiplex Communication System (BEAN) - Circuit Diagram (4 Of 25)
G07614481Courtesy of © TOYOTA, LICENSE AGREEMENT TMS1002
Fig 5: Multiplex Communication System (BEAN) - Circuit Diagram (5 Of 25)
G07614482Courtesy of © TOYOTA, LICENSE AGREEMENT TMS1002
Fig 6: Multiplex Communication System (BEAN) - Circuit Diagram (6 Of 25)
G07614483Courtesy of © TOYOTA, LICENSE AGREEMENT TMS1002
Fig 7: Multiplex Communication System (BEAN) - Circuit Diagram (7 Of 25)
G07614484Courtesy of © TOYOTA, LICENSE AGREEMENT TMS1002
Fig 8: Multiplex Communication System (BEAN) - Circuit Diagram (8 Of 25)
G07614485Courtesy of © TOYOTA, LICENSE AGREEMENT TMS1002
Fig 9: Multiplex Communication System (BEAN) - Circuit Diagram (9 Of 25)
G07614486Courtesy of © TOYOTA, LICENSE AGREEMENT TMS1002
Fig 10: Multiplex Communication System (BEAN) - Circuit Diagram (10 Of 25)
G07614487Courtesy of © TOYOTA, LICENSE AGREEMENT TMS1002
Fig 11: Multiplex Communication System (BEAN) - Circuit Diagram (11 Of 25)
G07614488Courtesy of © TOYOTA, LICENSE AGREEMENT TMS1002
Fig 12: Multiplex Communication System (BEAN) - Circuit Diagram (12 Of 25)
G07614489Courtesy of © TOYOTA, LICENSE AGREEMENT TMS1002
Fig 13: Multiplex Communication System (BEAN) - Circuit Diagram (13 Of 25)
G07614490Courtesy of © TOYOTA, LICENSE AGREEMENT TMS1002
Fig 14: Multiplex Communication System (BEAN) - Circuit Diagram (14 Of 25)
G07614491Courtesy of © TOYOTA, LICENSE AGREEMENT TMS1002
Fig 15: Multiplex Communication System (BEAN) - Circuit Diagram (15 Of 25)
G07614492Courtesy of © TOYOTA, LICENSE AGREEMENT TMS1002
Fig 16: Multiplex Communication System (BEAN) - Circuit Diagram (16 Of 25)
G07614493Courtesy of © TOYOTA, LICENSE AGREEMENT TMS1002
Fig 17: Multiplex Communication System (BEAN) - Circuit Diagram (17 Of 25)
G07614494Courtesy of © TOYOTA, LICENSE AGREEMENT TMS1002
Fig 18: Multiplex Communication System (BEAN) - Circuit Diagram (18 Of 25)
G07614495Courtesy of © TOYOTA, LICENSE AGREEMENT TMS1002
Fig 19: Multiplex Communication System (BEAN) - Circuit Diagram (19 Of 25)
G07614496Courtesy of © TOYOTA, LICENSE AGREEMENT TMS1002
Fig 20: Multiplex Communication System (BEAN) - Circuit Diagram (20 Of 25)
G07614497Courtesy of © TOYOTA, LICENSE AGREEMENT TMS1002
Fig 21: Multiplex Communication System (BEAN) - Circuit Diagram (21 Of 25)
G07614498Courtesy of © TOYOTA, LICENSE AGREEMENT TMS1002
Fig 22: Multiplex Communication System (BEAN) - Circuit Diagram (22 Of 25)
G07614499Courtesy of © TOYOTA, LICENSE AGREEMENT TMS1002
Fig 23: Multiplex Communication System (BEAN) - Circuit Diagram (23 Of 25)
G07614500Courtesy of © TOYOTA, LICENSE AGREEMENT TMS1002
Fig 24: Multiplex Communication System (BEAN) - Circuit Diagram (24 Of 25)
G07614501Courtesy of © TOYOTA, LICENSE AGREEMENT TMS1002
Fig 25: Multiplex Communication System (BEAN) - Circuit Diagram (25 Of 25)
G07614502Courtesy of © TOYOTA, LICENSE AGREEMENT TMS1002