LEMON Manuals: Even more car manuals for everyone: 1960-2025
Home >> Lexus >> 2009 >> RX 350 FWD >> Repair and Diagnosis >> Electrical >> Body Electrical >> OEM System Circuits >> Power Back Door >> Notes
April 5, 2026: LEMON Manuals is launched! Read the announcement.

Power Back Door: Notes

Fig 1: Power Back Door - Circuit Diagram (1 Of 4)
G07614570Courtesy of © TOYOTA, LICENSE AGREEMENT TMS1002
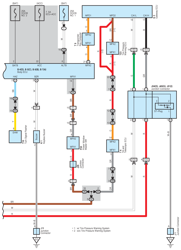
Fig 2: Power Back Door - Circuit Diagram (2 Of 4)
G07614571Courtesy of © TOYOTA, LICENSE AGREEMENT TMS1002
Fig 3: Power Back Door - Circuit Diagram (3 Of 4)
G07614572Courtesy of © TOYOTA, LICENSE AGREEMENT TMS1002
Fig 4: Power Back Door - Circuit Diagram (4 Of 4)
G07614573Courtesy of © TOYOTA, LICENSE AGREEMENT TMS1002