LEMON Manuals: Even more car manuals for everyone: 1960-2025
Home >> Lexus >> 2009 >> SC 430 >> Repair and Diagnosis (Single Page) >> Electrical >> Body Electrical >> OEM System Circuits >> SRS >> Notes
April 5, 2026: LEMON Manuals is launched! Read the announcement.

OEM System Circuits: SRS: Notes

NOTE: When inspecting or repairing the SRS, perform service in accordance with the following precautionary instructions, and the procedure and precautions in the service information applicable for the model year.
Fig 2: SRS - Circuit Diagram (1 Of 6)
G07607787Courtesy of © TOYOTA, LICENSE AGREEMENT TMS1002
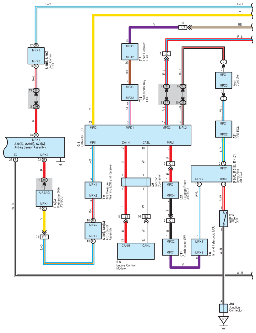
Fig 3: SRS - Circuit Diagram (2 Of 6)
G07607788Courtesy of © TOYOTA, LICENSE AGREEMENT TMS1002
Fig 4: SRS - Circuit Diagram (3 Of 6)
G07607789Courtesy of © TOYOTA, LICENSE AGREEMENT TMS1002
Fig 5: SRS - Circuit Diagram (4 Of 6)
G07607790Courtesy of © TOYOTA, LICENSE AGREEMENT TMS1002
Fig 6: SRS - Circuit Diagram (5 Of 6)
G07607791Courtesy of © TOYOTA, LICENSE AGREEMENT TMS1002
Fig 7: SRS - Circuit Diagram (6 Of 6)
G07607792Courtesy of © TOYOTA, LICENSE AGREEMENT TMS1002