LEMON Manuals: Even more car manuals for everyone: 1960-2025
Home >> Lexus >> 2009 >> SC 430 >> Repair and Diagnosis >> Electrical >> Body Electrical >> OEM System Circuits >> ABS, TRAC, VSC and PPS >> Notes
April 5, 2026: LEMON Manuals is launched! Read the announcement.

ABS, TRAC, VSC and PPS: Notes

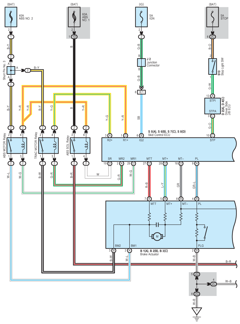
Fig 1: ABS, TRAC, VSC And PPS - Circuit Diagram (1 Of 5)
G07607781Courtesy of © TOYOTA, LICENSE AGREEMENT TMS1002
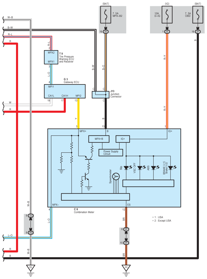
Fig 2: ABS, TRAC, VSC And PPS - Circuit Diagram (2 Of 5)
G07607782Courtesy of © TOYOTA, LICENSE AGREEMENT TMS1002
Fig 3: ABS, TRAC, VSC And PPS - Circuit Diagram (3 Of 5)
G07607783Courtesy of © TOYOTA, LICENSE AGREEMENT TMS1002
Fig 4: ABS, TRAC, VSC And PPS - Circuit Diagram (4 Of 5)
G07607784Courtesy of © TOYOTA, LICENSE AGREEMENT TMS1002
Fig 5: ABS, TRAC, VSC And PPS - Circuit Diagram (5 Of 5)
G07607785Courtesy of © TOYOTA, LICENSE AGREEMENT TMS1002