LEMON Manuals: Even more car manuals for everyone: 1960-2025
Home >> Lexus >> 2009 >> SC 430 >> Repair and Diagnosis >> External Pages >> Different car >> Section 109 (OEM Junction Block, Ecu & Fuse/Relay Locations) >> Junction Block Fuse, Relay & Circuit Identification >> Passenger Side Junction Block Inner Circuit
April 5, 2026: LEMON Manuals is launched! Read the announcement.

Passenger Side Junction Block Inner Circuit

WARNING: This page is about a different car, the 2008 Lexus SC 430. However, it is still accessible from the selected car via links, so may be relevant.
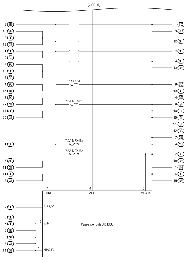
Fig 1: Passenger Side J/B Inner Circuit Diagram (1 Of 2)
G07611894Courtesy of © TOYOTA, LICENSE AGREEMENT TMS1002
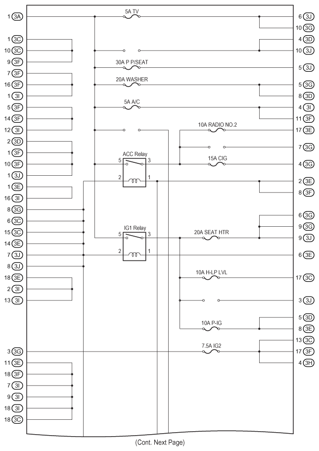
Fig 2: Passenger Side J/B Inner Circuit Diagram (2 Of 2)
G07611895Courtesy of © TOYOTA, LICENSE AGREEMENT TMS1002