LEMON Manuals: Even more car manuals for everyone: 1960-2025
Home >> Lexus >> 2010 >> ES 350 >> Repair and Diagnosis >> Electrical >> Body Electrical >> OEM System Circuits >> Cruise Control >> Notes
April 5, 2026: LEMON Manuals is launched! Read the announcement.

Cruise Control: Notes

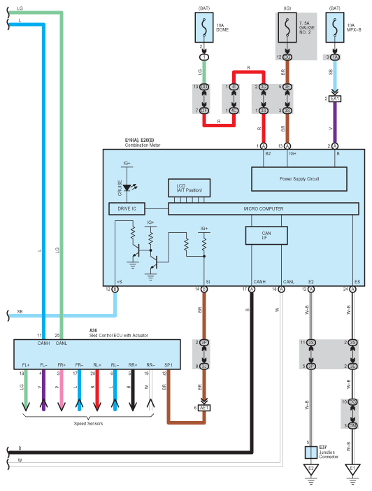
Fig 1: Cruise Control - Circuit Diagram (1 Of 9)
G07550513Courtesy of © TOYOTA, LICENSE AGREEMENT TMS1002
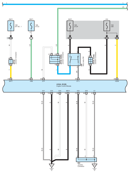
Fig 2: Cruise Control - Circuit Diagram (2 Of 9)
G07550514Courtesy of © TOYOTA, LICENSE AGREEMENT TMS1002
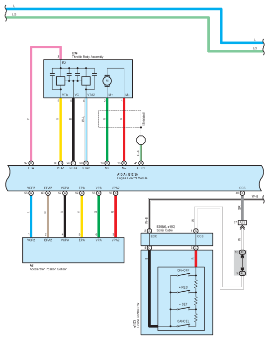
Fig 3: Cruise Control - Circuit Diagram (3 Of 9)
G07550515Courtesy of © TOYOTA, LICENSE AGREEMENT TMS1002
Fig 4: Cruise Control - Circuit Diagram (4 Of 9)
G07550516Courtesy of © TOYOTA, LICENSE AGREEMENT TMS1002
Fig 5: Cruise Control - Circuit Diagram (5 Of 9)
G07550517Courtesy of © TOYOTA, LICENSE AGREEMENT TMS1002
Fig 6: Cruise Control - Circuit Diagram (6 Of 9)
G07550518Courtesy of © TOYOTA, LICENSE AGREEMENT TMS1002
Fig 7: Cruise Control - Circuit Diagram (7 Of 9)
G07550519Courtesy of © TOYOTA, LICENSE AGREEMENT TMS1002
Fig 8: Cruise Control - Circuit Diagram (8 Of 9)
G07550520Courtesy of © TOYOTA, LICENSE AGREEMENT TMS1002
Fig 9: Cruise Control - Circuit Diagram (9 Of 9)
G07550521Courtesy of © TOYOTA, LICENSE AGREEMENT TMS1002