LEMON Manuals: Even more car manuals for everyone: 1960-2025
Home >> Lexus >> 2010 >> GS 450h >> Repair and Diagnosis (Single Page) >> Electrical >> Body Electrical >> OEM System Circuits >> Power Source >> Notes
April 5, 2026: LEMON Manuals is launched! Read the announcement.

Power Source: Notes

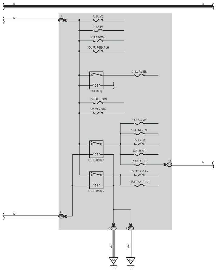
Fig 1: Power Source - Wiring Diagram (1 Of 7)
G07557714Courtesy of © TOYOTA, LICENSE AGREEMENT TMS1002
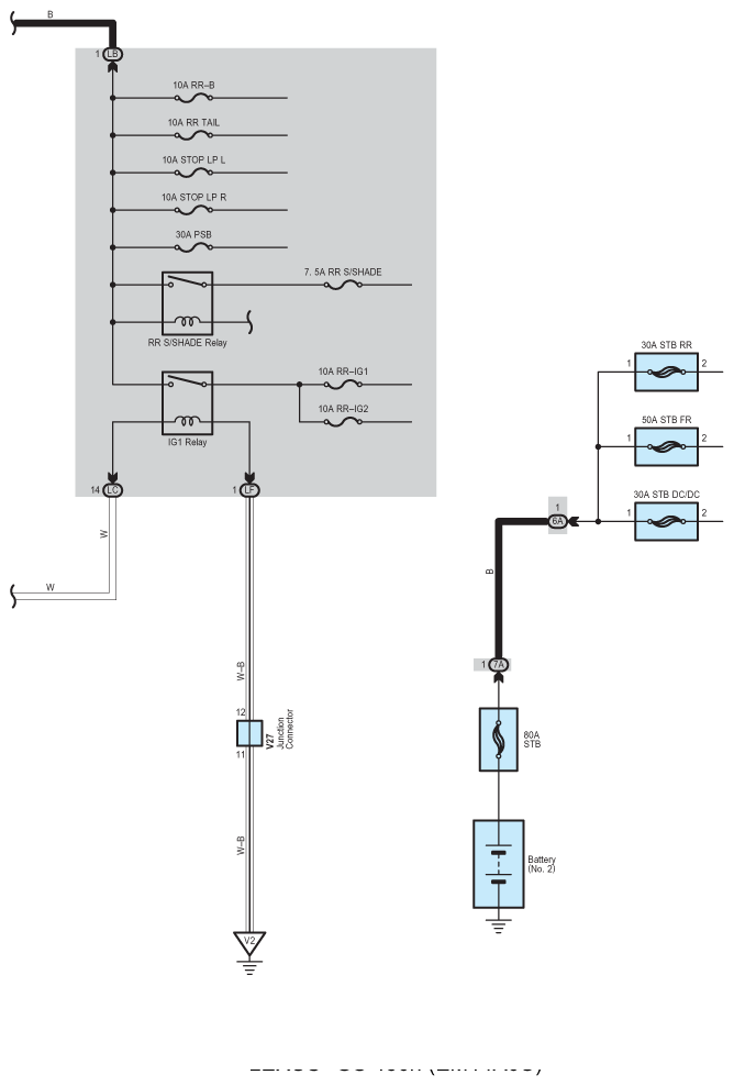
Fig 2: Power Source - Wiring Diagram (2 Of 7)
G07557715Courtesy of © TOYOTA, LICENSE AGREEMENT TMS1002
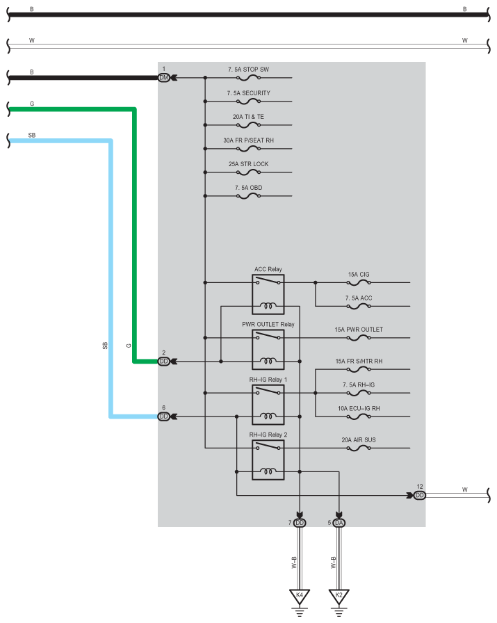
Fig 3: Power Source - Wiring Diagram (3 Of 7)
G07557716Courtesy of © TOYOTA, LICENSE AGREEMENT TMS1002
Fig 4: Power Source - Wiring Diagram (4 Of 7)
G07557717Courtesy of © TOYOTA, LICENSE AGREEMENT TMS1002
Fig 5: Power Source - Wiring Diagram (5 Of 7)
G07557718Courtesy of © TOYOTA, LICENSE AGREEMENT TMS1002
Fig 6: Power Source - Wiring Diagram (6 Of 7)
G07557719Courtesy of © TOYOTA, LICENSE AGREEMENT TMS1002
Fig 7: Power Source - Wiring Diagram (7 Of 7)
G07557720Courtesy of © TOYOTA, LICENSE AGREEMENT TMS1002