LEMON Manuals: Even more car manuals for everyone: 1960-2025
Home >> Lexus >> 2010 >> GS 450h >> Repair and Diagnosis >> Electrical >> Body Electrical >> OEM System Circuits >> Cooling Fan >> Notes
April 5, 2026: LEMON Manuals is launched! Read the announcement.

Cooling Fan: Notes

Fig 1: Cooling Fan - Wiring Diagram (1 Of 6)
G07558118Courtesy of © TOYOTA, LICENSE AGREEMENT TMS1002
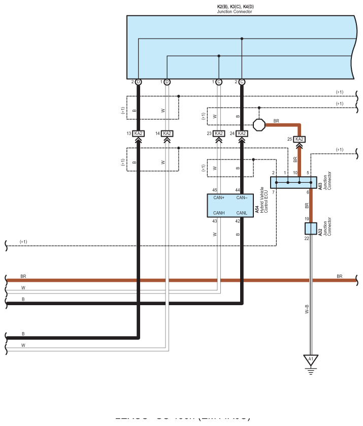
Fig 2: Cooling Fan - Wiring Diagram (2 Of 6)
G07558119Courtesy of © TOYOTA, LICENSE AGREEMENT TMS1002
Fig 3: Cooling Fan - Wiring Diagram (3 Of 6)
G07558120Courtesy of © TOYOTA, LICENSE AGREEMENT TMS1002
Fig 4: Cooling Fan - Wiring Diagram (4 Of 6)
G07558121Courtesy of © TOYOTA, LICENSE AGREEMENT TMS1002
Fig 5: Cooling Fan - Wiring Diagram (5 Of 6)
G07558122Courtesy of © TOYOTA, LICENSE AGREEMENT TMS1002
Fig 6: Cooling Fan - Wiring Diagram (6 Of 6)
G07558123Courtesy of © TOYOTA, LICENSE AGREEMENT TMS1002