LEMON Manuals: Even more car manuals for everyone: 1960-2025
Home >> Lexus >> 2010 >> GS 450h >> Repair and Diagnosis >> Electrical >> Body Electrical >> OEM System Circuits >> Rear Window Defogger >> Notes
April 5, 2026: LEMON Manuals is launched! Read the announcement.

Rear Window Defogger: Notes

Fig 1: Rear Window Defogger - Wiring Diagram (1 Of 3)
G07558075Courtesy of © TOYOTA, LICENSE AGREEMENT TMS1002
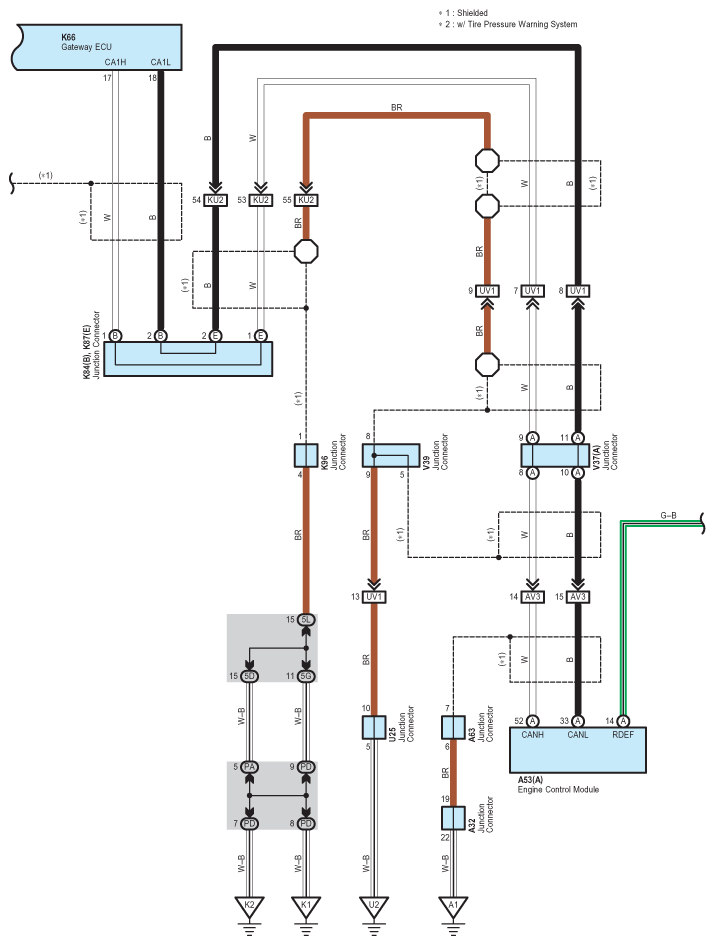
Fig 2: Rear Window Defogger - Wiring Diagram (2 Of 3)
G07558076Courtesy of © TOYOTA, LICENSE AGREEMENT TMS1002
Fig 3: Rear Window Defogger - Wiring Diagram (3 Of 3)
G07558077Courtesy of © TOYOTA, LICENSE AGREEMENT TMS1002