LEMON Manuals: Even more car manuals for everyone: 1960-2025
Home >> Lexus >> 2010 >> GS 450h >> Repair and Diagnosis >> Electrical >> Body Electrical >> OEM System Circuits >> Theft Deterrent >> Notes
April 5, 2026: LEMON Manuals is launched! Read the announcement.

Theft Deterrent: Notes

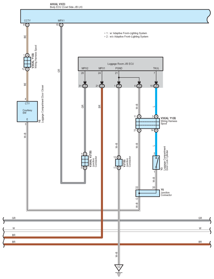
Fig 1: Theft Deterrent - Wiring Diagram (1 Of 11)
G07557888Courtesy of © TOYOTA, LICENSE AGREEMENT TMS1002
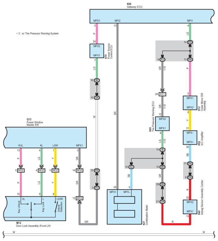
Fig 2: Theft Deterrent - Wiring Diagram (2 Of 11)
G07557889Courtesy of © TOYOTA, LICENSE AGREEMENT TMS1002
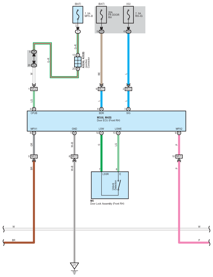
Fig 3: Theft Deterrent - Wiring Diagram (3 Of 11)
G07557890Courtesy of © TOYOTA, LICENSE AGREEMENT TMS1002
Fig 4: Theft Deterrent - Wiring Diagram (4 Of 11)
G07557891Courtesy of © TOYOTA, LICENSE AGREEMENT TMS1002
Fig 5: Theft Deterrent - Wiring Diagram (5 Of 11)
G07557892Courtesy of © TOYOTA, LICENSE AGREEMENT TMS1002
Fig 6: Theft Deterrent - Wiring Diagram (6 Of 11)
G07557893Courtesy of © TOYOTA, LICENSE AGREEMENT TMS1002
Fig 7: Theft Deterrent - Wiring Diagram (7 Of 11)
G07557894Courtesy of © TOYOTA, LICENSE AGREEMENT TMS1002
Fig 8: Theft Deterrent - Wiring Diagram (8 Of 11)
G07557895Courtesy of © TOYOTA, LICENSE AGREEMENT TMS1002
Fig 9: Theft Deterrent - Wiring Diagram (9 Of 11)
G07557896Courtesy of © TOYOTA, LICENSE AGREEMENT TMS1002
Fig 10: Theft Deterrent - Wiring Diagram (10 Of 11)
G07557897Courtesy of © TOYOTA, LICENSE AGREEMENT TMS1002
Fig 11: Theft Deterrent - Wiring Diagram (11 Of 11)
G07557898Courtesy of © TOYOTA, LICENSE AGREEMENT TMS1002