LEMON Manuals: Even more car manuals for everyone: 1960-2025
Home >> Lexus >> 2010 >> GS 460 >> Repair and Diagnosis >> Electrical >> Body Electrical >> OEM System Circuits >> EPS >> Notes
April 5, 2026: LEMON Manuals is launched! Read the announcement.

OEM System Circuits: EPS: Notes

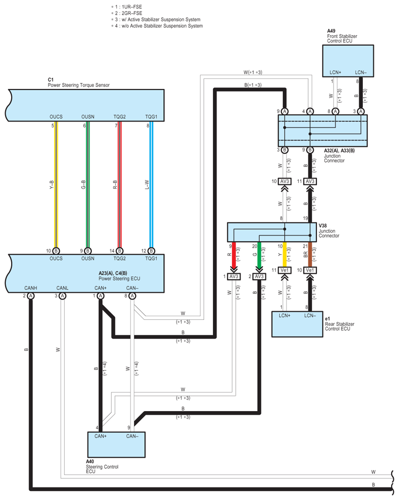
Fig 1: EPS - Circuit Diagram (1 Of 6)
G07627004Courtesy of © TOYOTA, LICENSE AGREEMENT TMS1002
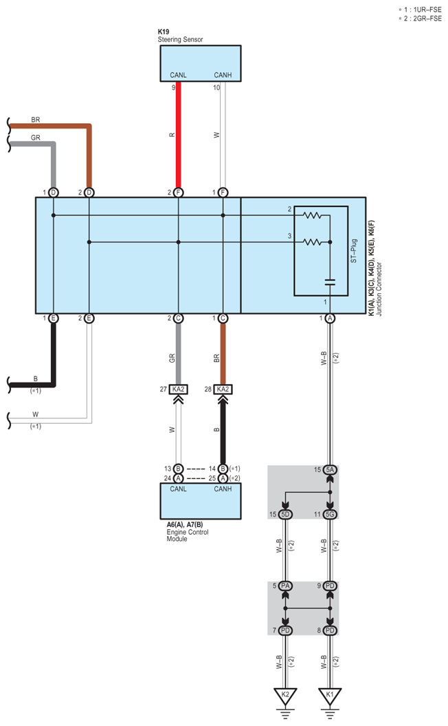
Fig 2: EPS - Circuit Diagram (2 Of 6)
G07627005Courtesy of © TOYOTA, LICENSE AGREEMENT TMS1002
Fig 3: EPS - Circuit Diagram (3 Of 6)
G07627006Courtesy of © TOYOTA, LICENSE AGREEMENT TMS1002
Fig 4: EPS - Circuit Diagram (4 Of 6)
G07627007Courtesy of © TOYOTA, LICENSE AGREEMENT TMS1002
Fig 5: EPS - Circuit Diagram (5 Of 6)
G07627008Courtesy of © TOYOTA, LICENSE AGREEMENT TMS1002
Fig 6: EPS - Circuit Diagram (6 Of 6)
G07627009Courtesy of © TOYOTA, LICENSE AGREEMENT TMS1002