LEMON Manuals: Even more car manuals for everyone: 1960-2025
Home >> Lexus >> 2010 >> GS 460 >> Repair and Diagnosis >> Electrical >> Body Electrical >> OEM System Circuits >> Engine Control (1UR-FSE) >> Notes
April 5, 2026: LEMON Manuals is launched! Read the announcement.

Engine Control (1UR-FSE): Notes

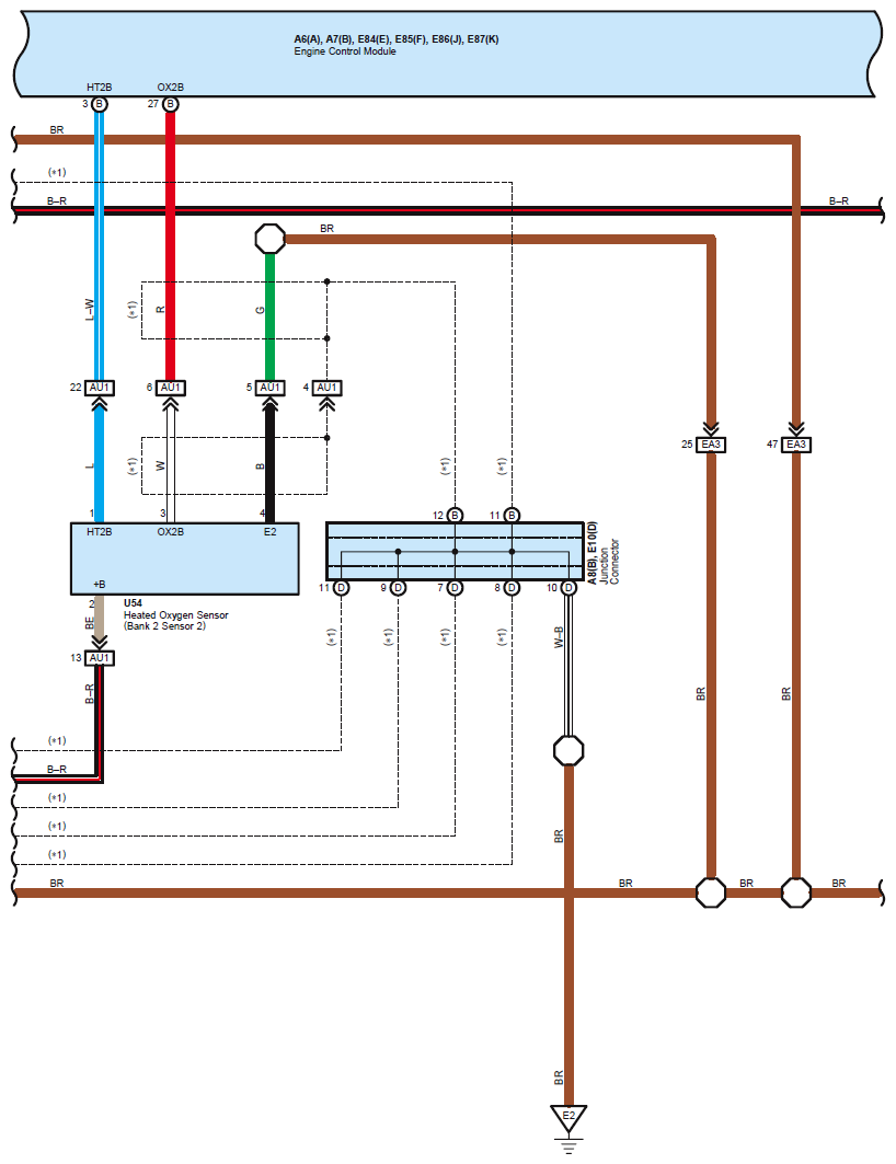
Fig 1: Engine Control (1UR-FSE) - Circuit Diagram (1 Of 28)
G07578789Courtesy of © TOYOTA, LICENSE AGREEMENT TMS1002
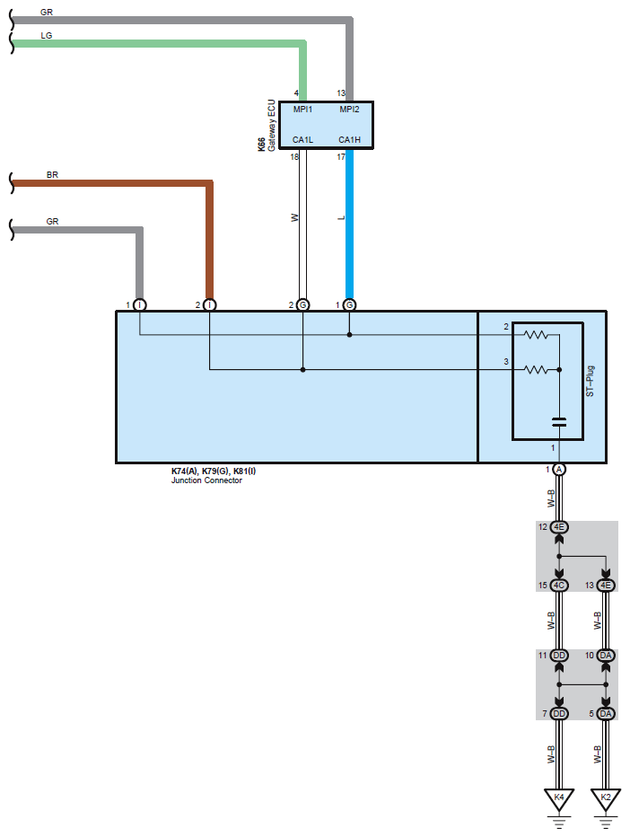
Fig 2: Engine Control (1UR-FSE) - Circuit Diagram (2 Of 28)
G07578790Courtesy of © TOYOTA, LICENSE AGREEMENT TMS1002
Fig 3: Engine Control (1UR-FSE) - Circuit Diagram (3 Of 28)
G07578791Courtesy of © TOYOTA, LICENSE AGREEMENT TMS1002
Fig 4: Engine Control (1UR-FSE) - Circuit Diagram (4 Of 28)
G07578792Courtesy of © TOYOTA, LICENSE AGREEMENT TMS1002
Fig 5: Engine Control (1UR-FSE) - Circuit Diagram (5 Of 28)
G07578793Courtesy of © TOYOTA, LICENSE AGREEMENT TMS1002
Fig 6: Engine Control (1UR-FSE) - Circuit Diagram (6 Of 28)
G07578794Courtesy of © TOYOTA, LICENSE AGREEMENT TMS1002
Fig 7: Engine Control (1UR-FSE) - Circuit Diagram (7 Of 28)
G07578795Courtesy of © TOYOTA, LICENSE AGREEMENT TMS1002
Fig 8: Engine Control (1UR-FSE) - Circuit Diagram (8 Of 28)
G07578796Courtesy of © TOYOTA, LICENSE AGREEMENT TMS1002
Fig 9: Engine Control (1UR-FSE) - Circuit Diagram (9 Of 28)
G07578797Courtesy of © TOYOTA, LICENSE AGREEMENT TMS1002
Fig 10: Engine Control (1UR-FSE) - Circuit Diagram (10 Of 28)
G07578798Courtesy of © TOYOTA, LICENSE AGREEMENT TMS1002
Fig 11: Engine Control (1UR-FSE) - Circuit Diagram (11 Of 28)
G07578799Courtesy of © TOYOTA, LICENSE AGREEMENT TMS1002
Fig 12: Engine Control (1UR-FSE) - Circuit Diagram (12 Of 28)
G07578800Courtesy of © TOYOTA, LICENSE AGREEMENT TMS1002
Fig 13: Engine Control (1UR-FSE) - Circuit Diagram (13 Of 28)
G07578801Courtesy of © TOYOTA, LICENSE AGREEMENT TMS1002
Fig 14: Engine Control (1UR-FSE) - Circuit Diagram (14 Of 28)
G07578802Courtesy of © TOYOTA, LICENSE AGREEMENT TMS1002
Fig 15: Engine Control (1UR-FSE) - Circuit Diagram (15 Of 28)
G07578803Courtesy of © TOYOTA, LICENSE AGREEMENT TMS1002
Fig 16: Engine Control (1UR-FSE) - Circuit Diagram (16 Of 28)
G07578804Courtesy of © TOYOTA, LICENSE AGREEMENT TMS1002
Fig 17: Engine Control (1UR-FSE) - Circuit Diagram (17 Of 28)
G07578805Courtesy of © TOYOTA, LICENSE AGREEMENT TMS1002
Fig 18: Engine Control (1UR-FSE) - Circuit Diagram (18 Of 28)
G07578806Courtesy of © TOYOTA, LICENSE AGREEMENT TMS1002
Fig 19: Engine Control (1UR-FSE) - Circuit Diagram (19 Of 28)
G07578807Courtesy of © TOYOTA, LICENSE AGREEMENT TMS1002
Fig 20: Engine Control (1UR-FSE) - Circuit Diagram (20 Of 28)
G07578808Courtesy of © TOYOTA, LICENSE AGREEMENT TMS1002
Fig 21: Engine Control (1UR-FSE) - Circuit Diagram (21 Of 28)
G07578809Courtesy of © TOYOTA, LICENSE AGREEMENT TMS1002
Fig 22: Engine Control (1UR-FSE) - Circuit Diagram (22 Of 28)
G07578810Courtesy of © TOYOTA, LICENSE AGREEMENT TMS1002
Fig 23: Engine Control (1UR-FSE) - Circuit Diagram (23 Of 28)
G07578811Courtesy of © TOYOTA, LICENSE AGREEMENT TMS1002
Fig 24: Engine Control (1UR-FSE) - Circuit Diagram (24 Of 28)
G07578812Courtesy of © TOYOTA, LICENSE AGREEMENT TMS1002
Fig 25: Engine Control (1UR-FSE) - Circuit Diagram (25 Of 28)
G07578813Courtesy of © TOYOTA, LICENSE AGREEMENT TMS1002
Fig 26: Engine Control (1UR-FSE) - Circuit Diagram (26 Of 28)
G07578814Courtesy of © TOYOTA, LICENSE AGREEMENT TMS1002
Fig 27: Engine Control (1UR-FSE) - Circuit Diagram (27 Of 28)
G07578815Courtesy of © TOYOTA, LICENSE AGREEMENT TMS1002
Fig 28: Engine Control (1UR-FSE) - Circuit Diagram (28 Of 28)
G07578816Courtesy of © TOYOTA, LICENSE AGREEMENT TMS1002