LEMON Manuals: Even more car manuals for everyone: 1960-2025
Home >> Lexus >> 2010 >> GS 460 >> Repair and Diagnosis >> Electrical >> Body Electrical >> OEM System Circuits >> Theft Deterrent >> Notes
April 5, 2026: LEMON Manuals is launched! Read the announcement.

Theft Deterrent: Notes

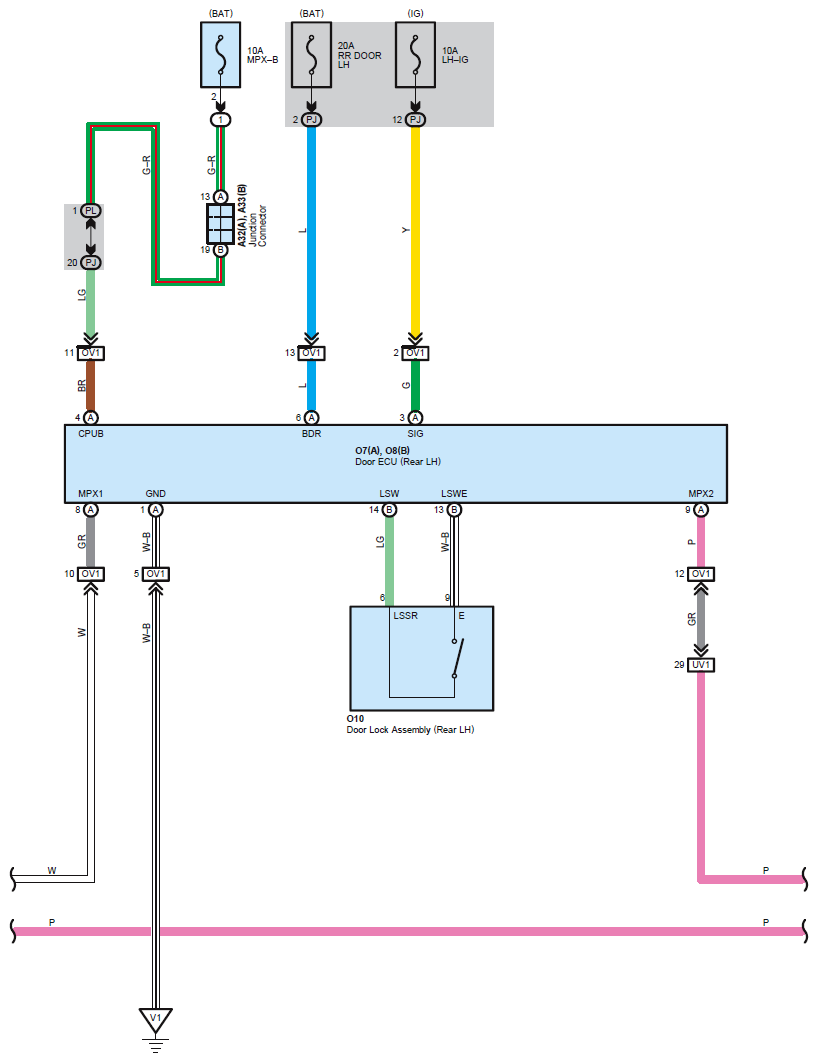
Fig 1: Theft Deterrent - Circuit Diagram (1 Of 11)
G07578960Courtesy of © TOYOTA, LICENSE AGREEMENT TMS1002
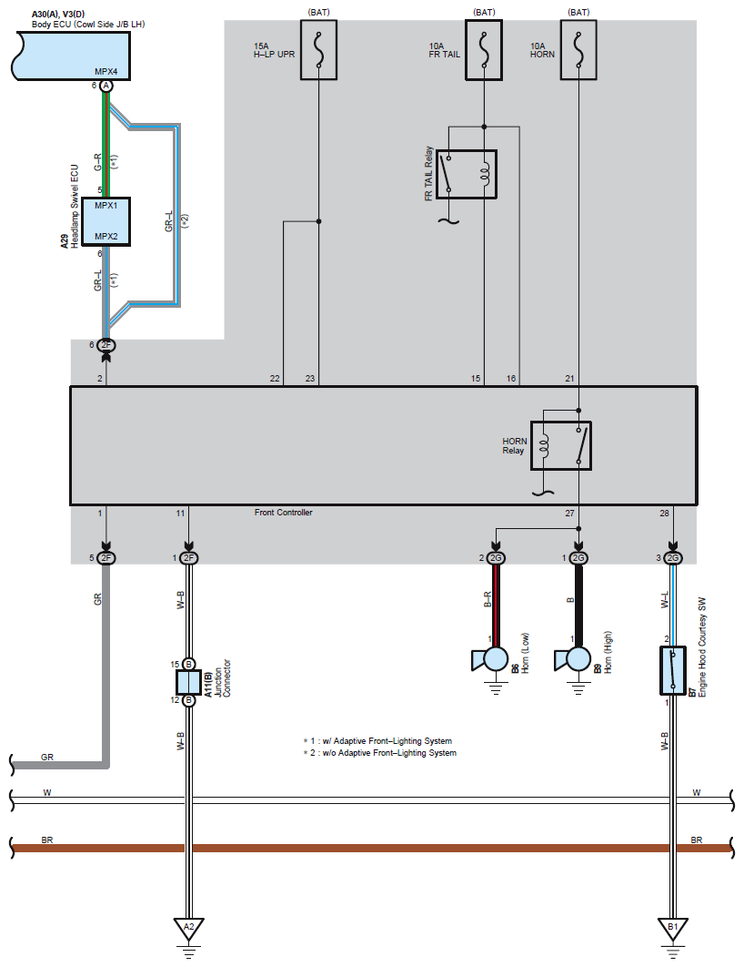
Fig 2: Theft Deterrent - Circuit Diagram (2 Of 11)
G07578961Courtesy of © TOYOTA, LICENSE AGREEMENT TMS1002
Fig 3: Theft Deterrent - Circuit Diagram (3 Of 11)
G07578962Courtesy of © TOYOTA, LICENSE AGREEMENT TMS1002
Fig 4: Theft Deterrent - Circuit Diagram (4 Of 11)
G07578963Courtesy of © TOYOTA, LICENSE AGREEMENT TMS1002
Fig 5: Theft Deterrent - Circuit Diagram (5 Of 11)
G07578964Courtesy of © TOYOTA, LICENSE AGREEMENT TMS1002
Fig 6: Theft Deterrent - Circuit Diagram (6 Of 11)
G07578965Courtesy of © TOYOTA, LICENSE AGREEMENT TMS1002
Fig 7: Theft Deterrent - Circuit Diagram (7 Of 11)
G07578966Courtesy of © TOYOTA, LICENSE AGREEMENT TMS1002
Fig 8: Theft Deterrent - Circuit Diagram (8 Of 11)
G07578967Courtesy of © TOYOTA, LICENSE AGREEMENT TMS1002
Fig 9: Theft Deterrent - Circuit Diagram (9 Of 11)
G07578968Courtesy of © TOYOTA, LICENSE AGREEMENT TMS1002
Fig 10: Theft Deterrent - Circuit Diagram (10 Of 11)
G07578969Courtesy of © TOYOTA, LICENSE AGREEMENT TMS1002
Fig 11: Theft Deterrent - Circuit Diagram (11 Of 11)
G07578970Courtesy of © TOYOTA, LICENSE AGREEMENT TMS1002