LEMON Manuals: Even more car manuals for everyone: 1960-2025
Home >> Lexus >> 2010 >> GX 460 >> Repair and Diagnosis >> Electrical >> Body Electrical >> OEM System Circuits >> Combination Meter >> Notes
April 5, 2026: LEMON Manuals is launched! Read the announcement.

Combination Meter: Notes

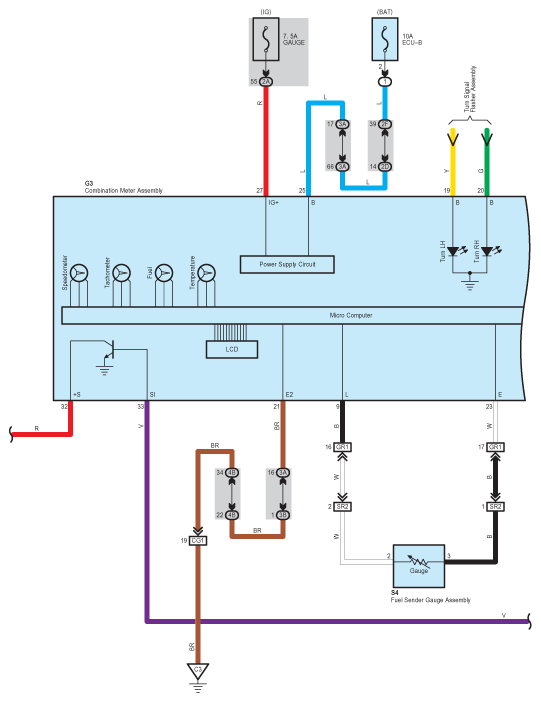
Fig 1: Combination Meter - Circuit Diagram (1 Of 9)
G07579634Courtesy of © TOYOTA, LICENSE AGREEMENT TMS1002
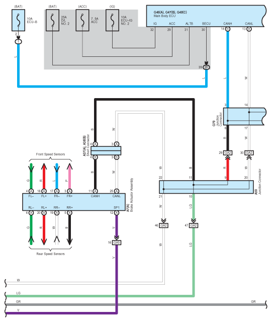
Fig 2: Combination Meter - Circuit Diagram (2 Of 9)
G07579635Courtesy of © TOYOTA, LICENSE AGREEMENT TMS1002
Fig 3: Combination Meter - Circuit Diagram (3 Of 9)
G07579636Courtesy of © TOYOTA, LICENSE AGREEMENT TMS1002
Fig 4: Combination Meter - Circuit Diagram (4 Of 9)
G07579637Courtesy of © TOYOTA, LICENSE AGREEMENT TMS1002
Fig 5: Combination Meter - Circuit Diagram (5 Of 9)
G07579638Courtesy of © TOYOTA, LICENSE AGREEMENT TMS1002
Fig 6: Combination Meter - Circuit Diagram (6 Of 9)
G07579639Courtesy of © TOYOTA, LICENSE AGREEMENT TMS1002
Fig 7: Combination Meter - Circuit Diagram (7 Of 9)
G07579640Courtesy of © TOYOTA, LICENSE AGREEMENT TMS1002
Fig 8: Combination Meter - Circuit Diagram (8 Of 9)
G07579641Courtesy of © TOYOTA, LICENSE AGREEMENT TMS1002
Fig 9: Combination Meter - Circuit Diagram (9 Of 9)
G07579642Courtesy of © TOYOTA, LICENSE AGREEMENT TMS1002