LEMON Manuals: Even more car manuals for everyone: 1960-2025
Home >> Lexus >> 2010 >> GX 460 >> Repair and Diagnosis >> Electrical >> Body Electrical >> OEM System Circuits >> Engine Control, Cruise Control, Electronically Controlled Transmission and A/T Indicator >> Notes
April 5, 2026: LEMON Manuals is launched! Read the announcement.

Engine Control, Cruise Control, Electronically Controlled Transmission and A/T Indicator: Notes

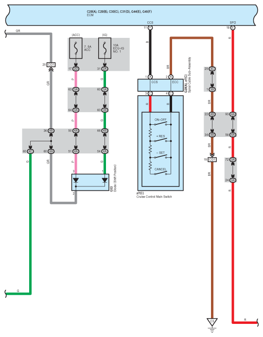
Fig 1: Engine Control, Cruise Control, Electronically Controlled Transmission And A/T Indicator - Circuit Diagram (1 Of 26)
G07579288Courtesy of © TOYOTA, LICENSE AGREEMENT TMS1002
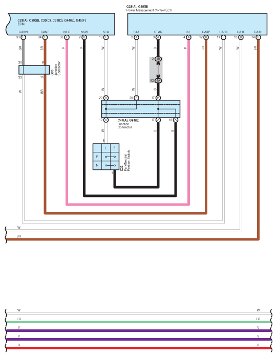
Fig 2: Engine Control, Cruise Control, Electronically Controlled Transmission And A/T Indicator - Circuit Diagram (2 Of 26)
G07579289Courtesy of © TOYOTA, LICENSE AGREEMENT TMS1002
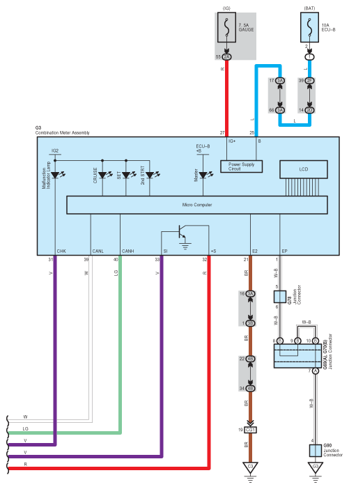
Fig 3: Engine Control, Cruise Control, Electronically Controlled Transmission And A/T Indicator - Circuit Diagram (3 Of 26)
G07579290Courtesy of © TOYOTA, LICENSE AGREEMENT TMS1002
Fig 4: Engine Control, Cruise Control, Electronically Controlled Transmission And A/T Indicator - Circuit Diagram (4 Of 26)
G07579291Courtesy of © TOYOTA, LICENSE AGREEMENT TMS1002
Fig 5: Engine Control, Cruise Control, Electronically Controlled Transmission And A/T Indicator - Circuit Diagram (5 Of 26)
G07579292Courtesy of © TOYOTA, LICENSE AGREEMENT TMS1002
Fig 6: Engine Control, Cruise Control, Electronically Controlled Transmission And A/T Indicator - Circuit Diagram (6 Of 26)
G07579293Courtesy of © TOYOTA, LICENSE AGREEMENT TMS1002
Fig 7: Engine Control, Cruise Control, Electronically Controlled Transmission And A/T Indicator - Circuit Diagram (7 Of 26)
G07579294Courtesy of © TOYOTA, LICENSE AGREEMENT TMS1002
Fig 8: Engine Control, Cruise Control, Electronically Controlled Transmission And A/T Indicator - Circuit Diagram (8 Of 26)
G07579295Courtesy of © TOYOTA, LICENSE AGREEMENT TMS1002
Fig 9: Engine Control, Cruise Control, Electronically Controlled Transmission And A/T Indicator - Circuit Diagram (9 Of 26)
G07579296Courtesy of © TOYOTA, LICENSE AGREEMENT TMS1002
Fig 10: Engine Control, Cruise Control, Electronically Controlled Transmission And A/T Indicator - Circuit Diagram (10 Of 26)
G07579297Courtesy of © TOYOTA, LICENSE AGREEMENT TMS1002
Fig 11: Engine Control, Cruise Control, Electronically Controlled Transmission And A/T Indicator - Circuit Diagram (11 Of 26)
G07579298Courtesy of © TOYOTA, LICENSE AGREEMENT TMS1002
Fig 12: Engine Control, Cruise Control, Electronically Controlled Transmission And A/T Indicator - Circuit Diagram (12 Of 26)
G07579299Courtesy of © TOYOTA, LICENSE AGREEMENT TMS1002
Fig 13: Engine Control, Cruise Control, Electronically Controlled Transmission And A/T Indicator - Circuit Diagram (13 Of 26)
G07579300Courtesy of © TOYOTA, LICENSE AGREEMENT TMS1002
Fig 14: Engine Control, Cruise Control, Electronically Controlled Transmission And A/T Indicator - Circuit Diagram (14 Of 26)
G07579301Courtesy of © TOYOTA, LICENSE AGREEMENT TMS1002
Fig 15: Engine Control, Cruise Control, Electronically Controlled Transmission And A/T Indicator - Circuit Diagram (15 Of 26)
G07579302Courtesy of © TOYOTA, LICENSE AGREEMENT TMS1002
Fig 16: Engine Control, Cruise Control, Electronically Controlled Transmission And A/T Indicator - Circuit Diagram (16 Of 26)
G07579303Courtesy of © TOYOTA, LICENSE AGREEMENT TMS1002
Fig 17: Engine Control, Cruise Control, Electronically Controlled Transmission And A/T Indicator - Circuit Diagram (17 Of 26)
G07579304Courtesy of © TOYOTA, LICENSE AGREEMENT TMS1002
Fig 18: Engine Control, Cruise Control, Electronically Controlled Transmission And A/T Indicator - Circuit Diagram (18 Of 26)
G07579305Courtesy of © TOYOTA, LICENSE AGREEMENT TMS1002
Fig 19: Engine Control, Cruise Control, Electronically Controlled Transmission And A/T Indicator - Circuit Diagram (19 Of 26)
G07579306Courtesy of © TOYOTA, LICENSE AGREEMENT TMS1002
Fig 20: Engine Control, Cruise Control, Electronically Controlled Transmission And A/T Indicator - Circuit Diagram (20 Of 26)
G07579307Courtesy of © TOYOTA, LICENSE AGREEMENT TMS1002
Fig 21: Engine Control, Cruise Control, Electronically Controlled Transmission And A/T Indicator - Circuit Diagram (21 Of 26)
G07579308Courtesy of © TOYOTA, LICENSE AGREEMENT TMS1002
Fig 22: Engine Control, Cruise Control, Electronically Controlled Transmission And A/T Indicator - Circuit Diagram (22 Of 26)
G07579309Courtesy of © TOYOTA, LICENSE AGREEMENT TMS1002
Fig 23: Engine Control, Cruise Control, Electronically Controlled Transmission And A/T Indicator - Circuit Diagram (23 Of 26)
G07579310Courtesy of © TOYOTA, LICENSE AGREEMENT TMS1002
Fig 24: Engine Control, Cruise Control, Electronically Controlled Transmission And A/T Indicator - Circuit Diagram (24 Of 26)
G07579311Courtesy of © TOYOTA, LICENSE AGREEMENT TMS1002
Fig 25: Engine Control, Cruise Control, Electronically Controlled Transmission And A/T Indicator - Circuit Diagram (25 Of 26)
G07579312Courtesy of © TOYOTA, LICENSE AGREEMENT TMS1002
Fig 26: Engine Control, Cruise Control, Electronically Controlled Transmission And A/T Indicator - Circuit Diagram (26 Of 26)
G07579313Courtesy of © TOYOTA, LICENSE AGREEMENT TMS1002