LEMON Manuals: Even more car manuals for everyone: 1960-2025
Home >> Lexus >> 2010 >> HS 250h >> Repair and Diagnosis >> Electrical >> Body Electrical >> OEM System Circuits >> Lane Keeping Assist >> Notes
April 5, 2026: LEMON Manuals is launched! Read the announcement.

Lane Keeping Assist: Notes

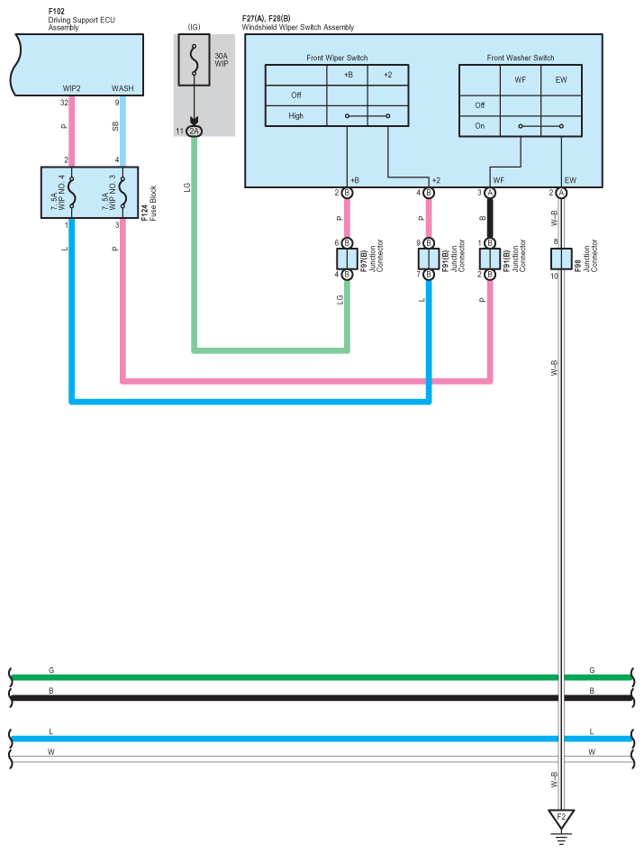
Fig 1: Lane Keeping Assist - Circuit Diagram (1 Of 8)
G07558433Courtesy of © TOYOTA, LICENSE AGREEMENT TMS1002
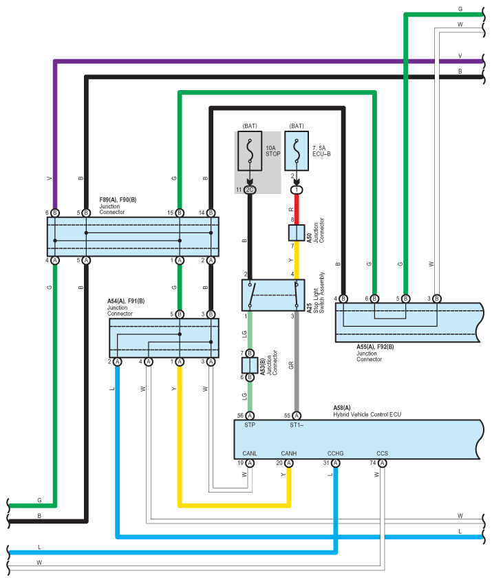
Fig 2: Lane Keeping Assist - Circuit Diagram (2 Of 8)
G07558434Courtesy of © TOYOTA, LICENSE AGREEMENT TMS1002
Fig 3: Lane Keeping Assist - Circuit Diagram (3 Of 8)
G07558435Courtesy of © TOYOTA, LICENSE AGREEMENT TMS1002
Fig 4: Lane Keeping Assist - Circuit Diagram (4 Of 8)
G07558436Courtesy of © TOYOTA, LICENSE AGREEMENT TMS1002
Fig 5: Lane Keeping Assist - Circuit Diagram (5 Of 8)
G07558437Courtesy of © TOYOTA, LICENSE AGREEMENT TMS1002
Fig 6: Lane Keeping Assist - Circuit Diagram (6 Of 8)
G07558438Courtesy of © TOYOTA, LICENSE AGREEMENT TMS1002
Fig 7: Lane Keeping Assist - Circuit Diagram (7 Of 8)
G07558439Courtesy of © TOYOTA, LICENSE AGREEMENT TMS1002
Fig 8: Lane Keeping Assist - Circuit Diagram (8 Of 8)
G07558440Courtesy of © TOYOTA, LICENSE AGREEMENT TMS1002