LEMON Manuals: Even more car manuals for everyone: 1960-2025
Home >> Lexus >> 2010 >> IS 350C >> Repair and Diagnosis >> Electrical >> Body Electrical >> OEM System Circuits >> Theft Deterrent >> Notes
April 5, 2026: LEMON Manuals is launched! Read the announcement.

Theft Deterrent: Notes

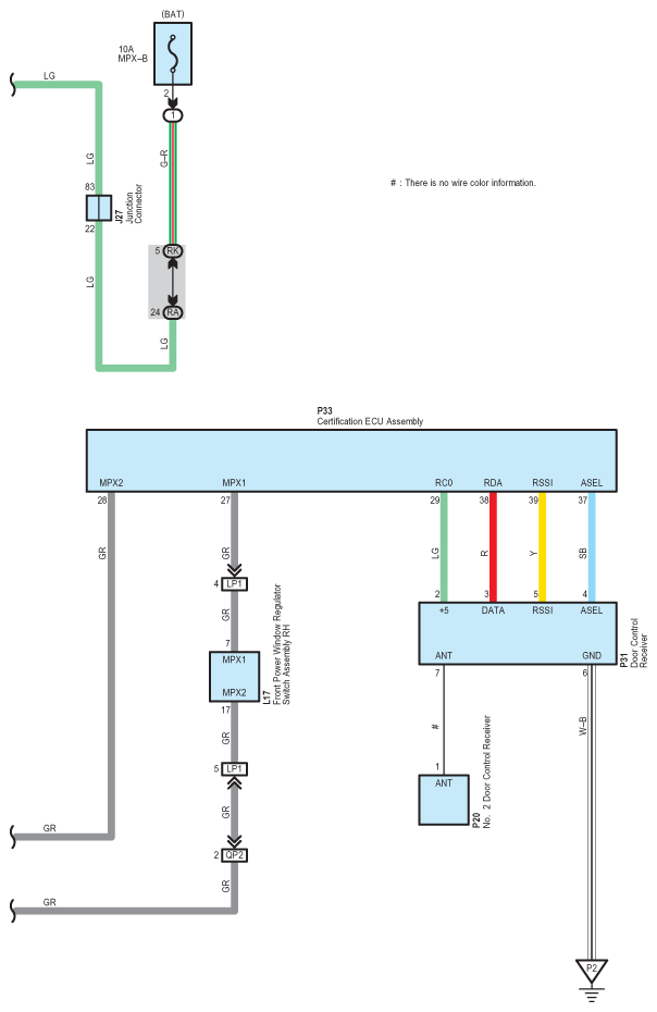
Fig 1: Theft Deterrent - Circuit Diagram (1 Of 10)
G07567187Courtesy of © TOYOTA, LICENSE AGREEMENT TMS1002
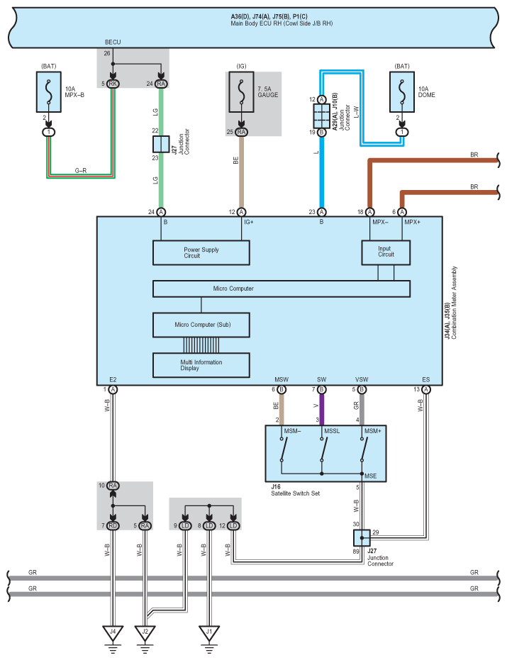
Fig 2: Theft Deterrent - Circuit Diagram (2 Of 10)
G07567188Courtesy of © TOYOTA, LICENSE AGREEMENT TMS1002
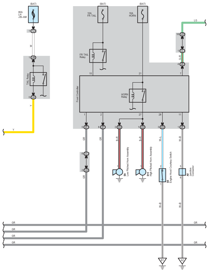
Fig 3: Theft Deterrent - Circuit Diagram (3 Of 10)
G07567189Courtesy of © TOYOTA, LICENSE AGREEMENT TMS1002
Fig 4: Theft Deterrent - Circuit Diagram (4 Of 10)
G07567190Courtesy of © TOYOTA, LICENSE AGREEMENT TMS1002
Fig 5: Theft Deterrent - Circuit Diagram (5 Of 10)
G07567191Courtesy of © TOYOTA, LICENSE AGREEMENT TMS1002
Fig 6: Theft Deterrent - Circuit Diagram (6 Of 10)
G07567192Courtesy of © TOYOTA, LICENSE AGREEMENT TMS1002
Fig 7: Theft Deterrent - Circuit Diagram (7 Of 10)
G07567193Courtesy of © TOYOTA, LICENSE AGREEMENT TMS1002
Fig 8: Theft Deterrent - Circuit Diagram (8 Of 10)
G07567194Courtesy of © TOYOTA, LICENSE AGREEMENT TMS1002
Fig 9: Theft Deterrent - Circuit Diagram (9 Of 10)
G07567195Courtesy of © TOYOTA, LICENSE AGREEMENT TMS1002
Fig 10: Theft Deterrent - Circuit Diagram (10 Of 10)
G07567196Courtesy of © TOYOTA, LICENSE AGREEMENT TMS1002