LEMON Manuals: Even more car manuals for everyone: 1960-2025
Home >> Lexus >> 2010 >> IS 350C >> Repair and Diagnosis >> Engine Performance >> Testing & Diagnosis >> Engine Control (Diagnostic Codes (Diagnostics - Introduction) >> SFI System >> System Diagram >> System Diagram
April 5, 2026: LEMON Manuals is launched! Read the announcement.

System Diagram

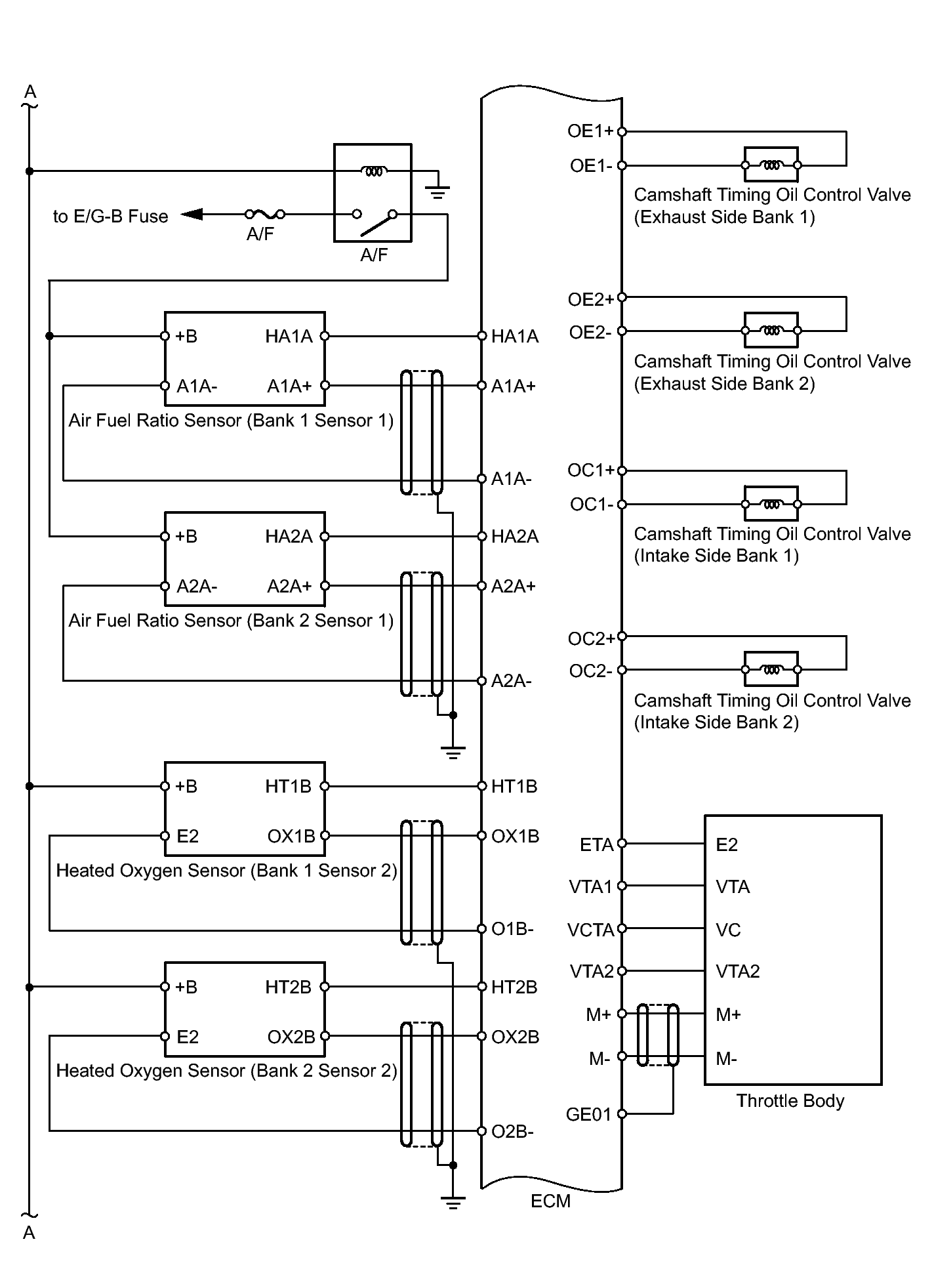
Fig 1: Identifying SFI System Diagram (1 Of 6)
GTY276422Courtesy of © TOYOTA, LICENSE AGREEMENT TMS1002
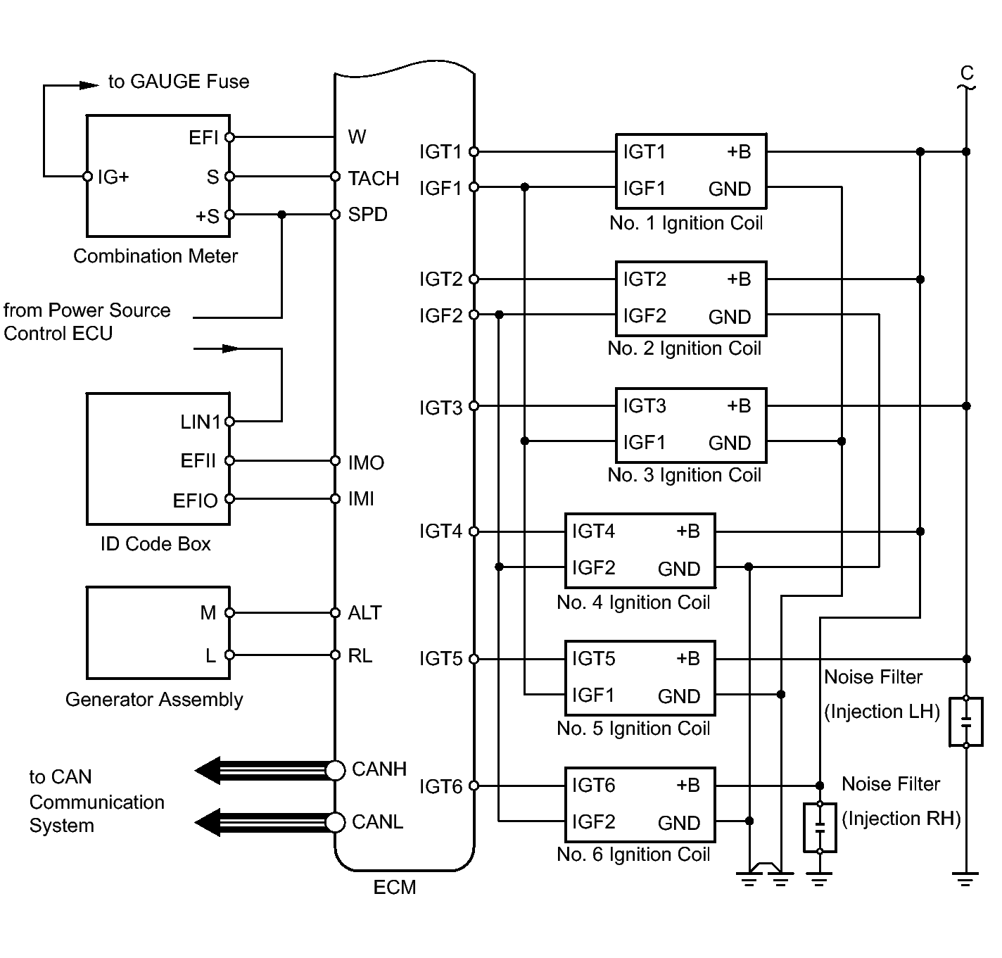
Fig 2: Identifying SFI System Diagram (2 Of 6)
GTY257267Courtesy of © TOYOTA, LICENSE AGREEMENT TMS1002
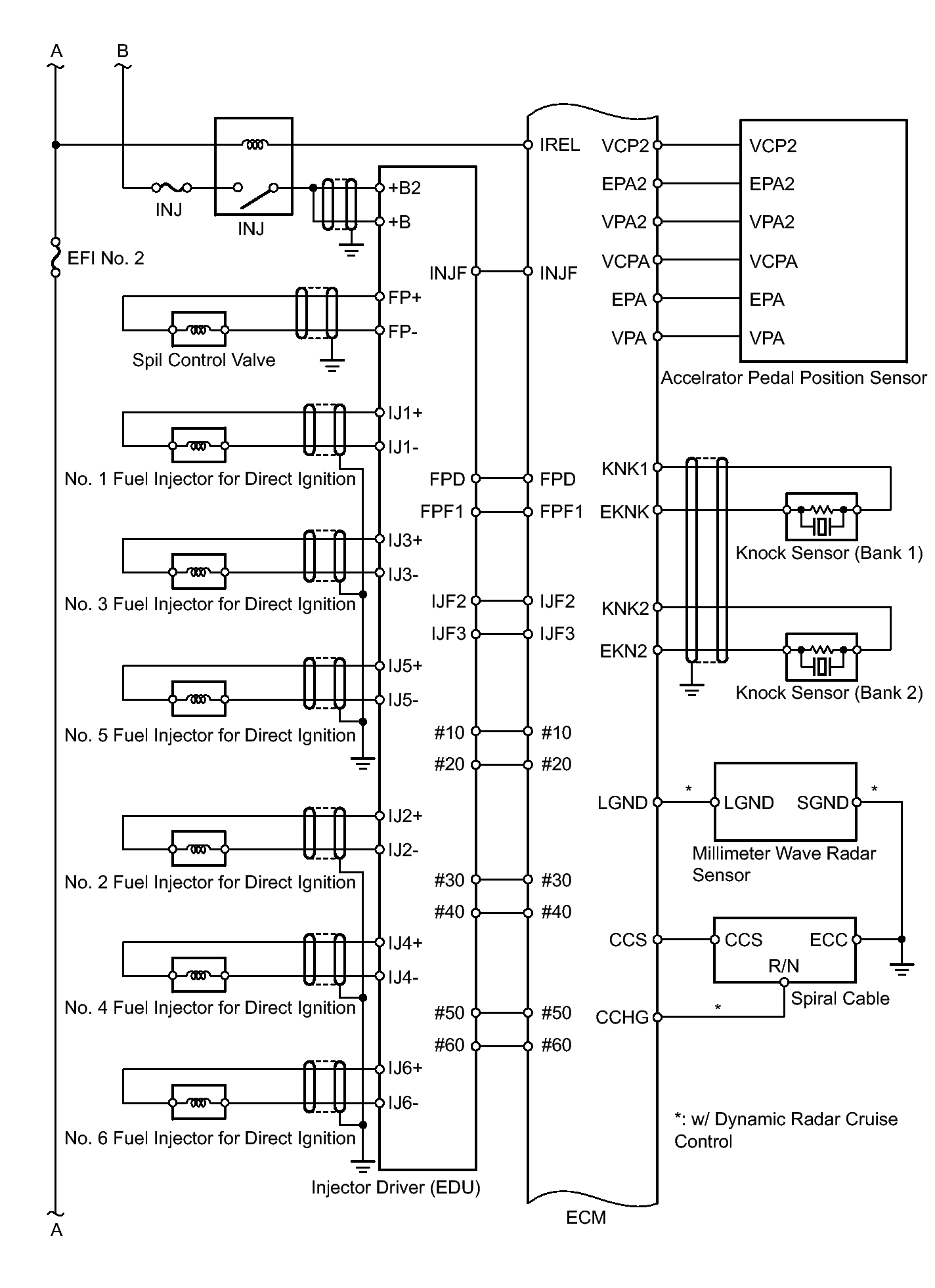
Fig 3: Identifying SFI System Diagram (3 Of 6)
GTY266915Courtesy of © TOYOTA, LICENSE AGREEMENT TMS1002
Fig 4: Identifying SFI System Diagram (4 Of 6)
GTY274177Courtesy of © TOYOTA, LICENSE AGREEMENT TMS1002
Fig 5: Identifying SFI System Diagram (5 Of 6)
GTY287856Courtesy of © TOYOTA, LICENSE AGREEMENT TMS1002
Fig 6: Identifying SFI System Diagram (6 Of 6)
GTY275162Courtesy of © TOYOTA, LICENSE AGREEMENT TMS1002