Adaptive Front-Lighting System: Notes
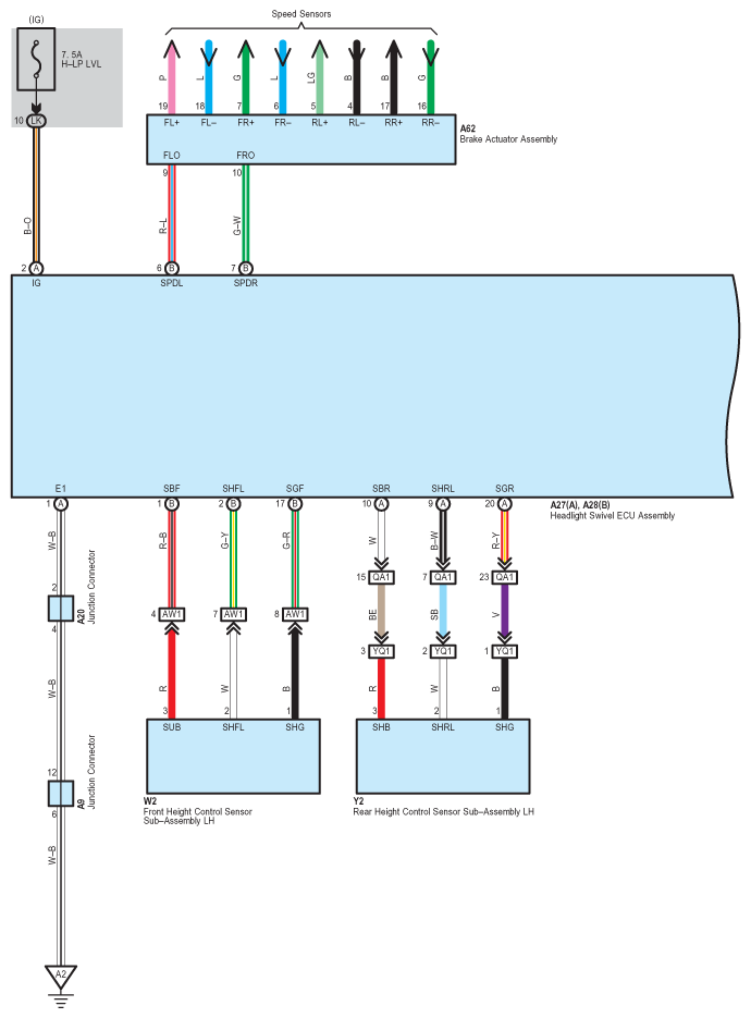
Courtesy of © TOYOTA, LICENSE AGREEMENT TMS1002
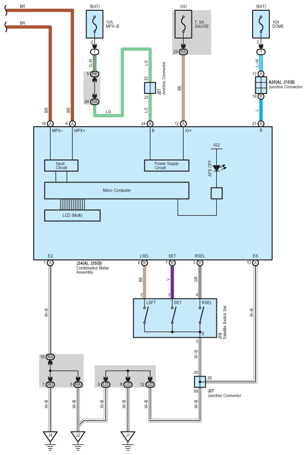
Courtesy of © TOYOTA, LICENSE AGREEMENT TMS1002
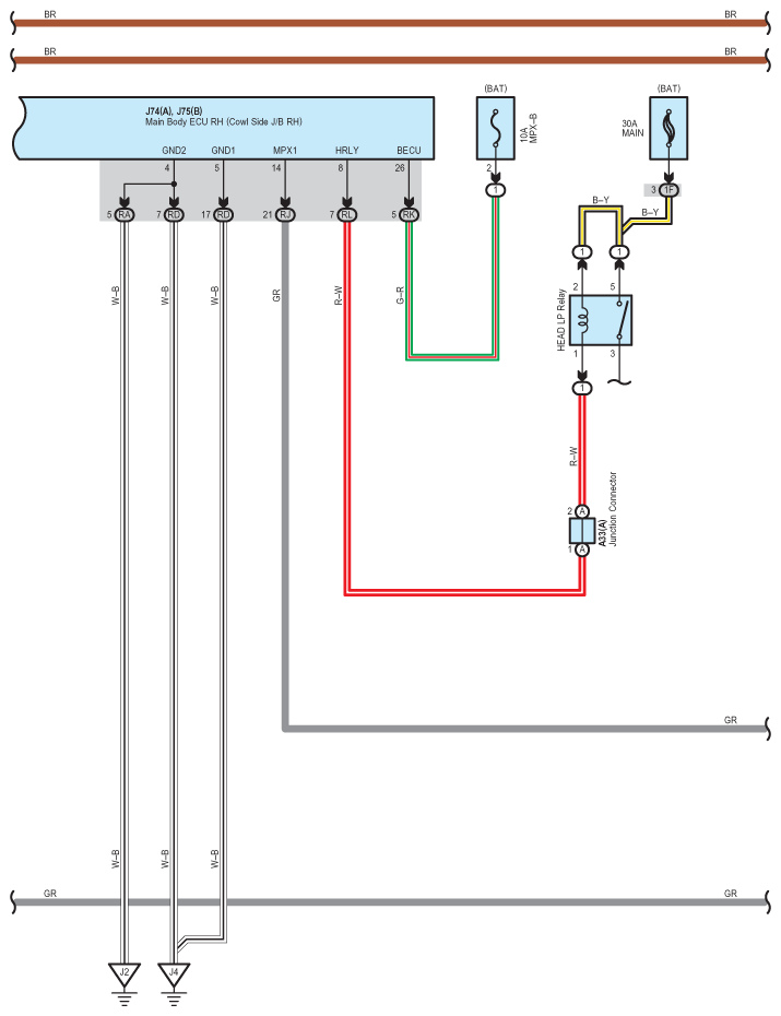
Courtesy of © TOYOTA, LICENSE AGREEMENT TMS1002
Courtesy of © TOYOTA, LICENSE AGREEMENT TMS1002
Courtesy of © TOYOTA, LICENSE AGREEMENT TMS1002
Courtesy of © TOYOTA, LICENSE AGREEMENT TMS1002
Courtesy of © TOYOTA, LICENSE AGREEMENT TMS1002
Courtesy of © TOYOTA, LICENSE AGREEMENT TMS1002
Courtesy of © TOYOTA, LICENSE AGREEMENT TMS1002