LEMON Manuals: Even more car manuals for everyone: 1960-2025
Home >> Lexus >> 2010 >> IS F >> Repair and Diagnosis >> Electrical >> Body Electrical >> OEM System Circuits >> Cooling Fan >> Notes
April 5, 2026: LEMON Manuals is launched! Read the announcement.

Cooling Fan: Notes

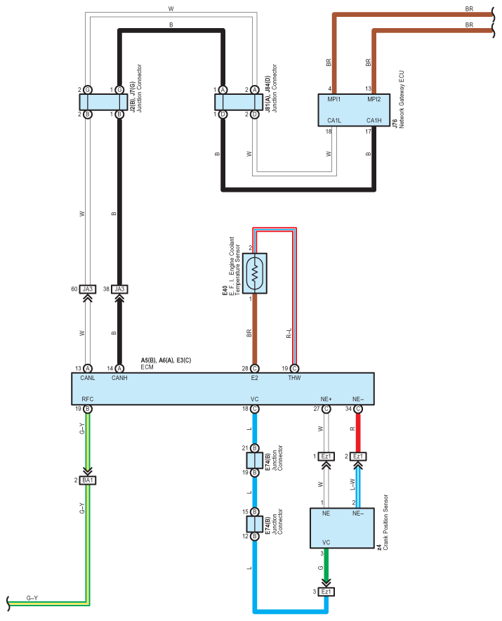
Fig 1: Cooling Fan - Circuit Diagram (1 Of 3)
G07561423Courtesy of © TOYOTA, LICENSE AGREEMENT TMS1002
Fig 2: Cooling Fan - Circuit Diagram (2 Of 3)
G07561424Courtesy of © TOYOTA, LICENSE AGREEMENT TMS1002
Fig 3: Cooling Fan - Circuit Diagram (3 Of 3)
G07561425Courtesy of © TOYOTA, LICENSE AGREEMENT TMS1002