LEMON Manuals: Even more car manuals for everyone: 1960-2025
Home >> Lexus >> 2010 >> IS F >> Repair and Diagnosis >> Electrical >> Body Electrical >> OEM System Circuits >> Headlight Cleaner >> Notes
April 5, 2026: LEMON Manuals is launched! Read the announcement.

Headlight Cleaner: Notes

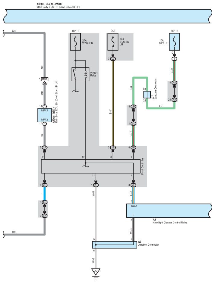
Fig 1: Headlight Cleaner - Circuit Diagram (1 Of 4)
G07561247Courtesy of © TOYOTA, LICENSE AGREEMENT TMS1002
Fig 2: Headlight Cleaner - Circuit Diagram (2 Of 4)
G07561248Courtesy of © TOYOTA, LICENSE AGREEMENT TMS1002
Fig 3: Headlight Cleaner - Circuit Diagram (3 Of 4)
G07561249Courtesy of © TOYOTA, LICENSE AGREEMENT TMS1002
Fig 4: Headlight Cleaner - Circuit Diagram (4 Of 4)
G07561250Courtesy of © TOYOTA, LICENSE AGREEMENT TMS1002