LEMON Manuals: Even more car manuals for everyone: 1960-2025
Home >> Lexus >> 2010 >> IS F >> Repair and Diagnosis >> Electrical >> Body Electrical >> OEM System Circuits >> Sliding Roof >> Notes
April 5, 2026: LEMON Manuals is launched! Read the announcement.

Sliding Roof: Notes

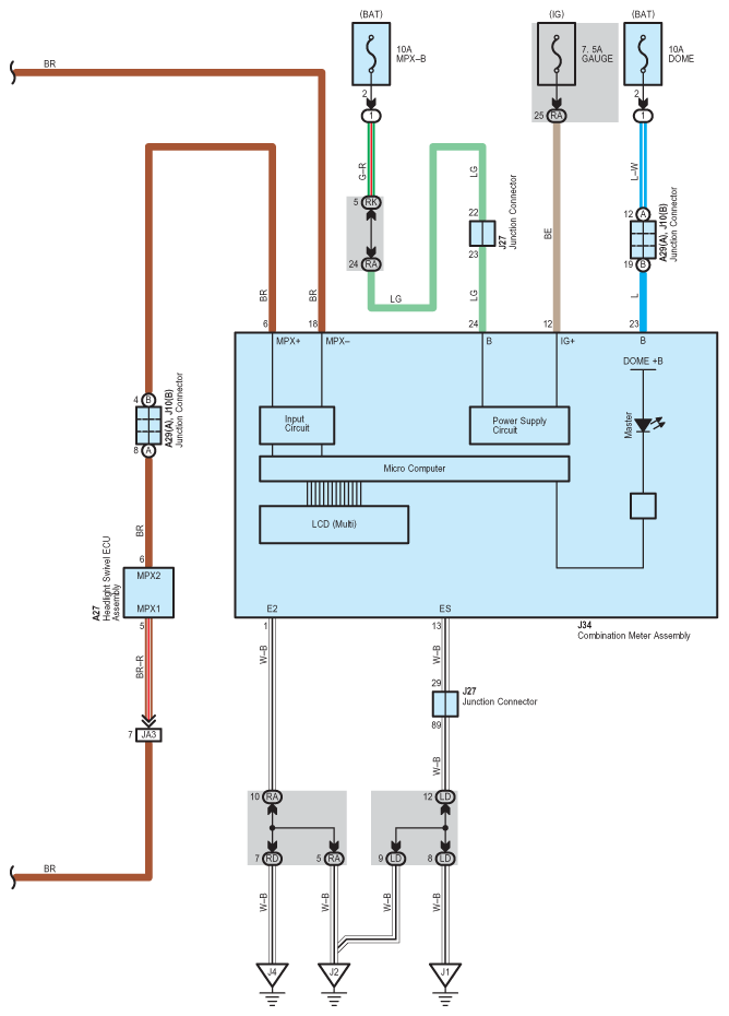
Fig 1: Sliding Roof - Circuit Diagram (1 Of 6)
G07561337Courtesy of © TOYOTA, LICENSE AGREEMENT TMS1002
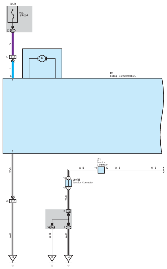
Fig 2: Sliding Roof - Circuit Diagram (2 Of 6)
G07561338Courtesy of © TOYOTA, LICENSE AGREEMENT TMS1002
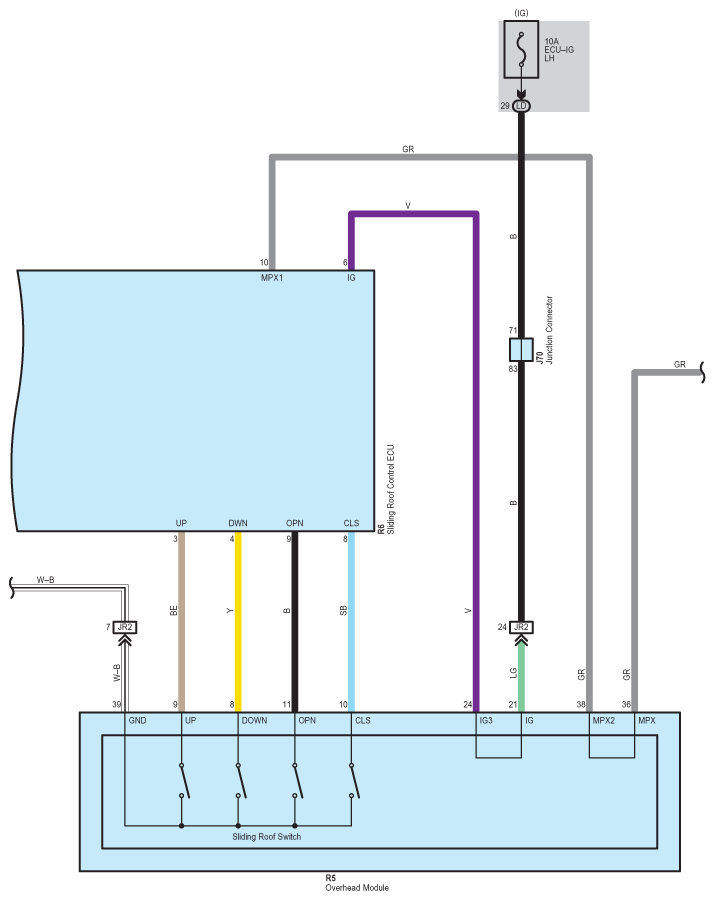
Fig 3: Sliding Roof - Circuit Diagram (3 Of 6)
G07561339Courtesy of © TOYOTA, LICENSE AGREEMENT TMS1002
Fig 4: Sliding Roof - Circuit Diagram (4 Of 6)
G07561340Courtesy of © TOYOTA, LICENSE AGREEMENT TMS1002
Fig 5: Sliding Roof - Circuit Diagram (5 Of 6)
G07561341Courtesy of © TOYOTA, LICENSE AGREEMENT TMS1002
Fig 6: Sliding Roof - Circuit Diagram (6 Of 6)
G07561342Courtesy of © TOYOTA, LICENSE AGREEMENT TMS1002