LEMON Manuals: Even more car manuals for everyone: 1960-2025
Home >> Lexus >> 2010 >> IS F >> Repair and Diagnosis >> Electrical >> Body Electrical >> OEM System Circuits >> Turn Signal and Hazard Warning Light >> Notes
April 5, 2026: LEMON Manuals is launched! Read the announcement.

Turn Signal and Hazard Warning Light: Notes

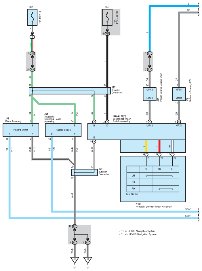
Fig 1: Turn Signal And Hazard Warning Light - Circuit Diagram (1 Of 6)
G07561203Courtesy of © TOYOTA, LICENSE AGREEMENT TMS1002
Fig 2: Turn Signal And Hazard Warning Light - Circuit Diagram (2 Of 6)
G07561204Courtesy of © TOYOTA, LICENSE AGREEMENT TMS1002
Fig 3: Turn Signal And Hazard Warning Light - Circuit Diagram (3 Of 6)
G07561205Courtesy of © TOYOTA, LICENSE AGREEMENT TMS1002
Fig 4: Turn Signal And Hazard Warning Light - Circuit Diagram (4 Of 6)
G07561206Courtesy of © TOYOTA, LICENSE AGREEMENT TMS1002
Fig 5: Turn Signal And Hazard Warning Light - Circuit Diagram (5 Of 6)
G07561207Courtesy of © TOYOTA, LICENSE AGREEMENT TMS1002
Fig 6: Turn Signal And Hazard Warning Light - Circuit Diagram (6 Of 6)
G07561208Courtesy of © TOYOTA, LICENSE AGREEMENT TMS1002