LEMON Manuals: Even more car manuals for everyone: 1960-2025
Home >> Lexus >> 2010 >> IS F >> Repair and Diagnosis >> External Pages >> Different car >> Section 34 (Fuel System (Inspection)) >> Fuel System >> System Diagram >> System Diagram
April 5, 2026: LEMON Manuals is launched! Read the announcement.

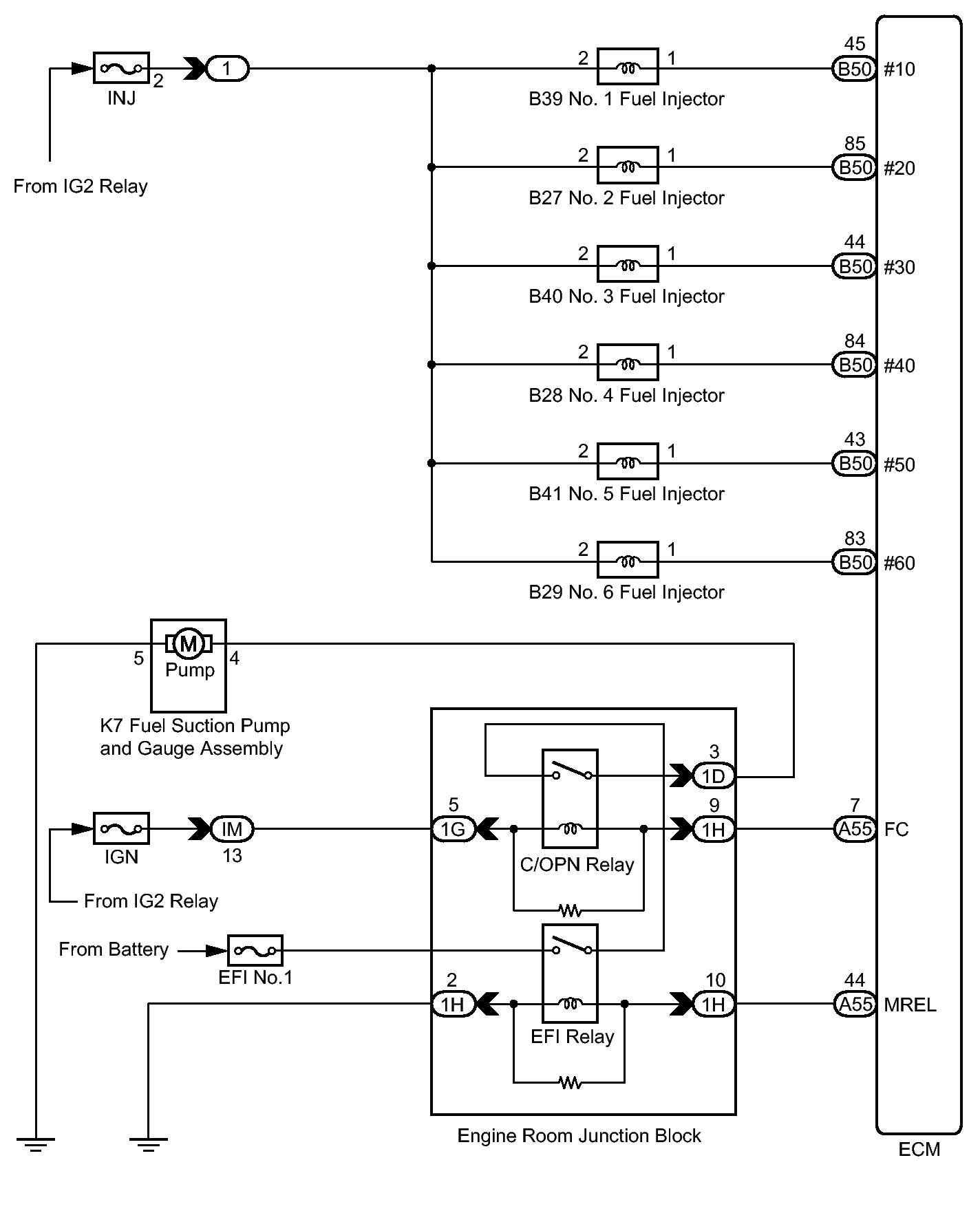
System Diagram

WARNING: This page is about a different car, the 2011 Toyota Avalon. However, it is still accessible from the selected car via links, so may be relevant.
Fig 1: Fuel System Diagram
GTY171935Courtesy of © TOYOTA, LICENSE AGREEMENT TMS1002