LEMON Manuals: Even more car manuals for everyone: 1960-2025
Home >> Lexus >> 2010 >> LS 460 AWD >> Repair and Diagnosis >> Electrical >> Body Electrical >> OEM System Circuits >> Lane Keeping Assist >> Notes
April 5, 2026: LEMON Manuals is launched! Read the announcement.

Lane Keeping Assist: Notes

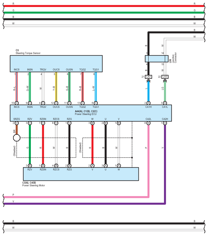
Fig 1: Lane Keeping Assist - Circuit Diagram (1 Of 13)
G07567944Courtesy of © TOYOTA, LICENSE AGREEMENT TMS1002
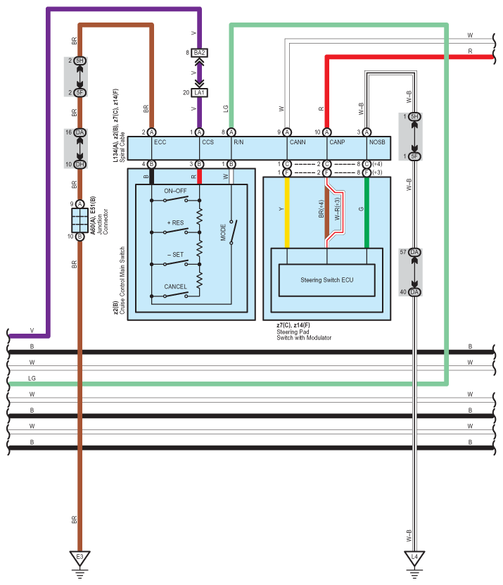
Fig 2: Lane Keeping Assist - Circuit Diagram (2 Of 13)
G07567945Courtesy of © TOYOTA, LICENSE AGREEMENT TMS1002
Fig 3: Lane Keeping Assist - Circuit Diagram (3 Of 13)
G07567946Courtesy of © TOYOTA, LICENSE AGREEMENT TMS1002
Fig 4: Lane Keeping Assist - Circuit Diagram (4 Of 13)
G07567947Courtesy of © TOYOTA, LICENSE AGREEMENT TMS1002
Fig 5: Lane Keeping Assist - Circuit Diagram (5 Of 13)
G07567948Courtesy of © TOYOTA, LICENSE AGREEMENT TMS1002
Fig 6: Lane Keeping Assist - Circuit Diagram (6 Of 13)
G07567949Courtesy of © TOYOTA, LICENSE AGREEMENT TMS1002
Fig 7: Lane Keeping Assist - Circuit Diagram (7 Of 13)
G07567950Courtesy of © TOYOTA, LICENSE AGREEMENT TMS1002
Fig 8: Lane Keeping Assist - Circuit Diagram (8 Of 13)
G07567951Courtesy of © TOYOTA, LICENSE AGREEMENT TMS1002
Fig 9: Lane Keeping Assist - Circuit Diagram (9 Of 13)
G07567952Courtesy of © TOYOTA, LICENSE AGREEMENT TMS1002
Fig 10: Lane Keeping Assist - Circuit Diagram (10 Of 13)
G07567953Courtesy of © TOYOTA, LICENSE AGREEMENT TMS1002
Fig 11: Lane Keeping Assist - Circuit Diagram (11 Of 13)
G07567954Courtesy of © TOYOTA, LICENSE AGREEMENT TMS1002
Fig 12: Lane Keeping Assist - Circuit Diagram (12 Of 13)
G07567955Courtesy of © TOYOTA, LICENSE AGREEMENT TMS1002
Fig 13: Lane Keeping Assist - Circuit Diagram (13 Of 13)
G07567956Courtesy of © TOYOTA, LICENSE AGREEMENT TMS1002