LEMON Manuals: Even more car manuals for everyone: 1960-2025
Home >> Lexus >> 2010 >> LS 460 AWD >> Repair and Diagnosis >> Electrical >> Body Electrical >> OEM System Circuits >> Multiplex Communication System (CAN) >> Notes
April 5, 2026: LEMON Manuals is launched! Read the announcement.

Multiplex Communication System (CAN): Notes

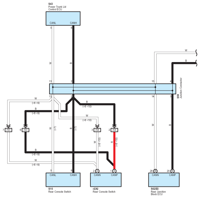
Fig 1: Multiplex Communication System (CAN) - Circuit Diagram (1 Of 11)
G07567730Courtesy of © TOYOTA, LICENSE AGREEMENT TMS1002
Fig 2: Multiplex Communication System (CAN) - Circuit Diagram (2 Of 11)
G07567731Courtesy of © TOYOTA, LICENSE AGREEMENT TMS1002
Fig 3: Multiplex Communication System (CAN) - Circuit Diagram (3 Of 11)
G07567732Courtesy of © TOYOTA, LICENSE AGREEMENT TMS1002
Fig 4: Multiplex Communication System (CAN) - Circuit Diagram (4 Of 11)
G07567733Courtesy of © TOYOTA, LICENSE AGREEMENT TMS1002
Fig 5: Multiplex Communication System (CAN) - Circuit Diagram (5 Of 11)
G07567734Courtesy of © TOYOTA, LICENSE AGREEMENT TMS1002
Fig 6: Multiplex Communication System (CAN) - Circuit Diagram (6 Of 11)
G07567735Courtesy of © TOYOTA, LICENSE AGREEMENT TMS1002
Fig 7: Multiplex Communication System (CAN) - Circuit Diagram (7 Of 11)
G07567736Courtesy of © TOYOTA, LICENSE AGREEMENT TMS1002
Fig 8: Multiplex Communication System (CAN) - Circuit Diagram (8 Of 11)
G07567737Courtesy of © TOYOTA, LICENSE AGREEMENT TMS1002
Fig 9: Multiplex Communication System (CAN) - Circuit Diagram (9 Of 11)
G07567738Courtesy of © TOYOTA, LICENSE AGREEMENT TMS1002
Fig 10: Multiplex Communication System (CAN) - Circuit Diagram (10 Of 11)
G07567739Courtesy of © TOYOTA, LICENSE AGREEMENT TMS1002
Fig 11: Multiplex Communication System (CAN) - Circuit Diagram (11 Of 11)
G07567740Courtesy of © TOYOTA, LICENSE AGREEMENT TMS1002